Czasowy włącznik zbliżeniowy

Czasowy włącznik zbliżeniowy
Pobierz PDF Download icon

Popularne bariery podczerwieni reagują przy przecięciu wiązki światła pomiędzy nadajnikiem a odbiornikiem, jednak w wielu wypadkach montaż dwóch modułów naprzeciw siebie jest utrudniony lub wręcz niemożliwy. Opisywany moduł eliminuje ten problem. Przydatny będzie w miejscach, w których załączenie oświetlenia lub wentylacji jest potrzebne na niedługi czas.

W łazience mokrymi rękoma czy w warsztacie brudnymi od smaru łatwiej jest włączyć światło, zbliżając się do czujnika odbiciowego niż dotykać tradycyjnego przełącznika. Moduł czasowego włącznika zbliżeniowego można potraktować jako element automatyki domowej, którego działanie opiera się na zasadzie wysyłania wiązki promieni podczerwieni przez nadajnik i ich odbieraniu przez odbiornik. Wiązka promieni świetlnych emitowanych przez nadajnik, napotykając na swojej drodze przeszkodę, odbija się od niej zgodnie z prawami fizyki. Część tych promieni podczerwieni trafia bezpośrednio do odbiornika, gdzie wzmocnione służą do wytworzenia sygnału przełączającego wyjście czujnika.

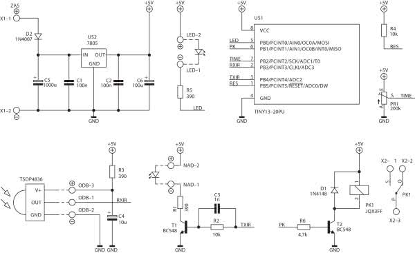
Rysunek 1. Schemat ideowy czasowego włącznika zbliżeniowego

Schemat włącznika zamieszczono na rysunku 1. Urządzenie jest przystosowane do zasilania napięciem 8…12 V DC. Dioda prostownicza D2 zabezpiecza przed niewłaściwą polaryzacją. Napięcie zasilające jest stabilizowane przez US2. Za funkcjonalność włącznika jest odpowiedzialny mikrokontroler ATtiny25 taktowany wewnętrznym sygnałem zegarowym. Użyty odbiornik podczerwieni to scalony układ pracujący z modulowanym światłem z zakresu bliskiej podczerwieni TSOP4836. Jego zaletą jest mała wrażliwość na widzialne światło z otoczenia. Mikrokontroler okresowo generuje serię impulsów załączających diodę IR. Impulsy te  mają częstotliwość ok. 36 kHz, dzięki czemu trudniej oszukać odbiornik obcym sygnałem podczerwieni np. pochodzącym z pilota RTV. Kondensator C3 poprawia szybkość zmian napięcia na diodzie, w  szczególności przy wychodzeniu tranzystora T1 ze stanu nasycenia. W przypadku gdy część wyemitowanego światła odbije się od znajdującego się w strefie roboczej obiektu, scalony odbiornik TSOP4836 wystawi ciąg impulsów na swoim wyjściu. W tym momencie następuje również odczytanie położenia suwaka potencjometru PR1 i załączenie przekaźnika PK1 poprzez tranzystor T2. Czas załączenia jest regulowany w zakresie od ok. 10 sekund do 5 minut.

Rysunek 2. Schemat montażowy czasowego włącznika zbliżeniowego

Układ włącznika czasowego zmontowano na jednostronnej płytce drukowanej o wymiarach 37 mm×79 mm, której schemat montażowy pokazano na rysunku 2. Montaż należy rozpocząć od  przylutowania elementów najmniejszych gabarytowo. Następnie lutuje się wszystkie elementy o coraz większych wymiarach, a zakończyć na przekaźniku. Dioda emitująca światło podczerwone oraz odbiornik muszą być odizolowane optycznie w sposób uniemożliwiający zakłócanie się wiązką światła podczerwonego np. rurką termokurczliwą. Wymiary modułu w większości zastosowań nie pozwolą na zamontowanie go w docelowym miejscu, np. pod lustrem, lecz dzięki złączkom śrubowym, diodę nadawczą i odbiornik podczerwieni można umieścić na przewodach z dala od płytki sterownika. Strefa robocza zależy od wielkości obiektu, barwy i faktury powierzchni oraz kąta, pod którym obiekt jest widziany przez czujnik. Dla białej powierzchni o wymiarach 20×20 cm uzyskiwany zakres działania to około 15 cm. Diodę IR najłatwiej umieścić w czarnej rurce termokurczliwej, aby ograniczyć jej emisję światła na boki, co mogłoby doprowadzić do fałszywych załączeń.

Rysunek 3. Sposób dołączenia wyłącznika

Ponadto, dla prądów przekraczających 2 A, wskazane jest pogrubienie ścieżek. Przekaźnik jest galwanicznie odizolowany od napięcia zasilającego moduł – oznacza to, że styki COM, NO i NC są bezpotencjałowe. Można dołączyć do nich dowolne napięcie mieszczące się w parametrach pracy przekaźnika. Zanieczyszczenie powietrza i zabrudzenie układu optycznego skróci strefę działania włącznika. Rysunek 3 przedstawia przykładowe zastosowanie modułu do włączania taśmy LED.

Mavin
mavin@op.pl

Wykaz elementów:
Rezystory:
  • R1, R3: 390 Ω
  • R2, R4: 10 kΩ
  • R5: 1 kΩ
  • R6: 4,7 kΩ
  • Z: 0 Ω (zwora)
  • PR1: 200 kΩ (pot.)
Kondensatory:
  • C1, C2: 100 nF
  • C3: 10 nF
  • C4: 4,7 μF
  • C5: 1000 μF
  • C6: 100 μF
Półprzewodniki:
  • D1: 1N4148
  • D2: 1N4007
  • LD1: LED 3 mm zielona
  • M1: mostek RB151
  • Q1, Q2: BC547
  • US1: ATtiny25
  • US2: 7805
  • K1: JQX3FF
  • NAD, LED: ARK2/3,5 mm
  • IR F5, LED 3 lub 5 mm dowolnego koloru
Inne:
  • ODB: ARK3/3,5 mm
  • TSOP4836
  • X1: ARK2/5 mm
  • X2: ARK3/5 mm
 
Artykuł ukazał się w
Elektronika Praktyczna
sierpień 2017
DO POBRANIA
Pobierz PDF Download icon
Materiały dodatkowe
Elektronika Praktyczna Plus lipiec - grudzień 2012

Elektronika Praktyczna Plus

Monograficzne wydania specjalne

Elektronik listopad 2025

Elektronik

Magazyn elektroniki profesjonalnej

Raspberry Pi 2015

Raspberry Pi

Wykorzystaj wszystkie możliwości wyjątkowego minikomputera

Świat Radio listopad - grudzień 2025

Świat Radio

Magazyn krótkofalowców i amatorów CB

Automatyka, Podzespoły, Aplikacje listopad - grudzień 2025

Automatyka, Podzespoły, Aplikacje

Technika i rynek systemów automatyki

Elektronika Praktyczna listopad 2025

Elektronika Praktyczna

Międzynarodowy magazyn elektroników konstruktorów

Elektronika dla Wszystkich grudzień 2025

Elektronika dla Wszystkich

Interesująca elektronika dla pasjonatów