Moduł wykonawczy z triakiem

Moduł wykonawczy z triakiem
Pobierz PDF Download icon

Moduł wykonawczy jest układem, który można wykorzystać w wielu innych aplikacjach. Jego ogromną zaletą jest możliwość sterowania dużych mocy, a wbudowana optoizolacja gwarantuje bezpieczne użytkowanie.

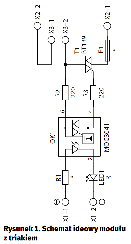
Schemat ideowy modułu pokazano na rysunku 1. Aby zapewnić pełną separację galwaniczną od sieci elektrycznej, w urządzeniu zastosowano optotriak z detekcją „0”. Jako element przełączający zastosowany został triak BT139 o prądzie przewodzenia do 12 A. Planując sterowanie tak dużymi mocami, należy pamiętać o pogrubieniu ścieżek, które nie mają soldermaski na płytce. Dioda LED sygnalizuje załączenie optotriaka a tym samym obciążenia.

Układ należy zmontować na jednostronnej płytce drukowanej o wymiarach 46×54 mm, której projekt pokazany jest na rysunku 2. Ułatwieniem podczas montażu będzie fotografia tytułowa. Montaż układu rozpoczynamy od wlutowania w płytkę rezystorów i innych elementów o niewielkich rozmiarach, a kończymy, montując złącza śrubowe i triak uprzednio przykręcony do radiatora. Po zmontowaniu układu trzeba bardzo starannie skontrolować, czy elementy nie zostały wlutowane w niewłaściwym kierunku lub w niewłaściwe miejsca, a przede wszystkim czy podczas lutowania nie powstały zwarcia punktów lutowniczych. Urządzenie zmontowane bezbłędnie, z użyciem sprawnych elementów, będzie działało od razu po dołączeniu napięcia zasilającego. Na rysunku 3 znajduje się przykład, jak poprawnie dołączyć układ do sieci elektrycznej (złącze X2) oraz odbiornik np. żarówkę (złącze X3). Aby sprawdzić poprawność działania modułu wykonawczego, do złącza X1 należy podać napięcie sterujące o wartości 5 V przy zastosowanym rezystorze R1 o wartości 330 V lub 12 V dla 1 kV.

Mavin
mavin@op.pl

Artykuł ukazał się w
Elektronika Praktyczna
sierpień 2017
DO POBRANIA
Pobierz PDF Download icon
Elektronika Praktyczna Plus lipiec - grudzień 2012

Elektronika Praktyczna Plus

Monograficzne wydania specjalne

Elektronik listopad 2025

Elektronik

Magazyn elektroniki profesjonalnej

Raspberry Pi 2015

Raspberry Pi

Wykorzystaj wszystkie możliwości wyjątkowego minikomputera

Świat Radio listopad - grudzień 2025

Świat Radio

Magazyn krótkofalowców i amatorów CB

Automatyka, Podzespoły, Aplikacje listopad - grudzień 2025

Automatyka, Podzespoły, Aplikacje

Technika i rynek systemów automatyki

Elektronika Praktyczna listopad 2025

Elektronika Praktyczna

Międzynarodowy magazyn elektroników konstruktorów

Elektronika dla Wszystkich grudzień 2025

Elektronika dla Wszystkich

Interesująca elektronika dla pasjonatów