Generator 3,686 MHz z modulacją AM sygnałem 1 kHz

Generator 3,686 MHz z modulacją AM sygnałem 1 kHz
Pobierz PDF Download icon
Generator wytwarza przebieg o częstotliwości 3,686 MHz z modulacją AM sygnałem sinusoidalnym 1 kHz. Generatora można użyć do strojenia odbiorników na pasmo amatorskie 80 m metodą "na najsilniejszy sygnał". Może też przydać się przy budowie wzmacniaczy liniowych mocy na pasmo 80 m.

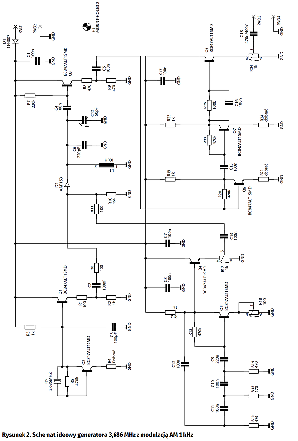
Schemat ideowy generatora pokazano na rysunku 2. Składa się on z: generatora w.cz. z tranzystorami Q1 i Q2, generatora 1 kHz z tranzystorami Q4, Q5, modulatora AM z diodą D2 i wzmacniacza wyjściowego z tranzystorami Q6…Q8. Sygnały o częstotliwościach 3,686 MHz i 1 kHz są podawane na wejścia modulatora AM. Na jego wyjściu otrzymujemy przebieg z modulacją amplitudy. Wzmacniacz wyjściowy wzmacnia sygnał do około 2,5 V bez zniekształceń. Potencjometr R26 umożliwia regulację napięcia wyjściowego w zakresie 0…2,5 V.

Schemat montażowy generatora zamieszczono na rysunku 1. Do uruchomienia jest potrzebny oscyloskop i miernik częstotliwości. Dołączamy oscyloskop do emitera tranzystora Q4 i za pomocą R18 ustawiamy sygnał 1 kHz bez zniekształceń. Do emitera tranzystora Q1 można przyłączyć miernik częstotliwości i sprawdzić częstotliwość 3,686 MHz. Rezystor R4 można dobrać pod katem prawidłowego kształtu sygnału sinusoidalnego 3,686 MHz. Później dołączamy oscyloskop do kondensatora C5 – zmieniając wartości rezystancji R17 i pojemności C13, można ustawić prawidłowy przebieg AM. Obserwując przebieg na emiterze tranzystora Q8, można dobrać oporniki R21 i R24 tak, aby uzyskać na oscyloskopie prawidłowy sygnał AM bez zniekształceń, o amplitudzie około 2,5 V.

Grzegorz Wasilewski
gwas27@wp.pl

 

 

Artykuł ukazał się w
Elektronika Praktyczna
maj 2017
DO POBRANIA
Pobierz PDF Download icon
Elektronika Praktyczna Plus lipiec - grudzień 2012

Elektronika Praktyczna Plus

Monograficzne wydania specjalne

Elektronik listopad 2025

Elektronik

Magazyn elektroniki profesjonalnej

Raspberry Pi 2015

Raspberry Pi

Wykorzystaj wszystkie możliwości wyjątkowego minikomputera

Świat Radio listopad - grudzień 2025

Świat Radio

Magazyn krótkofalowców i amatorów CB

Automatyka, Podzespoły, Aplikacje listopad - grudzień 2025

Automatyka, Podzespoły, Aplikacje

Technika i rynek systemów automatyki

Elektronika Praktyczna listopad 2025

Elektronika Praktyczna

Międzynarodowy magazyn elektroników konstruktorów

Elektronika dla Wszystkich grudzień 2025

Elektronika dla Wszystkich

Interesująca elektronika dla pasjonatów