Zasilacz do modułów audio

Zasilacz do modułów audio
Pobierz PDF Download icon
Moduł jest zgodnym mechanicznie zasilaczem dla modułów "domowego" studia.

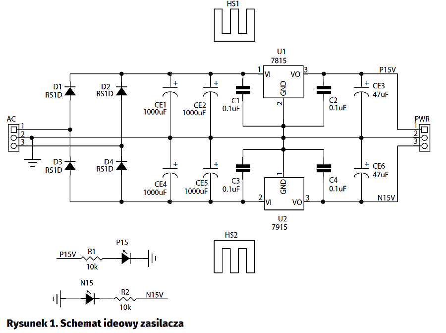
Schemat ideowy zasilacza pokazano na rysunku 1. Układ jest typowym zasilaczem symetrycznym ±15 V. Symetryczne napięcie przemienne ze złącza AC (16…18 V AC) jest doprowadzone do prostownika mostkowego D1…D4, a po filtrowaniu za pomocą kondensatorów CE1, CE2, C4, C5 zasila stabilizatory +15 V (U1), –15 V (U2). Napięcie wyjściowe jest dostępne na złączu PWR, jego obecność sygnalizują LED P15, N15. Układy U1, U2 wyposażono w radiatory. W zależności od obciążenia zasilacza można zastosować radiatory HS135 lub zgodne, o wysokości 25 mm, 38 mm, 50 mm. Pobór prądu nie powinien przekraczać 400 mA, co w zupełności wystarcza do zasilania kilku modułów.

Zasilacz zmontowano na jednostronnej płytce drukowanej. Schemat montażowy przedstawia rysunek 2.

Adam Tatuś, EP

 


Artykuł ukazał się w
Elektronika Praktyczna
maj 2017
DO POBRANIA
Pobierz PDF Download icon
Elektronika Praktyczna Plus lipiec - grudzień 2012

Elektronika Praktyczna Plus

Monograficzne wydania specjalne

Elektronik listopad 2025

Elektronik

Magazyn elektroniki profesjonalnej

Raspberry Pi 2015

Raspberry Pi

Wykorzystaj wszystkie możliwości wyjątkowego minikomputera

Świat Radio listopad - grudzień 2025

Świat Radio

Magazyn krótkofalowców i amatorów CB

Automatyka, Podzespoły, Aplikacje listopad - grudzień 2025

Automatyka, Podzespoły, Aplikacje

Technika i rynek systemów automatyki

Elektronika Praktyczna listopad 2025

Elektronika Praktyczna

Międzynarodowy magazyn elektroników konstruktorów

Elektronika dla Wszystkich grudzień 2025

Elektronika dla Wszystkich

Interesująca elektronika dla pasjonatów