Moduł zwiększający zasięg transmisji RS232C

Moduł zwiększający zasięg transmisji RS232C
Pobierz PDF Download icon

Standard RS232C ma już ponad pół wieku (opracowany w 1962 roku). Mimo wielu wad nadal jest chętnie stosowany. Czasem zachodzi potrzeba przesłania sygnałów RS232C na większą odległość niż gwarantuje to standard. Rozwiązaniem jest wykorzystanie okablowania Ethernet. Prezentowany interfejs umożliwia transmisję danych z prędkością 10 Mb/s na odległość 1200 m oraz zapewnia izolację galwaniczną pomiędzy urządzeniami.

Do przesłania sygnałów na większe odległości można wykorzystać modem. Niestety modemy analogowe osiągalne w handlu umożliwiają przesyłanie danych z prędkością 33600 kb/s. Co ciekawe, nie jest do tego potrzebna centrala telefoniczna, wystarczy połączenie kablowe pomiędzy modemami. Szybkość transmisji można zwiększyć, stosując modemy ISDN (128 kb/s). Autor wykonał próby transmisji danych modemami analogowymi i cyfrowymi, stosując modemy analogowe także bez wykorzystania centrali.

W EP 04/2012 opisano konwerter UART/Ethernet. Zmieniając rezonator na 14,7456 MHz, można uzyskać prędkość powyżej 115 kb/s. Maksymalna prędkość transmisji przy 16 MHz to 2 Mb/s. Istnieje jeszcze jeden prosty sposób "przedłużenia" łącza RS232C - użycie skrętki komputerowej. Zamieniając sygnały RS232C na RS422, można przesyłać dane z prędkością 10 Mb/s na odległość do 1200 m. Zastosowane w modelu transceivery MAX490 ograniczają tę prędkość do 2,5 Mb/s. Gdy stosuje się układy innego typu, prędkość może być ograniczona do 250 kb/s lub osiągnąć nawet 200 Mb/s.

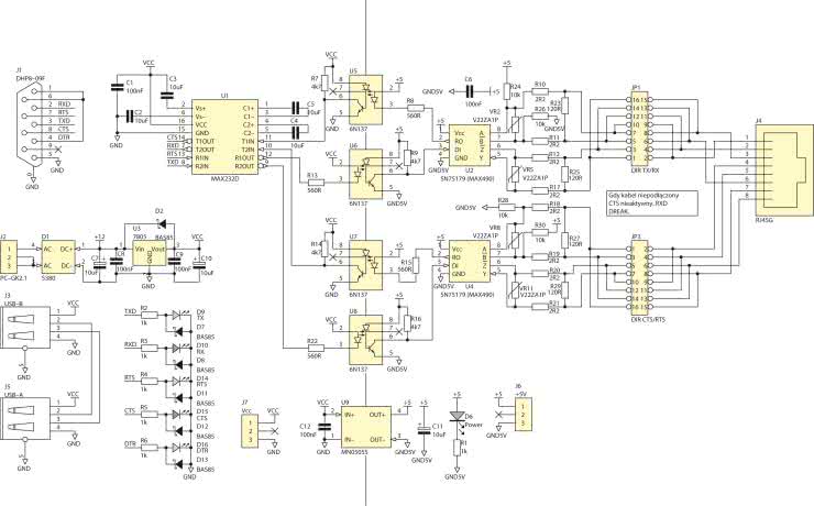
Schemat ideowy proponowanego rozwiązania konwertera pokazano na rysunku 1. Konwerter jest zasilany z zasilacza 8…15 V/200 mA przyłączonego do J2 lub z gniazda USB. Ze względu na to, że konwerter pobiera około 150 mA, nie można go zasilić ze złącza RS232C, ale pobór jest na tyle mały, że zbytnio nie obciąża gniazda USB. Dlatego sygnały USB wyprowadzono na gniazdo typu A, dzięki czemu nie traci się jednego gniazda USB tylko na zasilanie konwertera i można je wykorzystać także do podłączenia pendrive'a, klawiatury, myszy lub innego urządzenia o poborze prądu nie większym jak 350 mA.

Rysunek 1. Schemat ideowy "przedłużacza" RS232

Sygnały standardu RS232C są konwertowane w popularnym układzie MAX232. Dodatkowo sygnałami RS232 są zasilane diody pokazujące stan linii RxD, TxD, RTS, CTS i DTR. Transoptory 6N137 zapewniają izolację galwaniczną. Transoptory 6N137 gwarantują przepustowość 1 Mb/s - stosując 6N137-E, można ją zwiększyć do 10 Mb/s, dlatego zdecydowano się na układy w obudowie DIP. Zasilanie transceiverów RS422 zrealizowano za pomocą przetwornicy DC/DC typu MN0505S. Zastosowano transceivery SN75179 o przepustowości 1 Mb/s - prędkość transmisji można zwiększyć do 2,5 Mb/s, używając MAX490. Ten układ zawiera nadajnik i odbiornik RS422, ale w przeciwieństwie do MAX485 zapewnia obsługę trybu full duplex, a nie half duplex. Co prawda nie można odłączyć nadajnika od magistrali, ale w tym rozwiązaniu nie jest to potrzebne. Transceivery są zabezpieczone przed przepięciami transilami i rezystorami 2,2 Ω. Rezystory 120 Ω dopasowują rezystancję falową linii do wyjściowej transceiverów.

Zworki na goldpinach JP1 i JP2 decydują o funkcji pełnionej przez konwerter (master/slave). Dzięki temu do połączenia konwerterów wystarczy połączenie na wprost poprzez kabel Ethernet. Zadbano o to, aby sygnały RS422 były transmitowane skręconymi parami przewodów. To minimalizuje możliwość wpływu zaburzeń przedostających się do kabla, choć ten nie jest ekranowany. Do transmisji sygnałów TxD i RxD zastosowano pary TX i RX kabla Ethernet, czyli pary podstawowe, do CTS, RTS pary rezerwowe (dodatkowe). Dzięki temu, jeśli nie jest potrzebna transmisja sygnałów sterujących przepływem, po dodatkowych parach można przesłać inne informacje.

Schemat montażowy konwertera zamieszczono na rysunku 2. Montaż jest typowy i nie wymaga omawiania. Pod układy U2 i U4 warto zastosować podstawki. Po włączeniu zasilania powinna się zaświecić dioda D6, co świadczy o poprawnej pracy przetwornicy. Napięcie można kontrolować na złączach J6 i J7.

Rysunek 2. Schemat montażowy "przedłużacza" RS232

Urządzenie podłączamy do komputera ze złączem RS232C kablem prostym (1 do 1) DB9F-DB9M (przedłużacz). Na złącza JP1 i JP2 nie zakładamy zworek, tylko łączymy piny 1 z 15, 3 z 13, 5 z 11 oraz 7 z 9. Na komputerze uruchamiamy program terminalu, sterowanie przepływem ustawiamy na sprzęt. Powinny zaświecić się diody RTS i DTR oraz gdy U1, U5, U6 i U2 pracują poprawnie, dioda CTS. Pozostałe układy sprawdzimy, pisząc cokolwiek na klawiaturze. Wysyłanym znakom towarzyszą rozbłyski diod Tx i Rx. Aby błyski były lepiej widoczne, należy ustawić najmniejszą możliwą prędkość transmisji. Po sprawdzeniu dwóch interfejsów można je połączyć kablem Ethernet.

Rezystory R24, R26, R28, R30 polaryzują wstępnie linię, więc gdy odbiornik RS422 nie jest połączony z nadajnikiem, dioda RX świeci a CTS jest wygaszona. Mogłoby się wydawać, po co tak komplikować układ (transoptory, przetwornica DC/DC), skoro do izolacji galwanicznej są produkowane specjalizowane układy, np. NM485D. Niestety, są one trudno osiągalne i drogie. Koszt konwertera można znacznie zmniejszyć, rezygnując z izolacji galwanicznej. W takim wypadku należy zewrzeć piny 1 z 3 i 2 z 4 układu przetwornicy U9 oraz 3 z 6 wszystkich transoptorów. Ponadto można nie montować U5, U6 i U2, jeśli nie jest potrzebne przesyłanie sygnałów CTS/RTS.

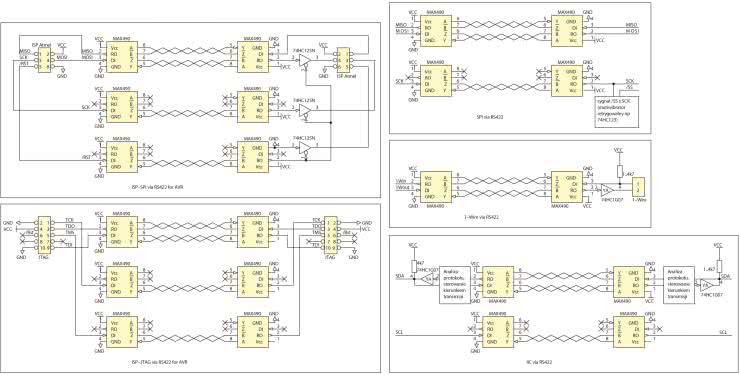
Rysunek 3. Zastosowanie RS422 do transmisji danych po magistralach SPI I²C i 1-Wire na duże odległości

Na rysunku 3 pokazano przykłady innych zastosowań RS422 do transmisji danych po magistralach SPI I²C i 1-Wire na duże odległości.

Sławomir Skrzyński, EP

Wykaz elementów:
Rezystory:
  • R1…R6, R8, R13, R15, R22: 1 kΩ (SMD 1206)
  • R10…R12, R17…R21: 2,2 Ω (SMD 1206)
  • R7, R9, R14, R16: 10 kΩ (SMD 1206)
  • R23, R25, R27, R29: 120 Ω (SMD 1206)
Kondensatory:
  • C2…C5: 10 µF (SMD 1206)
  • C7, C10, C11: 10 µF (elektrolit.)
  • C1, C6, C8, C9, C12: 100 nF (SMD 1206)
Półprzewodniki:
  • D1: S380 (mostek prostowniczy)
  • D2…D5, D7, D8, D11…D13: BSS85
  • D6: dioda LED 5 mm, niebieska
  • D10: dioda LED 5 mm, zielona
  • D9, D14, D16: dioda LED 5 mm, żółta
  • D15: dioda LED 5 mm, zielona
  • U5…U7: 6N137 (DIP8)
  • U3: 7805 (TO220)
  • U1: MAX232D (SO16)
  • U2, U4: MAX490 (DIP8)
  • U9: MN0505S (przetwornica DC/DC)
Pozostałe:
  • J1: wtyk DB9/M
  • JP1, JP3: wtyk IDC16
  • J2: złącze zasilania 2,5/5,5 mm
  • J4: gniazdo RJ45, pionowe
  • J3: gniazdo USB-B
Artykuł ukazał się w
Elektronika Praktyczna
luty 2017
DO POBRANIA
Pobierz PDF Download icon
Materiały dodatkowe
Elektronika Praktyczna Plus lipiec - grudzień 2012

Elektronika Praktyczna Plus

Monograficzne wydania specjalne

Elektronik listopad 2025

Elektronik

Magazyn elektroniki profesjonalnej

Raspberry Pi 2015

Raspberry Pi

Wykorzystaj wszystkie możliwości wyjątkowego minikomputera

Świat Radio listopad - grudzień 2025

Świat Radio

Magazyn krótkofalowców i amatorów CB

Automatyka, Podzespoły, Aplikacje listopad - grudzień 2025

Automatyka, Podzespoły, Aplikacje

Technika i rynek systemów automatyki

Elektronika Praktyczna listopad 2025

Elektronika Praktyczna

Międzynarodowy magazyn elektroników konstruktorów

Elektronika dla Wszystkich grudzień 2025

Elektronika dla Wszystkich

Interesująca elektronika dla pasjonatów