Prosty termostat cyfrowy

Prosty termostat cyfrowy
Pobierz PDF Download icon
Prezentowane urządzenie to nieskomplikowany termostat - wykorzystuje termistor jako czujnik temperatury, temperaturę załączania ustawia się potencjometrem, ma wyjście przekaźnikowe. Dzięki zastosowaniu mikrokontrolera termostat ma szereg użytecznych funkcji.

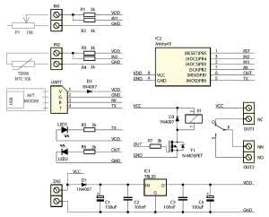
Rysunek 1. Schemat ideowy termostatu

Schemat ideowy termostatu zamieszczono na rysunku 1. Jest on uproszczony do maksimum i nie wymaga komentarza. Poza tym, najważniejszego komponentu urządzenia nie widać na schemacie - jest nim program zawarty w pamięci mikrokontrolera.

Głównym zadaniem programu jest odczyt napięcia występującego na dwóch wejść analogowych. Do pierwszego jest dołączony dzielnik rezystancyjny zbudowany z rezystora R1 oraz potencjometru, do drugiego - dzielnik rezystancyjny z rezystora R3 oraz termistora NTC.

Wartości napięcia na wyjściu pierwszego dzielnika w funkcji położenia potencjometru oraz drugiego dzielnika w funkcji temperatury mają przebiegi nieliniowe i dlatego charakterystyki napięciowe są linearyzowane za pomocą tabel, które zostały wcześniej przygotowane i obliczone dla elementów o wartościach takich, jak zastosowane.

Dodatkowo, aby zaoszczędzić pamięć, kolejne elementy tabeli to różnice pomiędzy następującymi po sobie wartościami a nie same wartości. Takim sposobem za pomocą termistora NTC 10 kΩ jest możliwy pomiar temperatury w zakresie -20...120°C z rozdzielczością 1 stopnia. Niepewność pomiaru nie powinna przekroczyć ±2°C. Zakres ustawienia potencjometru został podzielony na 50 stopni.

Tabela 1. Wykaz komunikatów

Drugim ważnym zadaniem programu jest obsługa programowego interfejsu UART. Za pomocą sprzętowego licznika Timer1 oraz przerwania INT0 jest realizowany interfejs szeregowy o prędkości 9600 b/s. Przy każdym włączeniu urządzenia interfejsem wysyłane są bieżące ustawienia, a w czasie pracy jest wysyłana informacja o temperaturze zmierzonej, ustawionej oraz stanie wyjścia.

Ze względu na dosyć niską częstotliwość taktowania mikrokontrolera interfejs może nie radzić sobie z odbieraniem ciągów danych - w praktyce chodzi o to, aby po każdym znaku zapewnić kilkanaście milisekund przerwy. W wypadku wprowadzania danych z klawiatury warunek ten jest zapewniony w naturalny sposób.

Ostatnim zadaniem wykonywanym przez program jest porównywanie temperatury zmierzonej z temperaturą zadaną, z uwzględnieniem histerezy i odpowiednie sterowanie stanem przekaźnika, w zależności od ustawionej funkcji (ogrzewanie lub chłodzenie).

Montaż układu należy wykonać zgodnie z ogólnymi zasadami wzorując się na schemacie montażowym z rysunku 2. Po zmontowaniu urządzenie nie wymaga kalibracji i jest od razu gotowe do pracy, co będzie sygnalizowała migająca cyklicznie dioda LED1.

Tabela 2. Wykaz komend

Domyślne ustawienia to: zakres regulacji 0...50 stopni, histereza 1 stopień, ustawianie potencjometrem, funkcja - ogrzewanie. Jako czujnik można zastosować dowolny termistor NTC 10 kV. Może być w postaci małej "pchełki" lub jak w modelu "oczko" do przykręcenia.

Ustawienia można zmienić, potrzebny będzie do tego konwerter USB na UART, np AVTMOD09. Po dołączeniu do złącza oznaczonego UART i do portu USB w komputerze należy uruchomić dowolny program typu terminal (np. BrayTerminal+) i otworzyć połączenie o parametrach 9600, 8, none, 1, none.

Co ok. 2 sekundy w oknie Receive terminala powinna być wyświetlana ramka o treści: T= 26*C,U= 30*C, OFF. Oznacza to, że komunikacja została nawiązana prawidłowo. W tabeli 1 umieszczono są wszystkie komunikaty wysyłane przez urządzenie, a w tabeli 2 komendy, za pomocą których można zmienić ustawienia.

Każda komenda zaczyna się znakiem dwukropka a kończy znakiem CR (Enter), nie należy używać spacji. Nowe ustawienia są automatycznie zapamiętywane w pamięci nieulotnej, ale uwaga - układ nie koryguje błędnych ustawień. Na przykład, maksymalna temperatura mierzona to 120°C. Jeśli zostanie ustawiona temp 115°C i histereza 10°C, to wyjście termostatu po załączeniu nigdy się nie wyłączy.

Rysunek 2. Schemat montażowy termostatu

Zastosowanie przekaźnika ma wiele zalet, ale ogranicza zasilanie do 12 VDC. Zamiast przekaźnika można zamontować trzy zwory z drutu opisane na płytce - wtedy elementem wykonawczym będzie tranzystor MOSFET T1. Bez dodatkowego radiatora może załączać prąd do ok 5 A. Do złącza OUT1 należy doprowadzić zasilanie z przedziału 7...25 V, na złączu OUT2 pojawi się napięcie w czasie załączenia wyjścia, które sygnalizuje dioda LED2.

Na koniec jeszcze jedna uwaga - temperatura ustawiona to temperatura, przy której wyjście zostanie załączone. Histereza to wartość, o którą musi wzrosnąć temperatura od wartości ustawionej, aby wyjście zostało wyłączone (w przypadku funkcji chłodzenia histereza określa wartość, o którą temperatura musi zmaleć).

KS

Artykuł ukazał się w
Elektronika Praktyczna
sierpień 2015
DO POBRANIA
Pobierz PDF Download icon
Materiały dodatkowe
Elektronika Praktyczna Plus lipiec - grudzień 2012

Elektronika Praktyczna Plus

Monograficzne wydania specjalne

Elektronik listopad 2025

Elektronik

Magazyn elektroniki profesjonalnej

Raspberry Pi 2015

Raspberry Pi

Wykorzystaj wszystkie możliwości wyjątkowego minikomputera

Świat Radio listopad - grudzień 2025

Świat Radio

Magazyn krótkofalowców i amatorów CB

Automatyka, Podzespoły, Aplikacje listopad - grudzień 2025

Automatyka, Podzespoły, Aplikacje

Technika i rynek systemów automatyki

Elektronika Praktyczna listopad 2025

Elektronika Praktyczna

Międzynarodowy magazyn elektroników konstruktorów

Elektronika dla Wszystkich grudzień 2025

Elektronika dla Wszystkich

Interesująca elektronika dla pasjonatów