PAmp_TDA7388. Wzmacniacz mocy audio 4×20 W/4 Ω

PAmp_TDA7388. Wzmacniacz mocy audio 4×20 W/4 Ω
Pobierz PDF Download icon
Układ niewielkiej, 4-kanałowej końcówki średniej mocy, który może znaleźć zastosowanie w nagłośnieniu samochodu, aktywnych zespołach głośnikowych lub w PC-audio.

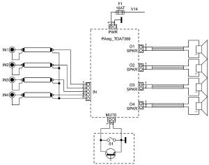
Rysunek 1. Schemat ideowy modułu wzmacniacza

Moduł jest oparty na układzie TDA7388 zawierającym cztery kanały mostkowego wzmacniacza mocy, ze wspólnymi obwodami załączenia i wyciszania. Zmontowana płytka jest gotowym blokiem funkcjonalnym systemu audio. Schemat ideowy wzmacniacza pokazano na rysunku 1.

Układy wzmacniaczy U1 (TDA7388) pracują w konfiguracji mostkowej, co umożliwia osiągnięcie sporej mocy wyjściowej bez konieczności używania przetwornic podwyższających napięcie zasilania.

Moc podawana przez producenta przy zasilaniu 14,4 V to 4×25 W/4 Ω. Rzeczywista moc zależy od jakości zasilania i skuteczności odprowadzenia ciepła z układu.

Rysunek 2. Schemat montażowy modułu wzmacniacza

Układ ma wzmocnienie ustalone na 26 dB oraz zintegrowane odwracacze sygnału dla wszystkich czterech kanałów. Eliminuje to z aplikacji kilkanaście elementów upraszczając zastosowanie samego układu. Sygnał wejściowy wymaga jedynie odseparowania składowej stałej poprzez kondensatory C3...C6. Rezystory polaryzujące wejścia wbudowane są w układ, ich rezystancja wynosi ok.100 kΩ, co ustala dolną częstotliwość przenoszenia na ok. 16 Hz. TDA7388 ma zintegrowane obwody wyciszania i stand-by.

W aplikacji wzmacniacz jest włączony na stałe, z niewielkim opóźnieniem ustalonym przez rezystor R1 i kondensator C7 oraz wyciszeniem ustalonym przez rezystor R2 oraz kondensator C8. Te komponenty eliminują niepożądane efekty dźwiękowe przy włączaniu i wyłączaniu wzmacniacza. Obwód wyciszania wyprowadzony jest na zewnątrz płytki, co umożliwia jednoczesne wyciszenie wzmacniaczy poprzez zwarcie styków złącza MUTE. Pozostałe elementy filtrują zasilanie.

Rysunek 3. Schemat połączenia wzmacniacza

Wzmacniacz jest zasilany napięciem 14,4 V, obwody wyjściowe mają zabezpieczenia przez zwarciem oraz przed przegrzaniem.

Wzmacniacz zmontowano na dwustronnej płytce drukowanej. Rozmieszczenie elementów pokazano na rysunku 2. Montaż jest wykonywany typowo i nie wymaga opisu. Ze względu na wydzielaną moc, układ U1 wymaga montażu na radiatorze o powierzchni dostosowanej do wydzielanej mocy. Model ma radiator SK125-84, który wystarcza do osiągnięcia ok. 4×10 W/4 Ω.

W wypadku pracy w trudnych warunkach termicznych lub potrzeby osiągnięcia pełnej mocy układu, należy zastosować znacznie większy radiator lub chłodzenie wymuszone. Wkładka radiatorowa jest połączona z masą układu, o czym należy pamiętać. Sposób połączenia wzmacniacza pokazano na rysunku 3.

Miłego odsłuchu!

Adam Tatuś, EP

Artykuł ukazał się w
Elektronika Praktyczna
luty 2015
DO POBRANIA
Pobierz PDF Download icon
Materiały dodatkowe
Elektronika Praktyczna Plus lipiec - grudzień 2012

Elektronika Praktyczna Plus

Monograficzne wydania specjalne

Elektronik listopad 2025

Elektronik

Magazyn elektroniki profesjonalnej

Raspberry Pi 2015

Raspberry Pi

Wykorzystaj wszystkie możliwości wyjątkowego minikomputera

Świat Radio listopad - grudzień 2025

Świat Radio

Magazyn krótkofalowców i amatorów CB

Automatyka, Podzespoły, Aplikacje listopad - grudzień 2025

Automatyka, Podzespoły, Aplikacje

Technika i rynek systemów automatyki

Elektronika Praktyczna listopad 2025

Elektronika Praktyczna

Międzynarodowy magazyn elektroników konstruktorów

Elektronika dla Wszystkich grudzień 2025

Elektronika dla Wszystkich

Interesująca elektronika dla pasjonatów