RN52_SPDIF - Bezprzewodowy interfejs audio Bluetooth-S/PDIF

RN52_SPDIF - Bezprzewodowy interfejs audio Bluetooth-S/PDIF
Pobierz PDF Download icon

Urządzenie umożliwia dołączenie do przetwornika DAC domowego zestawu audio, komputera, urządzeń przenośnych, takich jak: tablet, smartfon lub laptop przy użyciu bezprzewodowego połączenia Bluetooth audio. Dzięki zastosowaniu specjalizowanego modułu RN52 firmy Microchip łącze pomimo realizacji złożonej funkcjonalności jest łatwe do wykonania.

Schemat blokowy modułu RN52 pokazano na rysunku 1. Układ umożliwia realizację dwukierunkowego interfejsu Bluetooth audio z profilami A2DP, HFP, HSC, dostępne są interfejsy: SPDIF, I²S, audio analogowe z wbudowaną końcówką mocy dla słuchawek, interfejs zdalnego sterowania w profilu AVRCP, interfejs szeregowy UART z profilem SPP oraz interfejs iAP wykorzystywany przez urządzenia Apple. Dzięki tak bogatemu wsparciu i prostej konfiguracji programowej poprzez port szeregowy moduł umożliwia tworzenie szerokiej gamy produktów „bezprzewodowych”. RN52 posiada wbudowaną antenę, zwalnia wiec konstruktora z doboru i projektowania układu antenowego RF.

Rysunek 1. Schemat blokowy modułu RN52 (wg materiałów firmy Microchip)

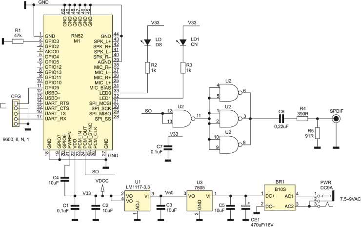
Schemat interfejsu zamieszczono na rysunku 2. W modelu wykorzystany jest tylko wyjściowy interfejs SPDIF i profil A2DP. Sygnał wyjściowy S/PDIF jest buforowany przez bramki U2, dzielnik rezystancyjny R4/R5 dopasowuje sygnał do wymogów standardu. Sygnał wyjściowy jest doprowadzony do gniazda S/PDIF typu RCA. Diody świecące DS/CN sygnalizują stan pracy modułu M1. Urządzenie ma wbudowany zasilacz. Stabilizator U3 (7805) jest zasilany wyprostowanym, filtrowanym napięciem zmiennym 7,5…9 V AC (z transformatora o mocy 4 VA) i jest stabilizatorem wstępnym dla układu U1 (LM1117-3.3) zasilającego moduł M1 i układ U2. Złącze CFG służy do konfigurowania modułu za pomocą konwertera USB/UART z poziomem napięć 3,3 V (np. FTDI23x) lub zewnętrzny mikrokontroler.

Rysunek 2. Schemat ideowy interfejsu Bluetooth–S/PDIF

Zwarcie zwory pomiędzy wyprowadzeniami 1-2 złącza CFG uaktywnia tryb konfiguracji RN52. Niestety, konfiguracja poprzez interfejs bezprzewodowy jest niemożliwa. Moduł ma UART pracujący z ustawieniami domyślnymi: 9600, 8, n, 1.

Układ zmontowano na niewielkiej płytce drukowanej, której schemat montażowy pokazano na rysunku 3.

Rysunek 3. Schemat montażowy interfejsu Bluetooth–S/PDIF

Montaż układu jest typowy, jednak należy zwrócić uwagę na prawidłowe przylutowanie modułu M1, szczególnie zasłoniętych wyprowadzeń masy przy części antenowej. Ze względu na wymogi części radiowej modułu – wszystkie muszą być przylutowane! Dla poprawnego działania wbudowanej anteny jest wymagane zachowanie od frontu modułu przestrzeni (zgodnie z rysunkiem 4) wolnej do elementów metalowych.

Rysunek 4. Wymagana przestrzeń dla części radiowej RN52 (za notą producenta)

Prawidłowo zmontowany interfejs wymaga skonfigurowania. Najłatwiej zrobić to za pomocą dowolnego konwertera USB/UART o poziomie napięć 3,3 V. Urządzenie należy dołączyć do komputerem PC za pomocą złącza CFG, przy zwartych wyprowadzeniach 1-2.

Konfigurowanie modułu odbywa się poprzez przesyłanie w trybie tekstowym komend i parametrów potwierdzonych znakiem „\r” (ENTER) zgodnie z dokumentacją modułu RN52. Po skonfigurowaniu programu Terminala (9600, 8, N, 1) i włączeniu zasilania modułu powinien pojawić się komunikat CMD potwierdzający wejście w tryb konfigurowania. Dla wygody poleceniem „+” można załączyć lokalne echo. Polecenie „V” wyświetla wersję oprogramowania modułu. Warto przywrócić ustawienia fabryczne poleceniem „SF,1”+Enter.

Prawidłowo wykonana operacja zostanie potwierdzony komunikatem „AOK”, w wypadku błędu wyświetlony zostanie komunikat „ERR”.

Kolejno należy skonfigurować moduł poleceniami (każdorazowo potwierdzając Enterem):

  1. S|,02 – wyjście modułu = S/PDIF.
  2. S-, BT_SPDIF – nazwę modułu na np. BT_SPDIF, może być dowolna do 15 znaków, dla rozpoznania w przypadku współpracy kilku urządzeń.
  3. SA,04 – ustala tryb autentykacji na wymagający kodu PIN.
  4. SC,200428 – ustala klasę (CoD) urządzenia Bluetooth na HiFi Audio Device.
  5. SD,04 – ustawia profil detekcji A2DP.
  6. SK,04 – ustawia profil połączenia A2DP.
  7. SN,BT_SPDIF – ustawia nazwę urządzenia na „BT_SPDIF” (20 znaków, 4 ostatnie to końcówka adresu MAC modułu).
  8. SP,1234 – ustawia PIN na „1234”.

Po skonfigurowaniu warto sprawdzić ustawienia poleceniem „D” (rysunek 5).

Rysunek 5. Konfiguracja RN52

Wyjście z trybu konfiguracji następuje po zdjęciu zwory CFG, moduł potwierdza to komunikatem „END”. Ustawienia są aktywne po restarcie modułu poleceniem „R,1” lub po wyłączeniu i włączeniu zasilania. Od tego momentu – w zależności od systemu – należy wyszukać urządzenia Bluetooth o nazwie „BT_SPDIF-xxxx” (rysunek 6).

Rysunek 6. Detekcja skonfigurowanego konwertera

Niepołączony moduł sygnalizuje stan pracy szybkim, naprzemiennym miganiem diod CN i DS. Po zatwierdzeniu instalowane są drivery dla urządzenia Bluetooth (konieczne połączenie z siecią Internet) – rysunek 7.

Rysunek 7. Instalowanie sterowników

Po zainstalowaniu we właściwościach urządzenia BT_SPDIF w zakładce Usługi jest dostępne urządzenie „Obiekt Sink Audio”, co potwierdza poprawne skonfigurowanie modułu (rysunek 8).

Rysunek 8. Lista dostępnych usług

Sygnalizowane jest to zgaszeniem diody DS i powolnym miganiem diody CN. Aby umożliwić przesył sygnału audio konieczne jest ustawienie w mikserze domyślnego urządzenia odtwarzającego (rysunek 9).

Rysunek 9. Ustawienie domyślnego urządzenia audio

Od tego momentu po podłączeniu do przetwornika DAC lub innego urządzenia z wejściem S/PDIF możemy cieszyć się bezprzewodowym dźwiękiem przesyłanym z komputera lub urządzenia przenośnego.

Adam Tatuś, EP

Wykaz elementów:
Rezystory:
  • R1: 47 kΩ (SMD 0805)
  • R2, R3: 1 kΩ (SMD 0805)
  • R4: 390 Ω/1% (SMD 0805)
  • R5: 91 Ω/1% (SMD 0805)
Kondensatory:
  • C1, C7: 0,1 µF (SMD 0805)
  • C2…C5: 10 µF (SMD 0805)
  • C6: 0,22 µF (SMD 0805)
  • CE1: 470 µF/16 V (elektrolit. R=3,5 mm)
Półprzewodniki:
  • U1: LM1117-3.3 (SOT-223)
  • U2: 74HC00 (SO14)
  • U3: 7805 (TO-220)
  • BR1: B10S (mostek prostowniczy SMD)
  • LD, LD1: dioda LED 3 mm
Pozostałe:
  • M1: RN52-I (moduł Bluetooth)
  • CFG: złącze SIP5
  • PWR: gniazdo zasilania 2,1 mm
  • SPDIF: złącze RCA CC134
Artykuł ukazał się w
Elektronika Praktyczna
styczeń 2015
DO POBRANIA
Pobierz PDF Download icon
Materiały dodatkowe
Elektronika Praktyczna Plus lipiec - grudzień 2012

Elektronika Praktyczna Plus

Monograficzne wydania specjalne

Elektronik listopad 2025

Elektronik

Magazyn elektroniki profesjonalnej

Raspberry Pi 2015

Raspberry Pi

Wykorzystaj wszystkie możliwości wyjątkowego minikomputera

Świat Radio listopad - grudzień 2025

Świat Radio

Magazyn krótkofalowców i amatorów CB

Automatyka, Podzespoły, Aplikacje listopad - grudzień 2025

Automatyka, Podzespoły, Aplikacje

Technika i rynek systemów automatyki

Elektronika Praktyczna listopad 2025

Elektronika Praktyczna

Międzynarodowy magazyn elektroników konstruktorów

Elektronika dla Wszystkich grudzień 2025

Elektronika dla Wszystkich

Interesująca elektronika dla pasjonatów