PAmp_LM4766 - wzmacniacz mocy audio 2×20W/8 Ω

PAmp_LM4766 - wzmacniacz mocy audio 2×20W/8 Ω
Pobierz PDF Download icon
Niewielka, stereofoniczna końcówka średniej mocy z zasilaczem, która może znaleźć zastosowanie w aktywnych zespołach głośnikowych, wzmacniaczach wielokanałowych lub w połączeniu z przedwzmacniaczem jako samodzielny wzmacniacz mocy.

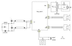
Moduł oparty jest na popularnym układzie LM4766 uzupełnionym zasilaczem symetrycznym. Zmontowana płytka jest gotowym blokiem funkcjonalnym systemu audio. Schemat układu przedstawiony jest na rysunku 1. Układy U1 (LM4766) pracują w konfiguracji nieodwracającej.

Sygnał wejściowy z gniazda IN, poprzez kondensatory separujące C5 i C6 jest doprowadzony do wejścia wzmacniacza. Rezystory R3, R5, R4 i R6 zamykają pętlę sprzężenia zwrotnego i ustalają wzmocnienie końcówki (czułość dla 20 W/8 V to ok. 1 Vrms). Obwody RC (R1/C1 i R2/C2) zapewniają stabilność wzmacniacza dla obciążeń indukcyjnych.

Rysunek 1. Schemat ideowy wzmacniacza

Rysunek 2. Schemat montażowy wzmacniacza

Zasilanie układu jest symetryczne i niestabilizowane, otrzymywane z prostownika BR1 oraz filtru CE3, CE4. Układ, w zależności od mocy wyjściowej, jest zasilany z transformatora 2×15...22 VAC i odpowiedniej wydajności prądowej.

Układ jest uzupełniony o obwód zewnętrznego wyciszania. Ze względu na odniesienie go do ujemnego bieguna zasilania VEE, co nie jest zbyt wygodne przy sterowaniu zewnętrznym, układ uzupełniono o transoptor IS. Zwarcie wyprowadzeń gniazda ON, aktywuje wzmacniacz.

Rysunek 3. Sposób włączenia wzmacniacza

Układ może być sterowany przekaźnikiem lub wyjściem typu OC, akceptującym napięcie do 35 V w stanie otwartym. Jeżeli nie ma potrzeby zdalnego wyciszania wzmacniacza, można pominąć elementy D1, R10, R11, IS, ON i zewrzeć wyprowadzenia 3-4 IS.

Wzmacniacz zmontowano na dwustronnej płytce drukowanej. Rozmieszczenie elementów przedstawia rysunek 2.

Montaż jest typowy i nie wymaga opisu. Ze względu na wydzielaną moc, U1 wymaga montażu na radiatorze o odpowiedniej powierzchni. Ze względu na połączenie wkładki radiatorowej z zasilaniem, należy zastosować podkładkę izolacyjną oraz oczywiście pastę termoprzewodzącą. Oczywiście możliwe jest zastosowanie wersji izolowanej LM4766TF i pominiecie podkładki izolacjnej.

Sposób włączenia wzmacniacza pokazano na rysunku 3. Możliwe jest także wykorzystanie wzmacniacza w wersji mostkowej, w tym celu do wejścia należy doprowadzić sygnały o przeciwnych fazach, a głośnik podłączyć do wyprowadzeń 1, wyjść OA,OB. Umożliwia to zastosowanie wzmacniacza np. w systemie 2.1 do zasilania głośnika niskotonowego i realizację toru wzmocnienia na identycznych wzmacniaczach kanałowych.

Miłego odsłuchu...

Adam Tatuś, EP

Artykuł ukazał się w
Elektronika Praktyczna
grudzień 2014
DO POBRANIA
Pobierz PDF Download icon
Materiały dodatkowe
Elektronika Praktyczna Plus lipiec - grudzień 2012

Elektronika Praktyczna Plus

Monograficzne wydania specjalne

Elektronik listopad 2025

Elektronik

Magazyn elektroniki profesjonalnej

Raspberry Pi 2015

Raspberry Pi

Wykorzystaj wszystkie możliwości wyjątkowego minikomputera

Świat Radio listopad - grudzień 2025

Świat Radio

Magazyn krótkofalowców i amatorów CB

Automatyka, Podzespoły, Aplikacje listopad - grudzień 2025

Automatyka, Podzespoły, Aplikacje

Technika i rynek systemów automatyki

Elektronika Praktyczna listopad 2025

Elektronika Praktyczna

Międzynarodowy magazyn elektroników konstruktorów

Elektronika dla Wszystkich grudzień 2025

Elektronika dla Wszystkich

Interesująca elektronika dla pasjonatów