Termometr z alarmem

Termometr z alarmem
Pobierz PDF Download icon

Prezentowany termometr oprócz tego, że wskazuje temperaturę, to dodatkowo czuwa, aby jej wartość nie przekroczyła ustawionej wartości górnej lub nie spadła poniżej ustawionej wartości dolnej. Doskonale sprawdzi się w roli wskaźnika temperatury pieca C.O. Będzie alarmował, gdy temperatura wody w instalacji zbliży się do temperatury wrzenia, a w innym wypadku zasygnalizuje, że temperatura spada i w palenisku pieca może wygasnąć.

Na ekranie głównym (rysunek 1) są wyświetlane podstawowe informacje. Wciskając przyciski „+” lub „–” przechodzimy pomiędzy oknami menu zgodnie z kolejnością pokazaną na rysunku 2. Funkcje pierwszych trzech okien nie powinny budzić wątpliwości. Naciskając przycisk „OK” przechodzimy do zmiany wartości wyświetlanego parametru, wtedy przyciskami „+” lub „–” zmieniamy wartość i potwierdzamy ponownie przyciskając „OK”. Wszystkie ustawienia zapamiętywane są w pamięci nieulotnej i odtwarzane przy włączaniu zasilania.

Rysunek 1. Ekran główny termometru
Rysunek 2. Układ menu

Przekroczenie wartości granicznej może być sygnalizowane sygnałem dźwiękowym i/lub zaświeceniem się podświetlenia wyświetlacza. W oknie „Sygnalizacja” można wybrać jedną z kilku opcji – wartość „wył” oznacza sygnalizację wyłączoną, „mod” oznacza sygnał przerywany, „wł” to sygnał ciągły. Gdy w trakcie sygnalizacji zostanie naciśnięty przycisk „OK”, to sygnalizacja dźwiękowa zostanie wyłączona, ale sygnalizacja świetlna nie. Gdy jest włączona funkcja rejestrowania wartości granicznych, to poniżej temperatury mierzonej jest wyświetlana wartość temperatury skrajnej przy ostatnim przekroczeniu. Na przykład, górna granica ustawiona na 80°C, temperatura doszła do 87°C i zaczęła spadać, to wyświetlona zostanie wartość „! 87°C”. Wartość ta będzie widoczna do czasu następnego przekroczenia lub do naciśnięcia przycisku „ESC”.

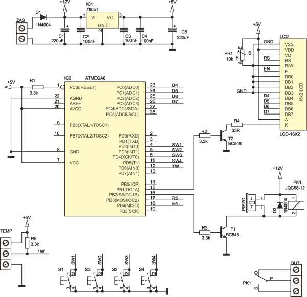
Rysunek 3. Schemat ideowy termometru

Schemat ideowy pokazano na rysunku 3. Kluczowym elementem termometru jest mikrokontroler ATmega8 i zawarty w jego pamięci program. Do komunikacji z użytkownikiem służy wyświetlacz 2 linie × 16 znaków oraz 4 przyciski. Sygnalizacja przekroczenia wartości granicznych jest realizowana poprzez sterowanie podświetleniem wyświetlacza oraz sygnalizatorem dźwiękowym. Równolegle do sygnalizatora jest dołączony przekaźnik, którego styki mogą włączać inne urządzenie. Do zasilania układu jest niezbędne napięcie stałe 9…14 V o wydajności ok 200 mA.

Rysunek 4. Schemat montażowy termometru

Schemat montażowy termometru pokazano na rysunku 4. Montaż nie powinien sprawić problemów nawet mniej wprawionym elektronikom. Po zmontowaniu płytki, zanim zostanie umieszczona w obudowie, należy dołączyć zasilanie i wyregulować kontrast wyświetlacza kręcąc potencjometrem P1. Jeśli na wyświetlaczu ukaże wskazanie temperatury, to uruchomienie można uznać za zakończone. Do płytki warto dołączyć panel czołowy – do pól miedzi na panelu należy przylutować śruby M3, aby przeszły przez otwory w płytce termometru a następnie przykręcić nakrętki. Teraz można usunąć przednią ściankę obudowy KM-50 i zastosować w jej miejsce przygotowany panel frontowy.

Jako czujnik warto zastosować profesjonalnie wykonany czujnik temperatury – DS18B20 MOD. Przewód połączeniowy należy przeprowadzić przez tylną ściankę obudowy, gdyby przewód okazał się za krótki można go przedłużyć stosując skrętkę komputerową lub lepiej przewód audio – dwie żyły w ekranie. Tak połączony czujnik działa prawidłowo nawet z przewodem o długości 30 m. Również z tyłu obudowy powinien wychodzić przewód zasilający – należy pamiętać, że urządzenie wymaga napięcia ok 12 V DC np. z zasilacza wtyczkowego.

KS

Wykaz elementów:
Rezystory:
  • R1, R2, R3, R5: 3,3 kΩ
  • R4: 33 Ω
  • PR1: 10 kΩ
Kondensatory:
  • C1, C5: 220 μF/16 V
  • C2…C4: 100 nF (SMD 1206)
Półprzewodniki:
  • D1, D2: 1N4007
  • T1, T2: BC547
  • IC1: 7805
  • IC2: ATmega8 (zaprogramowany)
Inne:
  • LCD: wyświetlacz LCD 2×16
  • PK1: przekaźnik JQC68-12V
  • S1...S4: przycisk miniaturowy 17 mm
  • ZAS, OUT, TEMP: ARK500
  • PIEZZO: piezo z generatorem 12 V
ZOBACZ WIDEO DO TEGO PROJEKTU
AVT1830 - Sygnalizator temperatury do pieca CO. Termometr z alarmem
Play btn
AVT1830 - Sygnalizator temperatury do pieca CO. Termometr z alarmem
Artykuł ukazał się w
Elektronika Praktyczna
listopad 2014
DO POBRANIA
Pobierz PDF Download icon
Materiały dodatkowe
Elektronika Praktyczna Plus lipiec - grudzień 2012

Elektronika Praktyczna Plus

Monograficzne wydania specjalne

Elektronik listopad 2025

Elektronik

Magazyn elektroniki profesjonalnej

Raspberry Pi 2015

Raspberry Pi

Wykorzystaj wszystkie możliwości wyjątkowego minikomputera

Świat Radio listopad - grudzień 2025

Świat Radio

Magazyn krótkofalowców i amatorów CB

Automatyka, Podzespoły, Aplikacje listopad - grudzień 2025

Automatyka, Podzespoły, Aplikacje

Technika i rynek systemów automatyki

Elektronika Praktyczna listopad 2025

Elektronika Praktyczna

Międzynarodowy magazyn elektroników konstruktorów

Elektronika dla Wszystkich grudzień 2025

Elektronika dla Wszystkich

Interesująca elektronika dla pasjonatów