Stereofoniczny 24-bitowy przetwornik C/A do profesjonalnych systemów audio

Stereofoniczny 24-bitowy przetwornik C/A do profesjonalnych systemów audio

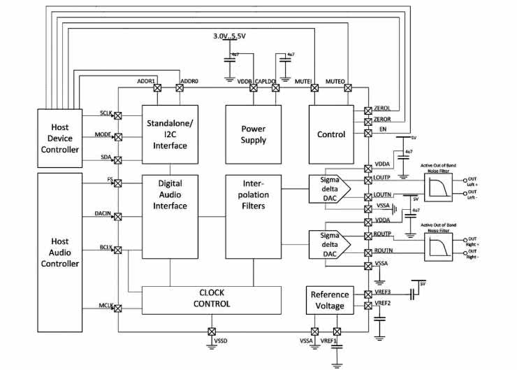
W ofercie firmy Nuvoton pojawił się nowy, stereofoniczny przetwornik C/A do profesjonalnych systemów audio. NAU8421YG to przetwornik o 24-bitowej rozdzielczości, dużej dynamice, niewielkich zniekształceniach i przesłuchach międzykanałowych oraz skutecznym tłumieniu tętnień obecnych na linii zasilania. Zawiera interfejsy wejściowe I²S i PCM oraz wyjście różnicowe o zakresie pełnej skali 8,3 VP-P, eliminujące konieczność stosowania dodatkowych wzmacniaczy.

NAU8421YG może pracować z częstotliwością próbkowania od 8 do 192 kHz. Charakteryzuje się stosunkiem sygnału do szumu 128 dB, zawartością harmonicznych i szumów na poziomie –99 dB oraz separacją kanałów dochodzącą do 140 dB @ 1 kHz. Ma to znaczenie w systemach wielokanałowych oraz w zastosowaniach studyjnych, gdzie jednocześnie przetwarzane są sygnały znacznie różniące się amplitudą. Wysoki współczynnik tłumienia tętnień zasilania (105 dB @ 1 kHz) ułatwia integrację z systemami, w których jakość sygnału zasilającego może być ograniczona przez inne bloki funkcjonalne.

NAU8421YG pracuje z oddzielnymi napięciami zasilania sekcji cyfrowej i analogowej, wynoszącymi od 3,3 do 5 V. Jego typowy pobór mocy na poziomie kilkudziesięciu mW pozwala na zastosowania w urządzeniach energooszczędnych. Konfiguracja parametrów pracy odbywa się za pomocą magistrali I²C, przy czym część funkcji może być wybierana sprzętowo, poprzez odpowiednie sterowanie wyprowadzeniami, co umożliwia pracę w trybie autonomicznym, bez udziału mikrokontrolera. Mechanizmy automatycznego wykrywania sygnału zegarowego upraszczają sekwencje uruchamiania i wyłączania systemu oraz zmniejszają ryzyko generowania zakłóceń podczas zmiany trybu zasilania.

NAU8421YG jest zamykany w obudowie QFN-32 o powierzchni 5×5 mm. Może pracować w zakresie temperatury otoczenia od –40 do +85°C. Jego typowe zastosowania obejmują m.in. instrumenty muzyczne, profesjonalne systemy audio/wideo i konsole do gier.

www.nuvoton.com

Elektronika Praktyczna Plus lipiec - grudzień 2012

Elektronika Praktyczna Plus

Monograficzne wydania specjalne

Elektronik kwiecień 2026

Elektronik

Magazyn elektroniki profesjonalnej

Raspberry Pi 2015

Raspberry Pi

Wykorzystaj wszystkie możliwości wyjątkowego minikomputera

Świat Radio maj - czerwiec 2026

Świat Radio

Magazyn krótkofalowców i amatorów CB

Automatyka, Podzespoły, Aplikacje kwiecień 2026

Automatyka, Podzespoły, Aplikacje

Technika i rynek systemów automatyki

Elektronika Praktyczna kwiecień 2026

Elektronika Praktyczna

Międzynarodowy magazyn elektroników konstruktorów

Elektronika dla Wszystkich kwiecień 2026

Elektronika dla Wszystkich

Interesująca elektronika dla pasjonatów