Jednochipowy enkoder wieloobrotowy o zakresie pomiarowym 46 obrotów i dokładności ±0,25°

Jednochipowy enkoder wieloobrotowy o zakresie pomiarowym 46 obrotów  i dokładności ±0,25°

Dostępne obecnie na rynku monolityczne czujniki położenia obrotowego i enkodery oferują zakres pomiaru 360°.

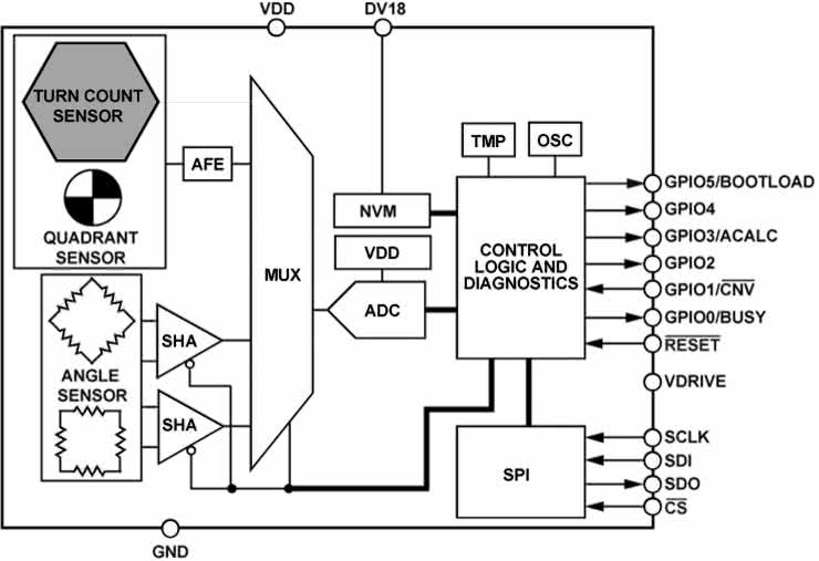
Systemy wymagające dodatkowo zliczania obrotów zazwyczaj wymagają zastosowania dodatkowych komponentów mechanicznych lub zapasowego źródła zasilania do śledzenia ruchu przy wyłączonym napięciu. ADMT4000 jest pierwszym na rynku wieloobrotowym czujnikiem położenia, zrealizowanym na pojedynczym chipie i oferującym zakres pomiarowy 46 obrotów (16560°) i dokładność na poziomie ±0,25°. Pozwala on zrewolucjonizować konstrukcję siłowników, eliminując potrzebę stosowania przetworników liniowych, dużych mechanizmów przekładni redukcyjnych lub konieczność ciągłego zasilania systemu. Nowy czujnik znacznie ułatwia projektowanie aktuatorów, umożliwiając zmniejszenie rozmiaru, masy i kosztów urządzeń końcowych.

Konstrukcja układu została oparta na 3 sensorach pola magnetycznego (GMR – do zliczania obrotów oraz GMR – kwadrantowy i AMR – do pomiaru kąta w zakresie 360°). Komunikacja z mikroprocesorem odbywa się przez interfejs SPI. ADMT4000 zawiera też detektor podnapięciowy i nadnapięciowy oraz czujnik temperatury. Omawiany enkoder charakteryzuje się szybkością próbkowania 100 kSps, zakresem zewnętrznego pola magnetycznego 16...31 mT i dopuszczalną temperaturą pracy złącza wynoszącą –40...+150°C. Jego zakres zastosowań obejmuje siłowniki i napędy stosowane w robotach przemysłowych, motoryzacji, przemyśle lotniczym i wojskowym oraz w aparaturze medycznej. Układ jest zamykany w obudowie TSSOP-24.

www.analog.com

Elektronika Praktyczna Plus lipiec - grudzień 2012

Elektronika Praktyczna Plus

Monograficzne wydania specjalne

Elektronik listopad 2025

Elektronik

Magazyn elektroniki profesjonalnej

Raspberry Pi 2015

Raspberry Pi

Wykorzystaj wszystkie możliwości wyjątkowego minikomputera

Świat Radio listopad - grudzień 2025

Świat Radio

Magazyn krótkofalowców i amatorów CB

Automatyka, Podzespoły, Aplikacje listopad - grudzień 2025

Automatyka, Podzespoły, Aplikacje

Technika i rynek systemów automatyki

Elektronika Praktyczna listopad 2025

Elektronika Praktyczna

Międzynarodowy magazyn elektroników konstruktorów

Elektronika dla Wszystkich grudzień 2025

Elektronika dla Wszystkich

Interesująca elektronika dla pasjonatów