Akcelerometr o zakresie pomiarowym od ±15,5 do ±500 g do samochodowych systemów bezpieczeństwa

Akcelerometr o zakresie pomiarowym od ±15,5 do ±500 g do samochodowych systemów bezpieczeństwa

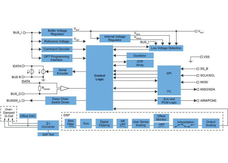
FXLS90 to nowy akcelerometr z oferty firmy NXP, przeznaczony do zastosowań w systemach bezpieczeństwa pojazdów, m.in. do wykrywania kolizji. Występuje w wersjach o zakresie pomiarowym od ±15,5 g do ±500 g. Komunikuje się z mikroprocesorem za pośrednictwem interfejsów DSI3 i SPI. Oferuje tryb autodiagnostyki, działający równolegle z trybem pomiaru periodycznego. Programowanie slotów czasowych odbywa się z rozdzielczością 1 μs. Użytkownik może również wybrać szybkość transmisji danych (125 lub 189 kBd), rozdzielczość (10 lub 16 bitów) i mechanizm detekcji błędów (CRC lub kontrolę parzystości).

FXLS90 zawiera sensor MEMS i blok ASIC do kondycjonowania sygnału. Całość jest zamknięta w obudowie QFN (4,0×4,0×1,45 mm) z wyprowadzeniami wettable flank, ułatwiającymi prowadzenie inspekcji optycznej. Może pracować w temperaturze otoczenia od –40 do +125°C. Uzyskał kwalifikację AEC-Q100 i spełnia wymogi normy branżowej AK LV 27.

www.nxp.com

{$in-article-module}
Elektronika Praktyczna Plus lipiec - grudzień 2012

Elektronika Praktyczna Plus

Monograficzne wydania specjalne

Elektronik luty 2026

Elektronik

Magazyn elektroniki profesjonalnej

Raspberry Pi 2015

Raspberry Pi

Wykorzystaj wszystkie możliwości wyjątkowego minikomputera

Świat Radio marzec - kwiecień 2026

Świat Radio

Magazyn krótkofalowców i amatorów CB

Automatyka, Podzespoły, Aplikacje styczeń - luty 2026

Automatyka, Podzespoły, Aplikacje

Technika i rynek systemów automatyki

Elektronika Praktyczna styczeń - luty 2026

Elektronika Praktyczna

Międzynarodowy magazyn elektroników konstruktorów

Elektronika dla Wszystkich luty 2026

Elektronika dla Wszystkich

Interesująca elektronika dla pasjonatów