STM32 dla początkujących (i nie tylko). Przetwornik analogowo - cyfrowy

STM32 dla początkujących (i nie tylko). Przetwornik analogowo - cyfrowy
Pobierz PDF Download icon
W tym artykule zajmiemy się przetwarzaniem sygnału analogowego na postać cyfrową. W mikrokontrolerach STM32F służą do tego przetworniki analogowo - cyfrowe wbudowane w strukturę. Opisy i przykłady będą dotyczyły sposobu uruchomienia konwersji oraz różnych trybów pracy przetwornika.

Przetwornik - blok o nazwie ADC - zamienia poziom napięcia wejściowego na równoważną reprezentację binarną. O tym jak wierne jest cyfrowe odwzorowanie sygnału analogowego decydują parametry przetwornika. W mikrokontrolerze STM32F103RB zamontowanym na Panelu Edukacyjnym przetwornik ma następujące parametry:

  • Liczba przetworników pracujących niezależnie: 2.
  • Rozdzielczość 12-bitowa (możliwość konwersji mierzonego napięcia analogowego na wartość binarną z zakresu 0...4095).
  • Minimalny czas trwania konwersji 1 ms.
  • 16 niezależnych kanałów pomiarowych (oraz zawarte wewnątrz struktury kontrolera kanały dodatkowe np. czujnik temperatury).
  • Rozdzielone zasilania przetworników (w przypadku STM32F103RB będące także napięciami referencyjnymi) od zasilania pozostałych cyfrowych układów kontrolera. Zasilanie przetworników napięcie z przedziału 2,4...3,6 V. Podany na wejście pomiarowe sygnał nie może przekroczyć poziomu napięcia zasilania (referencyjnego).
  • Różne tryby pracy i wyzwalania pomiaru.
  • Możliwość pracy przetworników w trybie analogowego watchdoga (po przekroczeniu określonego poziomu napięcia na wybranym wejściu może nastąpić przerwanie i programowy restart mikrokontrolera).

Przetworniki mogą pracować niezależnie, jednak należy pamiętać, że każdy z 16 kanałów pomiarowych (wejść) jest wspólny dla obu przetworników.

Tryby pracy

Przetworniki zawarte w strukturze STM32F103RB mogą pracować w różnych trybach pracy. Oznacza to zmianę sposobu wykonywania konwersji i jej wyzwalania.

  1. Pomiar jednorazowy lub ciągły. W drugim przypadku przetwornik po zainicjowaniu działa automatycznie i nieprzerwanie dokonuje konwersji napięć z wcześniej przyporządkowanych kanałów.
  2. Praca z pojedynczym kanałem lub grupą. W drugim wypadku po zakończeniu konwersji przetwornik automatycznie rozpoczyna konwersję napięcia kolejnego kanału z wcześniej przyporządkowanej grupy.
  3. Praca w trybie regular (podstawowej) lub injected (wstrzykiwanej). Konwersje wykonywane w trybie injected mają wyższy priorytet niż regular. Można zaprogramować pomiar w dwóch grupach, do których zostaną przydzielone różne kanały przetwornika. Wyzwolenie pomiaru injected będzie przerywało trwające właśnie pomiary z grupy regular. Dodatkowo, wyniki konwersji grupy injected umieszczane są w 4 oddzielnych rejestrach danych. Natomiast wyniki kolejnych konwersji grupy regular umieszczane są we wspólnym rejestrze danych. Może to grozić nadpisaniem poprzedniego wyniku, nieodczytanego jeszcze przez program przez nowy.
  4. Wyzwalanie pomiarów programowe lub sprzętowe. W pierwszym przypadku start konwersji następuje po wykonaniu przez główny program komendy sterującej. W drugim przypadku konwersja zostaje uruchomiona przez zdarzenie generowane przez stan licznika lub podanie wysokiego poziomu napięcia na port EXTI kontrolera.

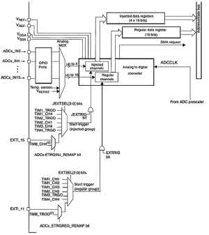
Budowa przetwornika A/C

Rysunek 1. Uproszczony schemat blokowy przetwornika A/C mikrokontrolera STM32F103RB

Na rysunku 1 pokazano schemat blokowy przetwornika A/C. Rysunek jest uproszczoną wersją schematu z dokumentacji technicznej kontrolera. Konwersja analogowej wartości napięcia na postać cyfrową jest wykonywana w bloku analog to digital converter. Zależnie od ustawionego trybu pracy, wynik jest umieszczany albo we wspólnym dla wszystkich kanałów rejestrze danych regular data register, albo w jednym z 4 rejestrów injected data registers. Do rejestrów danych ma dostęp oprogramowanie kontrolera.

Napięcie do konwersji wybierane jest przez analogowy multiplekser spośród jednego z 16 kanałów ADCx_IN0...15 lub z dodatkowego wewnętrznego źródła np. z sensora temperatury.

Sprzętowe wyzwalanie konwersji odbywa się oddzielnie dla grup regular i injected. Źródłem sygnału wyzwolenia konwersji mogą być TIMER-y lub stan wysoki podany na wejścia portów EXTI. Dokładny opis źródeł wyzwalania dla każdego konwertera i trybu pomiaru można znaleźć w dokumentacji w rozdziale Conversion on external trigger.

Pokazane na rysunku rozdzielone wyprowadzenia zasilania (Vdda, Vssa) i (Vref+, Vref-) dla kontrolera STM32F103RB w obudowie z 64 wyprowadzeniami są wewnętrznie odpowiednio połączone.

Funkcje biblioteczne konwertera ADC

Zmian ustawień konwerterów ADC dokonuje się poprzez rejestry sterujące. Opis rejestrów i ich bitów znajduje się w dokumentacji technicznej w rozdziale ADC registers. Zamiast bezpośrednio operować na rejestrach można także posłużyć się funkcjami z biblioteki STM32F10x Standard Peripherals Firmware Library.

Po otwarciu pliku stm32f10x_stdperiph_lib_um.chm i wpisaniu w polu wyszukiwarki skrótu "ADC" i wybraniu ADC_Exported_Functions wyświetlone zostaną funkcje obsługujące przetwornik. Funkcje pozwalają przeprowadzić auto kalibrację przetwornika, ustawić tryb pracy, zainicjować konwersję i odczytać wynik z rejestru danych. W opisach procedur i przykładach będę korzystał właśnie z tych funkcji.

Czas konwersji

W przetwornikach STM32F103 minimalny czas konwersji wynosi 1 µs, co oznacza maksymalną szybkość próbkowania 1 MS/s. Sam przetwornik może być taktowany zegarem o częstotliwości nieprzekraczającej 14 MHz. Każda konwersja wymaga minimum 14 cykli zegarowych.

Dla osiągnięcia maksymalnej szybkości należy odpowiednio ustawić wewnętrzne zegary kontrolera. Przede wszystkim magistrala danych APB2 powinna być taktowana zegarem o częstotliwości 56 MHz. Do zmiany tego ustawienia można wykorzystać plik system_stm32f10x.c i zmodyfikować go.

W plikach przykładów ustawienie częstotliwości wewnętrznego zegara systemowego wygląda następująco:

/* #define SYSCLK_FREQ_HSE HSE_VALUE */
/* #define SYSCLK_FREQ_24MHz 24000000 */
#define SYSCLK_FREQ_36MHz 36000000
/* #define SYSCLK_FREQ_48MHz 48000000 */
/* #define SYSCLK_FREQ_56MHz 56000000 */
/* #define SYSCLK_FREQ_72MHz 72000000 */

Po zmianie plik powinien wyglądać następująco:

/* #define SYSCLK_FREQ_HSE HSE_VALUE */
/* #define SYSCLK_FREQ_24MHz 24000000 */
/* #define SYSCLK_FREQ_36MHz 36000000
/* #define SYSCLK_FREQ_48MHz 48000000 */
#define SYSCLK_FREQ_56MHz 56000000 */
/* #define SYSCLK_FREQ_72MHz 72000000 */

Funkcja dołączająca zegar magistrali APB2 do przetwornika RCC_ADCCLKConfig(RCC_PCLK2_Div4) dzieli go przez cztery: 56 MHz/4=14 MHz. Ponieważ do konwersji potrzeba minimum 14 cykli zegara uzyskana zostanie maksymalna szybkość konwersji równa 1 MHz.

Przykładowe procedury i ustawienia Panelu Edukacyjnego

Rysunek 2. Fragment schematu z elementami dołączonymi do wejścia analogowego IN3

Podane w dalszej części artykułu przykłady łatwo można przetestować przy pomocy Panelu Edukacyjnego. Jako pojedyncze wejście analogowe wykorzystano kanał IN3 będący portem PA3. Do uzyskania testowego napięcia o zmiennym poziomie służy zamontowany na płytce Panelu potencjometr R9. Fragment schematu z elementami dołączonymi do wejścia analogowego IN3 pokazany został na rysunku 2.

Do wyświetlenia wyników konwersji zastosowano 2-liniowy wyświetlacz LCD, który należy dołączyć do złącza J5. W niektórych przykładach dodatkowymi elementami sygnalizacyjnymi mogą być niektóre z diod D1...D8. Jeżeli jako źródło mierzonego napięcia będzie wykorzystywany potencjometr zamontowany na płytce, należy założyć zworę na złączu JP4.

Przy pisaniu programów demonstracyjnych wykorzystano przykłady dostępne w sekcji STM32F10x_StdPeriph_ Examples biblioteki STM32F10x Standard Peripherals Firmware Library. Przykłady pokazują typowe sposoby wykorzystania przetwornika ADC. Mogą być łatwo zmieniane i adoptowane do potrzeb użytkownika.

Programy demonstracyjne przystosowane są do natychmiastowego uruchomienia w pakiecie KEIL5. Wszystkie przykłady należy umieścić w podkatalogu wewnątrz biblioteki: ProjectSTM32F10x_StdPeriph_TemplatePodkatalog_ przykładu. Źródła czyli pliki .c i .h powinno dać się bez problemu dostosować do innych typów pakietów programistycznych współpracujących z biblioteką STM32F10x_StdPeriph_ Examples biblioteki STM32F10x Standard Peripherals Firmware Library.

Przetwornik A/C w trybie konwersji ciągłej

Listing 1. Procedura inicjująca przetwornik ADC1 (tryb pracy ciągłej)

W tym przykładzie po zainicjowaniu przetwornik dokonuje ciągłych pomiarów napięcia na wejściu IN3. Pracuje w trybie regular co oznacza, że wyniki kolejnych pomiarów umieszczane są w tym samym rejestrze regular data register. Procedura inicjując przetwornik A/C może wyglądać jak na listingu 1.

Najpierw port PA3 inicjowany jest do pracy jako wejście analogowe kanału 3 przetwornika. Podłączane są impulsy zegarowe do portu i przetwornika. Następnie ADC1 ustawiany jest w trybie pracy ciągłej. Wynik konwersji będzie wyrównywany do prawej, co znaczy, że będzie umieszczany w 12 mniej znaczących bitach 16 bitowego rejestru danych. Po włączeniu przetwornika powinna zostać przeprowadzona procedura auto kalibracji. Na koniec komendą ADC_ SoftwareStartConvCmd(ADC1, ENABLE) włączany zostaje proces ciągłej konwersji.

Odczyt wyniku konwersji rozkazem ADC_ GetConversionValue(ADC1) odbywa się w nieskończonej pętli głównej procedury main(). Na wyświetlaczu będzie wyświetlany wynik ciągłej konwersji. Przy założeniu, że napięcie zasilania (referencyjne) wynosi 3,3 V wynik zamieniany jest na mV i wyświetlany.

Przetwornik A/C wyzwalany zboczem narastającym wejścia EXTI15

Listing 2. Procedura inicjująca przetwornik ADC1 (tryb pracy injected)

W drugim przykładzie kolejny pomiar jest wyzwalany zboczem narastającym impulsu podawanego na wejście EXTI15. Wejście to połączone jest z portem PB15. Jak można zauważyć na rys. 1, to wejście inicjuje pomiar w trybie injected. Procedurę inicjowania przetwornika A/C w trybie injected przedstawiono na listingu 2.

Jak poprzednio (list. 1) jako pierwszy jest inicjowany port PA3 i są włączane zegary do portu i przetwornika. Następnie ADC1 inicjowany jest do pracy w trybie wyzwalania pomiaru przez zewnętrzne wejście EXTI15. Wynik konwersji będzie wyrównywany do prawej. Przetwornik ustawiany jest do pracy w trybie injected w grupie z jednym wejściem IN3 przyporządkowanym do injected channel 1. Po włączeniu przetwornika przeprowadzana jest jego kalibracja. Jeżeli teraz na wejście portu PB15 podany zostanie impuls, jego przednie zbocze wyzwoli kolejną konwersję przetwornika. Dioda D8 będzie sygnalizować stan napięcia na wejściu PB15 o ile zostanie założona zwora JP6 15-16.

Wynik konwersji odczytywany jest w pętli głównej procedury main() rozkazem ADC_GetInjectedConversionValue(ADC1, ADC_InjectedChannel_1). Tak jak poprzednio wynik konwersji wyświetlany jest w mV.

Przetwornik A/C wyzwalany przez Timer 2

Lisitng 3. Procedura inicjująca przetwornik ADC1 (tryb wyzwalany synchronicznie za pomocą Timera 2)

Trzeci przykład służy do pokazania jak do wyzwalania pomiaru ADC1 można wykorzystać Timer 2. Takie rozwiązanie pozwala dokonać serii pomiarów w sposób całkowicie automatyczny. W omawianym przykładzie można ustawić czas pomiaru w zakresie od 1 do 65565 sekund. Wykorzystując do wyzwalania pomiaru TIMER2 i jego kanał 2, ADC1 musi pracować w trybie regular. Procedurę inicjowania pokazano na listingu 3.

Procedura jest bardzo podobna do tej z list. 2. Różnica polega na wskazaniu jako źródła wyzwalania pomiaru licznika TIMER2 i jego kanału 2: ADC_ExternalTrigConv_T2_ CC2. Ponieważ konwerter będzie pracował w trybie regular nie ma potrzeby ustawiania sekwencera trybu injected.

W głównym programie main() po wywołaniu procedury inicjacji przetwornika ADC następuje inicjacja TIMER2. Będzie on pracował jako PWM z impulsami generowanymi przez kanał CC2 i wyprowadzonymi na porcie PA1. Po uruchomieniu licznika procedurą Start_TIMER2() rozpoczyna się automatyczne wyzwalanie ADC1 co 6 sekund i zapis wyniku konwersji do rejestru danych.

Użyte w przykładzie przerwanie TIMER2 służy jedynie do zwiększenia licznika kolejnego pomiaru numer_konwersji. Stan licznika i wartość ostatniego pomiaru wyświetlane są na wyświetlaczu. Jeżeli połączy się przewodem wyjście PA1 (złącze J6) z którąś z diod sygnalizacyjnych (złącze JP6) świecenie diody będzie wskazywać moment wykonywania kolejnego pomiaru.

Ryszard Szymaniak, EP

Artykuł ukazał się w
Elektronika Praktyczna
marzec 2015
DO POBRANIA
Pobierz PDF Download icon
Elektronika Praktyczna Plus lipiec - grudzień 2012

Elektronika Praktyczna Plus

Monograficzne wydania specjalne

Elektronik listopad 2025

Elektronik

Magazyn elektroniki profesjonalnej

Raspberry Pi 2015

Raspberry Pi

Wykorzystaj wszystkie możliwości wyjątkowego minikomputera

Świat Radio listopad - grudzień 2025

Świat Radio

Magazyn krótkofalowców i amatorów CB

Automatyka, Podzespoły, Aplikacje listopad - grudzień 2025

Automatyka, Podzespoły, Aplikacje

Technika i rynek systemów automatyki

Elektronika Praktyczna listopad 2025

Elektronika Praktyczna

Międzynarodowy magazyn elektroników konstruktorów

Elektronika dla Wszystkich grudzień 2025

Elektronika dla Wszystkich

Interesująca elektronika dla pasjonatów