Widmo jak na dłoni - moduł spektrometru Hamamatsu C16767MA

Widmo jak na dłoni - moduł spektrometru Hamamatsu C16767MA

Spektrometria optyczna – czyli szeroki wachlarz technik bazujących na analizie składu widmowego światła absorbowanego, odbijanego lub emitowanego przez badany obiekt – znalazła niezliczone zastosowania w technologii materiałowej i chemicznej, medycynie i inżynierii biomedycznej, biotechnologii, a nawet… kolorymetrii. Większości osób, które miały w swojej karierze zawodowej (lub akademickiej) kontakt np. ze spektrofotometrem, spektrometria kojarzy się raczej z relatywnie sporym, ciężkim i delikatnym urządzeniem stacjonarnym. Firma Hamamatsu zerwała z tradycyjnym podejściem do technik analizy widma optycznego, wprowadzając na rynek serię minispektrometrów o rozmiarze zbliżonym do… połowy kciuka. W artykule pokazujemy krok po kroku, w jaki sposób można zaimplementować taki spektrometr we własnym projekcie, korzystając z niemal dowolnej platformy sprzętowej wyposażonej w przetwornik ADC i kilka cyfrowych linii GPIO.

Budowa klasycznego spektrometru opiera się na dość złożonym układzie elektroniczno-mechaniczno-optycznym, w którym światło jest najpierw rozszczepiane w celu dekompozycji wiązki wejściowej do postaci wiązki wachlarzowej, w której kąt propagacji poszczególnych promieni zależy od długości fali. Następnie wiązka wachlarzowa pada na przesuwną szczelinę, której precyzyjne pozycjonowanie umożliwia wybór pożądanej długości fali (a raczej wąskiego zakresu fal). I już taki pobieżny opis doskonale oddaje podstawowe problemy tej technologii: w celu uzyskania akceptowalnej jakości pomiarów konstruktor musi stawić czoło szeregowi wyzwań, w tym przede wszystkim rozważyć następujące aspekty:

  • stateczność mechaniczna – elementy statyczne (układ optyczny, fotodetektor, system szczeliny przesuwnej) muszą być zamontowane w sztywnej, odpornej na zmiany temperatury „ramie”, która zapewni stałe pozycje poszczególnych elementów względem siebie,
  • precyzja i powtarzalność pozycjonowania – rzeczywiste położenie szczeliny w plamie światła rozszczepionego bezpośrednio wpływa na wynikową dokładność pomiaru,
  • dynamika pomiaru – przeskanowanie całego dostępnego widma (lub jego sporego fragmentu) wymaga dość długiego czasu, dlatego mechaniczne spektrometry zupełnie nie nadają się do prowadzenia pomiarów zjawisk szybkozmiennych,
  • niski poziom sygnału wyjściowego – ilość światła docierającego do fotodetektora zależy nie tylko od natężenia wiązki wejściowej, ale także od szerokości szczeliny – im jest ona węższa, tym lepsza rozdzielczość widmowa (mierzona w nanometrach), ale także niższy poziom sygnału. Z tego względu spektrometry wymagają stosowania wysokiej klasy, bardzo czułych i niskoszumowych układów pomiarowych współpracujących z fotodetektorem,
  • charakterystyka widmowa fotoelementu – sam czujnik również wpływa na poziom sygnału fotoelektrycznego. Pod uwagę trzeba wziąć nie tylko charakterystykę spektralną (musi ona obejmować całe docelowe widmo, które ma być badane w spektrometrze), ale także powierzchnię fotoelementu – większy czujnik to zwykle lepsze parametry szumowe, zwłaszcza w zakresie bardzo słabych sygnałów (podobna sytuacja ma miejsce w matrycach kamer i aparatów fotograficznych),
  • rodzaj szkła elementów optycznych – optyka spektrometru musi uwzględniać docelowe widmo badanych zjawisk/obiektów, stąd np. zwykłe soczewki odpadają w przedbiegach w przypadku spektrometrów chociażby lekko zahaczających o zakres ultrafioletu – konieczne okazuje się stosowanie np. znacznie droższego szkła kwarcowego.

Te i inne aspekty sprawiają, że budowa dobrej klasy spektrometru od zera jest zadaniem trudnym, pracochłonnym i kosztownym, osiągalnym tylko dla niektórych, wysoce zaawansowanych technologicznie przedsiębiorstw.

Fotonika na wyciągnięcie ręki – minispektrometry OEM

Wszystkie opisane powyżej bolączki można rozwiązać, stosując gotowy moduł spektrometru OEM. Bohater tego artykułu – niewielki moduł o oznaczeniu C16767MA japońskiej marki Hamamatsu Photonics K.K. – należy do rodziny minispektrometrów o wymiarach 20,1×12,5×10,1 mm (fotografia 1, rysunek 1) i masie zaledwie… 5 gramów!

Fotografia 1. Widok spektrometru z serii Micro marki Hamamatsu [1]
Rysunek 1. Wymiary minispektrometrów z serii Micro marki Hamamatsu [2]

Tak imponująca miniaturyzacja była możliwa dzięki zastosowaniu technologii w pełni statycznej, tj. pozbawionej jakichkolwiek elementów ruchomych, mało tego – sama optyka także została zredukowana do absolutnego minimum. Światło wpada do wnętrza obudowy przez uszczelnione okno optyczne, a następnie przechodzi przez szczelinę wejściową (rysunek 2, fotografia 2), której zadaniem jest rozproszenie wiązki i skierowanie jej na specjalną siatkę dyfrakcyjną, zbudowaną w oparciu o odpowiednio zakrzywione podłoże.

Rysunek 2. Budowa spektrometru [2]
Fotografia 2. Mikrofotografia struktury zawierającej szczelinę wejściową i układ ASIC [2]

Światło ulega rozszczepieniu i pada na jednorzędowy liniał pomiarowy CMOS, umieszczony po wewnętrznej stronie pokrywy spektrometru. Co ciekawe, szczelina jest wykonana w tej samej strukturze krzemowej, co… wbudowany układ ASIC oraz współpracujący z nim czujnik obrazu 1D. Taka konstrukcja jest nieprzypadkowa, oferuje bowiem dwie bardzo ważne zalety: po pierwsze, struktura doskonale „trzyma” wymiary, co wpływa na większą powtarzalność produkcji; po drugie zaś jakość wykończenia brzegów szczeliny jest zapewniona przez stabilny i ultraprecyzyjny proces produkcji półprzewodnikowej. W istocie jedynym elementem umieszczonym poza samym czipem jest zatem siatka dyfrakcyjna. Całość znajduje się w solidnej, metalowej puszce, co z kolei gwarantuje sporą odporność mechaniczną i termiczną oraz wysoką sztywność całej konstrukcji.

Trochę liczb – parametry techniczne

Spektrometr C16767MA jest – pod względem konstrukcyjnym – klonem wprowadzonego na rynek wiele lat wcześniej modułu C12880MA (oczywiście także marki Hamamatsu). Inne są natomiast podstawowe parametry optyczne, a przez to także docelowe zastosowania. O ile bowiem model C12880MA jest pełnoprawnym spektrometrem klasy UV-VIS-IR (jego spektrum obejmuje bowiem zakres długości fali od 340 nm do 850 nm), o tyle nowy model C16767MA jest już przeznaczony niemal wyłącznie do analizy w widmie ultrafioletu (zahaczającym nieco o obszar widzialny) – w tym przypadku mówimy o przedziale 190...440 nm, intensywnie eksploatowanym m.in. w badaniach biologicznych. Ze względu na zastosowanie matrycy CMOS o tej samej rozdzielczości, równej 288 pikseli, różne są także uzyskiwane rozdzielczości widmowe – wersja C16767MA dzieli widmo wiązki wejściowej na pasma o szerokości około 5,5...8 nm, podczas gdy w modelu C12880MA wartość ta oscyluje wokół 15 nm.

Pozostałe parametry są takie same dla obydwu modeli. Rozmiar pikseli wynosi 14×200 μm, zaś szczeliny: 50×500 μm. Obywa spektrometry pracują w zakresie napięcia zasilania od 4,75 do 5,25 V, przy czym napięcie znamionowe to rzecz jasna dokładnie 5,0 V. Pobór prądu zawiera się w przedziale od 5 do 35 mA (typowo 15 mA w przypadku C16767MA, a 20 mA w przypadku C12880MA).

Interfejs elektryczny

Najciekawsze aspekty z punktu widzenia konstruktora elektronika (oraz programisty) to zdecydowanie interfejs sygnałowy oraz sposób komunikacji z układem ASIC spektrometru.

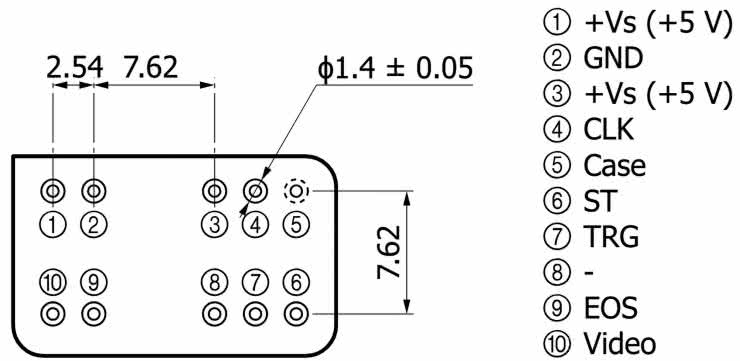
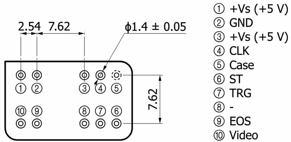
Rysunek 3. Układ wyprowadzeń spektrometru (widok od dołu) [2]

Rozkład wyprowadzeń (w widoku od dołu) pokazano na rysunku 3, zaś schemat przykładowego układu peryferyjnego współpracującego z modułem – na rysunku 4. Już na pierwszy rzut oka widać, że mamy do czynienia z konstrukcją analogowo-cyfrową, przy czym właściwy przebieg pomiarowy (dostępny na pinie 10) jest w istocie sygnałem analogowym, synchronizowanym za pomocą prostego interfejsu złożonego z linii CLK, ST, EOS oraz TRG. Układ nadrzędny generuje ciągły przebieg zegarowy o częstotliwości w zakresie od 200 kHz do 5 MHz i wystawia go na linię CLK (rysunek 5).

Rysunek 4. Schemat aplikacyjny spektrometru [2]
Rysunek 5. Protokół komunikacji z układem ASIC spektrometru [2]

Przełączenie linii ST (START) w stan wysoki powoduje rozpoczęcie całkowania sygnału z fotodetektorów, ale nie natychmiast, tylko po upływie czterech cykli zegarowych. Całkowanie kończy się po 48 impulsach na linii CLK, licząc od zbocza opadającego na wejściu ST. Po 87 okresach sygnału zegara (od ww. zbocza) układ nadrzędny może rozpocząć akwizycję napięcia na linii VIDEO, przy czym powinna ona być realizowana synchronicznie nie z głównym zegarem (CLK), ale z sygnałem na wyjściu TRG (TRIGGER) układu ASIC spektrometru. Zakończenie całej sekwencji tego „jednowymiarowego wideo” jest sygnalizowane wystawieniem stanu wysokiego na linię EOS (oczywiście także przez spektrometr). Oscylogram pojedynczej akwizycji można zobaczyć na rysunku 6 – nietrudno się zorientować, że kształt sygnału w kanale 3 jest w istocie… odwzorowaniem kształtu badanego widma optycznego, więc jak na dłoni widać wszystkie piki i doliny spektrum, bez problemu można także wyznaczyć stosunki ilościowe poszczególnych partii widma.

Rysunek 6. Oscylogram zarejestrowany podczas wykonywania pojedynczej akwizycji za pomocą minispektrometru marki Hamamatsu. CH1 – sygnał na linii CLK, CH2 – sygnał na linii START, CH3 – sygnał na linii VIDEO, CH4 – sygnał na linii TRIG

I to wszystko – jak widać, realizacja pomiaru nie jest szczególnie skomplikowana i poradzi sobie z nią praktycznie każdy współczesny mikrokontroler, wyposażony choćby w jedno wejście ADC oraz cztery linie cyfrowe. Rzecz jasna, zastosowanie wydajniejszego procesora pozwala skorzystać z maksymalnej szybkości przesyłu danych, co ma niebagatelne znaczenie w aplikacjach, w których dynamika pomiaru jest ważna z uwagi na szybkość zmian badanego zjawiska – tym bardziej że kolejne akwizycje mogą następować praktycznie bez przerwy, jedna po drugiej, co doskonale widać na oscylogramie zamieszczonym na rysunku 7.

Rysunek 7. Oscylogram zarejestrowany podczas wykonywania kilku kolejnych akwizycji za pomocą minispektrometru marki Hamamatsu. Poziom szumu w sygnale wideo wynika z zastosowanego układu aplikacyjnego, użytego tylko do szybkiej oceny działania spektrometru (płytka z mikrokontrolerem była zasilana bezpośrednio z portu USB, co wpłynęło na poziom szumów impulsowych w całym układzie)

Maksymalizacja rozdzielczości pomiaru

A co z rozdzielczością przetwornika? Oficjalny zestaw ewaluacyjny o oznaczeniu C13016, przeznaczony do współpracy ze spektrometrami C12880MA i C16767MA, ma wbudowany konwerter ADC o rozdzielczości 16 bitów i taką właśnie wartość można przyjąć jako referencyjną. Nadmiarowe zwiększanie rozdzielczości nie ma większego sensu z dwóch powodów. Po pierwsze, należy pamiętać o poziomie szumów własnych matrycy CMOS i wewnętrznego toru analogowego ASIC-a, która wynosi zwykle 0,8 mV (maks. 2,4 mV) w przypadku modelu C16767MA. Zakres użyteczny sygnału na linii VIDEO zawiera się natomiast pomiędzy wartościami 0,3 V a 4,3 V, co daje wymagany zakres dynamiki (w typowym przypadku) na poziomie przekraczającym nieco 70 dB. Teoretycznie zatem idealny przetwornik ADC (przy założeniu braku szumów własnych oraz dodatkowych zakłóceń zewnętrznych) mógłby mieć rozdzielczość zaledwie 13 bitów. Po drugie natomiast, szybkie przetworniki o 18+ bitach natywnej rozdzielczości są zwykle dość kosztowne, podczas gdy część dobrych konwerterów 14- czy 16-bitowych plasuje się raczej na średniej półce cenowej.

Jakie zatem mamy opcje w praktycznej implementacji omawianego spektrometru? Jedną z metod realizacji interfejsu współpracującego z naszym bohaterem jest zastosowanie zewnętrznego przetwornika ADC o rozdzielczości minimum 14 bitów (i możliwie wysokim ENOB), a lepiej 15…16 bitów.

Druga ścieżka to użycie mikrokontrolera z typowym, 12-bitowym przetwornikiem i skonfigurowanie go do pracy w trybie sprzętowego uśredniania – trzeba będzie oczywiście obniżyć częstotliwość taktowania spektrometru (np. do 200...500 kHz), ale i tak uzyskamy w ten sposób naprawdę zwinny układ pomiarowy, z którym jakikolwiek spektrometr z przesuwną szczeliną nie miałby szansy konkurować pod względem częstotliwości skanowania. Należy także pamiętać, że sam ASIC spektrometru pozwala wydłużyć czas integracji, więc tutaj także zyskujemy dodatkowy stopień swobody.

Kolejną opcją może być również prowadzenie pomiarów z pełną prędkością oferowaną przez moduł spektrometru, a następnie uśrednienie odpowiednich pikseli z kolejnych N akwizycji poprzez zastosowanie bufora programowego – w tym przypadku zyskujemy dostęp zarówno do gołych danych z każdej pojedynczej sekwencji pomiarowej, jak i do elastycznie konfigurowalnej wartości uśrednionej, wyliczanej np. za pomocą algorytmu średniej kroczącej.

Fotografia 3. Zestaw ewaluacyjny C13016

Podsumowanie

Miniaturowe spektrometry marki Hamamatsu oferują doskonałe parametry metrologiczne przy zachowaniu niebywale kompaktowej formy i prostej integracji w niemal dowolnym systemie wbudowanym. Małe wymiary, niski pobór mocy oraz wysoka jakość widm uzyskiwanych za pomocą modułów spektrometrycznych C16767MA (rysunek 8) pozwalają przypuszczać, że spektrometry z serii Micro istotnie wpłyną na całą branżę pomiarów widma optycznego.

Rysunek 8. Porównanie wyników pomiaru widm absorpcyjnych roztworów antracenu o trzech różnych stężeniach, wykonany z użyciem laboratoryjnego spektrofotometru stacjonarnego oraz zestawu demo z minispektrometrem C16767MA [1]

Nic dziwnego, że produkt został dostrzeżony w międzynarodowym konkursie inspect award 2024, organizowanym przez znane wydawnictwo naukowe John Wiley & Sons i zdobył pierwszą nagrodę wśród 20 zgłoszonych konkurentów w kategorii Automation + Control. Niebagatelne znaczenie ma zakres pomiarów realizowanych przez moduł C16767MA – analiza spektralna w zakresie ultrafioletu ma bowiem ogromny udział w branży pomiarów jakości wody, co w świetle globalnych zagrożeń związanych z zanieczyszczeniami rzek, oceanów czy wód gruntowych nabiera pierwszorzędnego znaczenia z punktu widzenia współczesnej ekologii.

inż. Przemysław Musz, EP

Źródła:
[1] https://t.ly/1OtTe
[2] https://t.ly/nLrC5

Artykuł ukazał się w
Elektronika Praktyczna
marzec 2025
Elektronika Praktyczna Plus lipiec - grudzień 2012

Elektronika Praktyczna Plus

Monograficzne wydania specjalne

Elektronik listopad 2025

Elektronik

Magazyn elektroniki profesjonalnej

Raspberry Pi 2015

Raspberry Pi

Wykorzystaj wszystkie możliwości wyjątkowego minikomputera

Świat Radio listopad - grudzień 2025

Świat Radio

Magazyn krótkofalowców i amatorów CB

Automatyka, Podzespoły, Aplikacje listopad - grudzień 2025

Automatyka, Podzespoły, Aplikacje

Technika i rynek systemów automatyki

Elektronika Praktyczna listopad 2025

Elektronika Praktyczna

Międzynarodowy magazyn elektroników konstruktorów

Elektronika dla Wszystkich grudzień 2025

Elektronika dla Wszystkich

Interesująca elektronika dla pasjonatów