Praktyczne aplikacje scalonych układów AFE (15). Front-endy do zastosowań energetycznych (3)

Praktyczne aplikacje scalonych układów AFE (15). Front-endy do zastosowań energetycznych (3)

W poprzednim odcinku Poradnika Implementacji przekrojowo omówiliśmy ofertę front-endów energetycznych marki Microchip. W tym miesiącu kontynuujemy tematykę pomiarów mocy i energii elektrycznej – zajmiemy się układami od Analog Devices.

Firma Analog Devices nie pozostała dłużna swoim rynkowym konkurentom, wprowadzając do sprzedaży obszerne portfolio front-endów energetycznych. Podobnie jak w przypadku wcześniej zaprezentowanych układów, także tutaj mamy do czynienia z konstrukcjami bazującymi na cyfrowym przetwarzaniu sygnałów, zaś udział kondycjonowania analogowego w obróbce przebiegów napięcia i prądu kończy się już na wejściach przetworników ADC.

ADE7755

Schemat blokowy bazującego na aż czterech amerykańskich zgłoszeniach patentowych układu ADE7755 został pokazany na rysunku 1. Blok wyjściowy składa się z jednego, umieszczonego w torze prądowym, wzmacniacza PGA (o wzmocnieniach ustawianych w zakresie 1, 2, 8 oraz 16 V/V) i dwóch przetworników ADC o rozdzielczości 16 bitów. Wyjścia przetworników są podłączone do cyfrowego mnożnika, przy czym jeden z nich jest wpięty na jego wejście bezpośrednio, natomiast drugi – poprzez blok korekcji przesunięcia fazowego oraz filtr górnoprzepustowy. Wyjście mnożnika przez filtr dolnoprzepustowy jest podłączone do bloku konwersji cyfra-częstotliwość.

Rysunek 1. Schemat funkcjonalny front-endu ADE7755 (https://t.ly/qojN)

Układ wydaje się stosunkowo podobny do front-endów marki Microchip, zaprezentowanych w poprzedniej części naszego cyklu. Producent zastosował dwie linie cyfrowe służące do ustawienia wzmocnienia toru prądowego (G0 i G1), zaś osobne wejście jest przeznaczone do zmiany trybu pracy filtra górnoprzepustowego w torze pierwszym – logiczna jedynka na linii AC/DC włącza filtr górnoprzepustowy, co stanowi zalecany przez producenta tryb pracy w układach do pomiaru energii. Przesunięcie fazowe wprowadzone przez filtr jest automatycznie kompensowane sprzętowo w zakresie częstotliwości od 45 Hz aż do 1 kHz.

Podobnie jak w przypadku układów Microchip, także tutaj mamy do czynienia z kilkoma wyjściami impulsowymi służącymi do kalibracji (CF) oraz do bezpośredniego sterowania elektromechanicznymi licznikami lub dwufazowymi silnikami krokowymi (wyjścia F1, F2).

W układzie nie zabrakło rzecz jasna wbudowanego źródła napięcia odniesienia, które – dzięki podłączeniu do wejść odniesienia przetworników poprzez 4 kΩ rezystor – można zastąpić dokładniejszym źródłem VREF, wpiętym z zewnątrz przez użytkownika. W układzie znalazł się, także blok monitorowania napięcia zasilania, który pełni rolę obwodu POR/BOR (Power-On-Reset/Brown-Out-Reset) – rysunek 2.

Rysunek 2. Zasada działania bloku monitorowania napięcia zasilającego front-endu ADE7755 (https://t.ly/qojN)

ADE7751

Układ ADE7751 jest bardzo zbliżony koncepcyjnie do poprzednio zaprezentowanego front-endu, korzysta jednak z pewnej niezmiernie interesującej technologii detekcji potencjalnych błędów instalacyjnych lub prób oszukania licznika przez nieuczciwych odbiorców energii.

Producent zastosował bowiem technikę pozwalającą na kontynuowanie pomiaru nawet wtedy, gdy jeden z przewodów (fazowy lub neutralny) zostanie odłączony od licznika. Schemat blokowy układu pokazano na rysunku 3. Jak widać, nie różni się on zasadniczo w swojej podstawowej funkcjonalności od poprzednio opisanego układu, ma jednak zdublowany wzmacniacz PGA w kanale pierwszym. Wejście V1N jest wspólne dla obydwu wzmacniaczy (łączy ich wejścia odwracające), natomiast wejścia nieodwracające są wyprowadzone na dwa niezależne piny.

Rysunek 3. Schemat funkcjonalny front-endu ADE7751 (https://t.ly/mYSI)

Kolejną różnicę konstrukcyjną pomiędzy obydwoma układami stanowi obecność w strukturze ADE7751 przełącznika cyfrowego (multipleksera) – umożliwia on układowi automatyczny wybór wejścia, które ma być służyć do realizacji pomiaru. Aktywny w danym momencie jest ten z torów, w którym sygnał wykazuje większą amplitudę. Takie rozwiązanie umożliwia zarówno detekcję całkowitego odłączenia przewodu neutralnego, jak i wystąpienia sytuacji, w której prądy płynące w obu przewodach różnią się o więcej, niż 12,5%. Dzięki temu licznik zdolny jest nadal realizować powierzoną funkcję, nawet w warunkach ekstremalnie niekorzystnych. Co ciekawe, funkcja detekcji błędu ulega automatycznemu wyłączeniu, jeżeli amplituda sygnału w kanale pierwszym jest mniejsza, niż 0,5% pełnego zakresu pracy. Rozwiązanie takie pozwala uniknąć fałszywych alarmów w przypadku pomiaru bardzo niewielkich obciążeń, przy których odstęp sygnału od szumu znacząco maleje.

Rysunek 4. Ilustracja jednej z podstawowych metod kradzieży prądu, która zdezaktualizowała się w przypadku nowoczesnych mierników energii (https://t.ly/Qa9w)

Monitoring prądu w przewodzie neutralnym daje możliwość walki z nieuczciwymi odbiorcami energii elektrycznej, którzy – starając się zmniejszyć wskazania posiadanego licznika energii – próbują podłączyć uziemienie zamiast przewodu neutralnego, odgrywającego w normalnych warunkach rolę drogi powrotnej dla prądu płynącego przez obciążenie (rysunek 4). Funkcję polegającą na wykrywaniu takich „przeróbek” nazywamy mianem anti-tamper. Jest ona jedną z podstawowych i najczęściej wymienianych metod zabezpieczenia przed kradzieżami energii elektrycznej, mającą zastosowanie w bardziej zaawansowanych aplikacjach liczników.

ADE7759

Kolejnym układem z oferty firmy Analog Devices, któremu warto nieco bliżej się przyjrzeć, jest front-end ADE7759 (rysunek 5). W tym przypadku znów mamy do czynienia z układem przeznaczonym do liczników jednofazowych, przy czym jego konstrukcja dostosowana została do użycia z cewką Rogowskiego w roli czujnika prądu. Charakterystyczną cechą tego typu elementów pozostaje zależność ich napięcia wyjściowego od pochodnej prądu po czasie di(t)/dt – oznacza to, że aby uzyskać odpowiednik oryginalnego sygnału prądowego (czy też prądo-zależnego, gdyż przetworniki ADC mierzą wartość napięcia), musimy ów sygnał wyjściowy cewki Rogowskiego scałkować po czasie.

Rysunek 5. Schemat funkcjonalny front-endu ADE7759 (https://t.ly/ZXto)

Z tego względu w układzie ADE7759, tuż za przetwornikiem ADC kanału prądowego (V1N/P), znalazł się dodatkowy blok zawierający mnożnik (umożliwiający ustawienie wzmocnienia), filtr górnoprzepustowy oraz układ całkujący (integrator). Dopiero tak przygotowany sygnał mnoży się przez przebieg napięcia, uprzednio skompensowany fazowo przez 8-bitowy układ korektora fazy. Warto wiedzieć, że front-end może też pracować w innych topologiach pomiarowych, np. z użyciem bocznika czy przekładnika prądowego, gdyż integrator może być łatwo wyłączony poprzez ustawienie odpowiedniego bitu w rejestrze konfiguracyjnym CH1OS.

Układ ADE7759 pozwala uzyskać zakres dynamiki rzędu 1000:1, przy czym w całym zakresie błąd pomiarowy jest mniejszy, niż 0,1%. W układzie znalazł się także wbudowany czujnik temperatury o rozdzielczości 1 LSB/°C. Co ważne, oprócz cyfrowo kalibrowanego wyjścia impulsowego (CF), użytkownik ma także możliwość odczytu wszystkich parametrów pracy układu za pośrednictwem interfejsu SPI. Dzięki konstrukcji bazującej na cyfrowym przetwarzaniu sygnałów, układ ADE7759 nie tylko realizuje automatyczne obliczanie energii (wykorzystując do tego 40-bitowy akumulator próbek), ale także stwarza warunki dla (w pełni cyfrowej) kalibracji mocy, fazy i wejściowego offsetu DC. Do dyspozycji użytkownika są także próbki obu sygnałów wyjściowych, co dodatkowo zwiększa funkcjonalność układu w bardziej zaawansowanych aplikacjach.

ADE7752A

Przejdźmy teraz do opisu układów przeznaczonych do pomiarów wielofazowych. Schemat blokowy jednej z prostszych propozycji ADI w tej kategorii front-endów – układu ADE7752A – pokazano na rysunku 6. Jak widać, w tym przypadku mamy już do czynienia z sześcioma przetwornikami ADC, przy czym trzy współpracują z różnicowymi wzmacniaczami wejściowymi kanałów prądowych, zaś pozostałe – z trzema buforami, służącymi do podłączenia sygnałów napięciowych. W każdym z kanałów znajduje się osobny zespół filtrów – górnoprzepustowy przed mnożnikiem (w kanale prądowym) i dolnoprzepustowy za nim – a także przesuwnik fazowy (w kanale napięciowym).

Rysunek 6. Schemat funkcjonalny front-endów ADE7752/(A) (https://t.ly/-iXE)

Wyjścia wszystkich trzech filtrów dolnoprzepustowych są natomiast podłączone przez ,,cyfrowe” prostowniki do sumatora, odpowiadającego za dodanie sygnałów mocy ze wszystkich trzech kanałów w celu wyznaczenia łącznej mocy pobieranej przez trójfazowe obciążenie. W tym przypadku użytkownik może za pomocą jednej linii cyfrowej oznaczonej jako ABS wybrać tryb pracy – sumowane będą albo próbki mocy chwilowej dostępne na wyjściach filtrów LPF, albo ich wartości bezwzględne. Dzięki takiemu rozwiązaniu łatwiej jest uniknąć problemu błędnego obliczenia mocy, co miałoby miejsce w przypadku nieprawidłowego podłączenia któregoś z przewodów.

Warto dodać, że w tym przypadku nie mamy dostępu do bloków przesuwników fazowych, które służą tutaj jedynie do skompensowania opóźnienia fazowego pomiędzy kanałami prądowymi a napięciowymi poszczególnych faz, wprowadzanego przez filtry górnoprzepustowe. Projektując miernik z użyciem omawianego front-endu należy zatem spełnić założenie, że sam układ wejściowy – np. przekładniki prądowe – nie wprowadza istotnych różnic fazowych pomiędzy obydwoma sygnałami danej fazy. W nocie aplikacyjnej AN-641 producent zaleca więc uprzedni pomiar i szczegółową kompensację przesunięcia fazowego wprowadzanego przez przekładniki – można to wykonać za pomocą odpowiednio dobranej, zewnętrznej sieci RC umieszczonej przed wzmacniaczami wejściowymi.

ADE78xxA

Rodzina układów ADE7854A/ADE7858A/ADE7868A/ADE7878A obejmuje cztery układy o zróżnicowanych możliwościach pomiarowych oraz funkcjonalności dodatkowej. Najprostszy z nich – ADE7854A realizuje pomiary mocy czynnej w układach wielofazowych, wspiera funkcje pomiaru prądu i napięcia RMS oraz mocy pozornej. Może współpracować z cewkami Rogowskiego, dzięki obecności wbudowanego integratora. Wersje ADE7858A i ADE7868A zostały wzbogacone o możliwość pomiaru mocy biernej, zaś ostatnia z nich obsługuje ponadto tryby obniżonego poboru mocy i zabezpieczeń antykradzieżowych. Układ ADE7878A, oprócz wszystkich wymienionych wyżej możliwości, pozwala także na ocenę mocy czynnej i biernej dla częstotliwości podstawowej napięcia sieciowego.

Rysunek 7. Schemat funkcjonalny front-endu ADE7878A (https://t.ly/m-f3)

Schemat blokowy front-endu ADE7878A pokazano na rysunku 7. Konstrukcja układu opiera się w przeważającej części na procesorze sygnałowym DSP, wyposażonym we własną, wbudowaną pamięć ROM i komunikującym się z zewnętrznym mikrokontrolerem za pomocą interfejsu I2C lub SPI, choć można też skorzystać z trybu HSDC (High Speed Data Capture), obejmującego linie SS (w roli HSA), MISO (jako HSD) oraz SCK (jako HCSLK). Oprócz trzech różnicowych wzmacniaczy PGA1 (tory prądowe) i trzech napięciowych ze wspólnym wejściem nieodwracającym (PGA3) w strukturze obecny jest też osobny tor ze wzmacniaczem PGA2, służącym do pomiaru prądu w przewodzie neutralnym.

Także w tym przypadku mamy bowiem do dyspozycji funkcję anti-tamper, choć należy uczciwie przyznać, że w strukturze krzemowej front-endu nie udało się uniknąć pewnych błędów, które w niektórych wersjach układu powodują losowe wyzwalanie flagi sygnalizacyjnej (co na szczęście da się obejść dzięki pełnemu dostępowi do niezbędnych rejestrów – producent zaleca więc porównanie prądu neutralnego i sumy prądów fazowych na drodze obliczeń w zewnętrznym procesorze). Wbudowany procesor DSP oferuje filtry górnoprzepustowe we wszystkich torach pomiarowych (istnieje jednak opcja ich programowego wyłączenia), rejestry kalibracji fazy wszystkich kanałów oraz wzmocnienia (także w kanale prądowym przewodu neutralnego). Nie zabrakło też przetwornika cyfrowo-częstotliwościowego z trzema wyjściami CF1...3.

Lista mierzonych parametrów obejmuje:

  • całkowitą energię czynną, bierną i pozorną,
  • energię czynną i bierną dla częstotliwości podstawowej,
  • wartości mocy chwilowej (czynnej, biernej i pozornej),
  • napięcia i prądy fazowe RMS,
  • prąd przewodu neutralnego RMS,
  • przesunięcie fazy pomiędzy prądem i napięciem w danym kanale,
  • przesunięcie fazowe pomiędzy kanałami,
  • okres napięcia,
  • prąd i napięcie maksymalne (w zadanym przedziale czasowym).

Akwizycja wartości chwilowych (próbek poszczególnych sygnałów dostępnych przez interfejs szeregowy) odbywa się z prędkością 8 kSps. Inną ciekawą funkcjonalnością prezentowanego front-endu jest automatyczne uśrednianie próbek napięć i prądów RMS w poszczególnych fazach – zastosowanie 1024-milisekundowego okna (co odpowiada 8192 próbkom) umożliwia uzyskanie odczytów o wydatnie stłumionym tętnieniu (stąd nazwa – Low RIPple RMS, od której pochodzą nazwy odpowiednich rejestrów, przechowujących wyniki uśredniania, przykładowo: VARMS_LRIP, IARMS_LRIP, itd.).

Warto dodać, że układy z rodziny ADE78xxA wspierają tryb pomiaru każdego z trzech rodzajów energii z użyciem akumulacji, realizowanej w okresie stanowiącym wielokrotność połowy cyklu napięcia sieciowego. W tym celu stosuje się detektory przejścia przez zero, przy czym do pomiaru mogą być stosowane dowolne kombinacje przejść wykrytych w kanałach napięciowych. Do zalet synchronizmu z napięciem sieciowym należy zaliczyć nie tylko skrócenie czasu pomiaru, ale także stłumienie (w wynikach pomiaru energii) niepożądanej składowej sinusoidalnej.

Istotną zaletą układów ADE7868A oraz ADE7878A jest możliwość pracy we wspomnianych wcześniej trybach obniżonego poboru mocy – pozwala to na kontynuowanie zliczania poboru energii przy zasilaniu elektroniki licznika z wewnętrznego źródła (baterii lub akumulatora), co okazuje się konieczne po (nielegalnym) odcięciu przewodu neutralnego na wejściu licznika.

ADE79xx

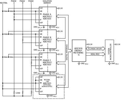
Rodzina ADE7978/ADE7933/ADE7932/ADE7923 składa się z trzech typów układów, przeznaczonych do współpracy w aplikacjach wymagających galwanicznego, niskoimpedancyjnego połączenia poszczególnych kanałów z przewodami fazowymi. Rozwiązania te znajdują zatem zastosowanie w układach pomiarowych korzystających z boczników prądowych zamiast przekładników czy cewek Rogowskiego. Uproszczony schemat takiego systemu został pokazany na rysunku 8. Układy ADE7932 oraz ADE7933 to izolowane front-endy analogowe, nieposiadające żadnych wbudowanych funkcji obliczeniowych – służą one jedynie do akwizycji sygnałów prądu oraz napięcia. Układ ADE7923 stanowi niejako uproszczoną wersję ADE7933, pozbawioną wbudowanej bariery izolacyjnej, zaś ADE7978 to już nie tyle front-end, co… zintegrowana jednostka obliczeniowa, obsługująca wszystkie wymienione wyżej układy.

Rysunek 8. Uproszczony schemat licznika trójfazowego opartego na układach z rodziny ADE79xx (https://t.ly/XmxG)

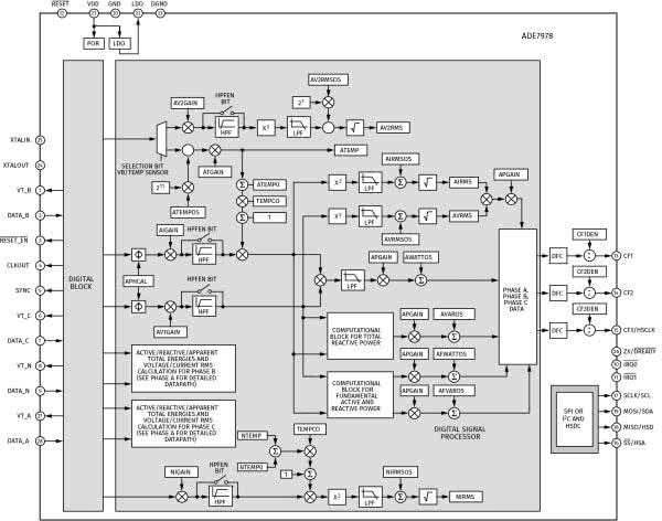
Schemat blokowy tej ostatniej prezentuje rysunek 9. Już na pierwszy rzut oka widać sporo podobieństw do ADE7878A – brakuje co prawda integratorów w torach prądowych (co jednak nie dziwi z uwagi na przeznaczenie omawianej rodziny do pracy z bocznikami prądowymi, a nie z cewkami Rogowskiego) oraz bloków uśredniania próbek RMS, jednak zdecydowana większość elementów znanych z poprzednio zaprezentowanych front-endów ADE78xxA pozostała niezmienna. ADE7978 obsługuje za to odczyty z czujników temperatury, obecnych w strukturach front-endów odpowiedzialnych za pomiary parametrów poszczególnych faz. Do komunikacji układów podrzędnych z jednostką obliczeniową służy zestaw linii cyfrowych: osobnych DATA_x i VT_x (gdzie x to numer fazy) oraz wspólnych: SYNC, RESET_EN oraz CLK_OUT. Transfer danych do/z zewnętrznego mikrokontrolera odbywa się natomiast poprzez szynę I2C, SPI lub HDSC.

Rysunek 9. Schemat funkcjonalny jednostki obliczeniowej ADE7978 (https://t.ly/XmxG)

Układ ADE7933 (rysunek 10) zawiera w swojej strukturze trzy przetworniki ADC – jeden z nich ma wejście różnicowe do podłączenia bocznika, (linie IP, IM), drugi i trzeci natomiast współdzielą wejście odwracające (VM), zaś ich wejścia nieodwracające są wyprowadzone na zewnątrz obudowy (V1P, V2P). Takie rozwiązanie umożliwia jednoczesny pomiar dwóch napięć odniesionych do VM (czyli w praktyce – do masy układu) lub jednego napięcia zewnętrznego oraz temperatury (za pomocą wewnętrznego czujnika, podłączonego do linii VM i V2P przez prosty multiplekser analogowy).

Rysunek 10. Schemat funkcjonalny front-endu ADE7933 (https://t.ly/XmxG)

Izolacja galwaniczna pomiędzy blokiem pomiarowym a kontrolerem cyfrowym została zrealizowana w oparciu o autorskie technologie ADI, określane mianem iCoupler (scalone izolatory zastępujące konwencjonalne transoptory) oraz isoPower (wbudowana, w pełni izolowana przetwornica DC/DC, pracująca bez użycia zewnętrznych dławików czy też dyskretnych elementów półprzewodnikowych). Obydwie wymienione technologie pracują na bazie mikroskopijnych transformatorów z wysokoczęstotliwościowymi uzwojeniami planarnymi (fotografia 1). Integracja AFE, części cyfrowej oraz separatorów galwanicznych i przetwornicy DC/DC w ramach jednego układu scalonego daje potężne oszczędności zarówno w kwestii BOM, jak i powierzchni zajmowanej przez układ na płytce drukowanej licznika.

Fotografia 1. Widok uzwojeń transformatorów planarnych w przykładowym układzie z serii iCoupler, wyposażonym w przetwornicę DC/DC isoPower marki Analog Devices (https://t.ly/NhYa)

Układ ADE7932 (rysunek 11) stanowi nieco uproszczoną wersję ADE7933 – pin V2P należy podłączyć na stałe do linii VM, konstruktor ma zatem do dyspozycji tylko pojedyncze wejście napięciowe, dostępne na pinach VM oraz V1P. Oznacza to jednocześnie, że sygnał wyjściowy czujnika temperatury pozostaje przez cały czas podłączony do drugiego (wewnętrznego) kanału napięciowego, bez możliwości jego przełączenia.

Rysunek 11. Schemat funkcjonalny front-endu ADE7932 (https://t.ly/XmxG)

Warto zwrócić uwagę na obecność dodatkowej linii EMI_CTRL – umożliwia ona wybór slotów czasowych, w których generowane są impulsy PWM kontrolera przetwornicy DC/DC. Dzięki temu w urządzeniach korzystających z czterech układów z tej grupy, przetwornice DC/DC nie tylko pozostają ze sobą zsynchronizowane, ale także pracują naprzemiennie (parami). Doskonale ilustruje to fakt, jak dalece zaawansowane są starania projektantów układów AFE ukierunkowane na poprawę parametrów EMC.

Konstrukcja front-endu ADE7923 (rysunek 12) bazuje na niemal identycznych założeniach, jak ADE7933 z tą różnicą, że nie zawiera on wewnętrznych izolatorów. Zabieg taki jest podyktowany względami ekonomicznymi – w przypadku liczników nie wymagających izolacji od potencjału przewodu zerowego, stosowanie dodatkowej bariery powodowałoby generowanie niepotrzebnych kosztów.

Rysunek 12. Schemat funkcjonalny front-endu ADE7923 (https://t.ly/XmxG)

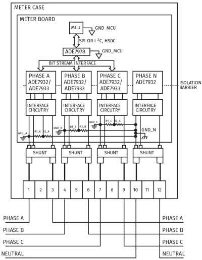
Przedstawiona rodzina front-endów stanowi niezwykle ciekawe i efektywne rozwiązanie, dzięki któremu za pomocą zaledwie kilku układów scalonych można zbudować pełnoprawny, trójfazowy licznik statyczny z funkcjami zabezpieczeń antykradzieżowych oraz detekcji potencjalnych awarii w instalacji. Przykładowy schemat blokowy takiego licznika został pokazany na rysunku 13.

Rysunek 13. Koncepcja przykładowego licznika 3-fazowego z obsługą pomiaru prądu w przewodzie neutralnym (https://t.ly/v52z)

ADE9000

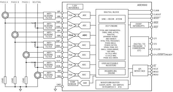
Ostatnim układem, który omówimy w naszym zestawieniu, jest rozbudowany front-end ADE9000 (rysunek 14). W tym przypadku znów mamy do czynienia z układem w pełni zintegrowanym, obejmującym zarówno bloki kondycjonowania sygnałów i digitalizacji (PGA + ADC), jak i kompletny procesor DSP.

Rysunek 14. Uproszczony schemat funkcjonalny licznika 3-fazowego na bazie front-endu ADE9000 (https://t.ly/aa28)

Front-end służy do zaawansowanego monitorowania poboru mocy w rozmaitych systemach, co więcej – wspiera też pomiary jakości energii. Oprócz funkcji znanych z wcześniej opisanych układów (IRMS, VRMS, P, Q, S, itd. – mierzonych zarówno całościowo, jak i tylko dla harmonicznej podstawowej), procesor zapewnia także następujące funkcje pomiarowe:

  • THD dla prądów i napięć fazowych (odświeżany co sekundę),
  • częstotliwość podstawowa,
  • kąt fazowy,
  • współczynnik mocy,
  • napięcie szczytowe,
  • prąd szczytowy,
  • spadek napięcia (DIP),
  • wzrost napięcia powyżej progu (SWELL),
  • przetężenie,
  • szybki pomiar RMS (odświeżany w każdym półokresie) oraz pomiary w oknie o długości 10 lub 12 okresów.

Jakby tego było mało, front-end pozwala także na wykrywanie błędu kolejności faz. Co więcej, tym razem w strukturze układu mamy do dyspozycji również 2-kilobajtowy, 32-bitowy bufor próbek, obsługujący szybkie strumienie danych o przepustowości nawet 32 kSps lub (po przepuszczeniu przez znajdujący się „na pokładzie” blok resamplingu) – 8 kSps.

Podsumowanie

Prezentacja portfolio front-endów energetycznych marki Analog Devices kończy nasz obszerny (choć i tak mocno skrócony) przegląd tego segmentu rynku półprzewodników. Jak można wywnioskować z zaprezentowanych konstrukcji, projektanci układów AFE prześcigają się w ułatwianiu pracy konstruktorom liczników energii, watomierzy i innych urządzeń do monitorowania obwodów zasilania AC, a efektem tego wyścigu są „majstersztyki” – do których z pewnością można zaliczyć układ ADE9000 oraz rodziny ADE7854A/58A/68A/78A czy ADE7978/33/32/23. Mariaż procesorów sygnałowych i szybkich, precyzyjnych przetworników z pewnością wychodzi na dobre producentom urządzeń pomiarowych, a oszczędności, jakie można uzyskać integrując lwią część funkcjonalności w formie pojedynczych układów scalonych, niewątpliwie zdadzą egzamin na szybko rozwijającym się rynku smart grid.

inż. Przemysław Musz, EP

Artykuł ukazał się w
Elektronika Praktyczna
maj 2022
Elektronika Praktyczna Plus lipiec - grudzień 2012

Elektronika Praktyczna Plus

Monograficzne wydania specjalne

Elektronik listopad 2025

Elektronik

Magazyn elektroniki profesjonalnej

Raspberry Pi 2015

Raspberry Pi

Wykorzystaj wszystkie możliwości wyjątkowego minikomputera

Świat Radio listopad - grudzień 2025

Świat Radio

Magazyn krótkofalowców i amatorów CB

Automatyka, Podzespoły, Aplikacje listopad - grudzień 2025

Automatyka, Podzespoły, Aplikacje

Technika i rynek systemów automatyki

Elektronika Praktyczna listopad 2025

Elektronika Praktyczna

Międzynarodowy magazyn elektroników konstruktorów

Elektronika dla Wszystkich grudzień 2025

Elektronika dla Wszystkich

Interesująca elektronika dla pasjonatów