Praktyczne aplikacje scalonych układów AFE (10). Wielofunkcyjne front-endy biomedyczne (2)

Praktyczne aplikacje scalonych układów AFE (10). Wielofunkcyjne front-endy biomedyczne (2)

W tym miesiącu kontynuujemy przegląd układów AFE, przeznaczonych do realizacji wielokanałowych pomiarów biomedycznych. Warto dodać, że skupiamy się jedynie na pozycjach o aktywnym statusie sprzedaży, gdyż dokładny przegląd tego dynamicznego rynku jasno wskazuje, że istnieje niemała grupa układów już wycofanych (lub właśnie wycofywanych) z dystrybucji.

MT2511

Marka MediaTek jest kojarzona głównie z wydajnymi procesorami przeznaczonymi do urządzeń mobilnych – w listopadzie 2021 roku wokół tajwańskiej firmy znów zrobiło się głośno za sprawą serii 4-nanometrowych procesorów ARM Cortex-X2 o nazwie Dimensity 9000. Uważne przestudiowanie oferty jednego z ważniejszych graczy na rynku nowoczesnych półprzewodników pokazuje jednak, że wśród dostarczanych przez niego układów scalonych można znaleźć także niewielki, stosunkowo prosty konstrukcyjnie front-end biomedyczny o nazwie MT2511 [1]. Schemat blokowy układu został pokazany na rysunku 1.

Rysunek 1. Schemat blokowy układu MediaTek MT2511

Tajwański front-end wyróżnia się wśród swoich konkurentów przede wszystkim dość ciekawym rozwiązaniem, polegającym na rozdzieleniu wbudowanej pamięci SRAM na trzy bloki, przeznaczone do obsługi kanałów EKG (1 kB), PPG (2 kB dla dwóch torów sprzętowych) oraz detektora częstości tętna (1 kB), bazującego na sygnałach PPG. Uważni Czytelnicy zaznajomieni z układami AFE opisanymi w poprzednich odcinkach Poradnika Implementacji, przeglądając opis parametrów MT2511, mogą doświadczyć tzw. „mieszanych uczuć”. Z jednej strony układ może pochwalić się dość sporą ilością pamięci SRAM i przeszło 100-miliamperowymi wyjściami prądowymi do sterowania diodami LED w topologii push-pull lub mostka H (dzięki czemu chip wspiera klasyczne sensory pulsoksymetryczne dostępne na rynku), z drugiej zaś wbudowany wzmacniacz pomiarowy toru EKG oferuje współczynnik CMRR na bardzo przeciętnym poziomie 85 dB (dla porównania, topowa seria front-endów ADS12xx marki Texas Instruments osiąga CMRR wyższy aż o 35 dB!). Można jednak uznać, że w przypadku układu przeznaczonego do zastosowań ubieralnych (a tak należy klasyfikować front-end MediaTek z uwagi na wymiary obudowy WLCSP równe 3,1×3,4 mm, obecność wbudowanego oscylatora 32 kHz i optymalizację nastawioną na minimalizację poboru prądu) współczynnik tłumienia sygnału współbieżnego nie jest parametrem aż tak krytycznym, jak ma to miejsce w przypadku klinicznych urządzeń stacjonarnych lub holterów (istotne znaczenie zyskuje tutaj m.in. długość przewodów elektrod, które w przypadku urządzeń klasy wearable są zwykle zintegrowane z niewielką obudową urządzenia).

AS7030B

Firma AMS, specjalizująca się w wysoko zaawansowanych technologiach sensorycznych, opracowała serię czterech front-endów biomedycznych AS70xxxB, z których – w momencie pisania niniejszego artykułu – trzy mają status aktywny (AS7030B, AS7038GB i AS7038RB), zaś jeden (AS7026GG) jest już wycofywany ze sprzedaży.

Fotografia 1. Obudowa układu AS7030B (https://ams.com/as7030b)

Układ AS7030B należy do układów hybrydowych co oznacza, że oprócz właściwej struktury krzemowej uwzględnia także wbudowane diody LED oraz macierz fotodiod. Front-end, którego schemat blokowy został pokazany na rysunku 2, zawiera dwie wbudowane diody LED o barwie zielonej, rozmieszczone symetrycznie po obu stronach obudowy (fotografia 1) oraz jeden nadajnik podczerwieni – i z tego względu nie nadaje się w swojej podstawowej postaci do aplikacji pulsoksymetrycznych (warto dodać, że można do tego celu zastosować dodatkowe, czwarte źródło prądowe, którego wyjście jest wyprowadzone na jeden z pinów obudowy). Podstawowym przeznaczeniem układu są pomiary częstotliwości i zmienności tętna (HR, HRV), a także estymacja ciśnienia krwi na podstawie opóźnień pomiędzy sygnałem EKG, a falą tętna rejestrowaną metodą fotopletyzmograficzną.

Rysunek 2. Schemat blokowy układu AS7030B marki AMS

Tor pomiarowy PGG

Schemat rozbudowanego toru optycznego układu AS7030B został pokazany na rysunku 3, zaś zastosowaną w nim metodologię przetwarzania sygnałów w domenie czasu i częstotliwości prezentuje rysunek 4.

Rysunek 3. Schemat toru optycznego front-endu AS7030B
Rysunek 4. Schematyczne przedstawienie sposobu obróbki sygnałów w torze optycznym front-endu AS7030B

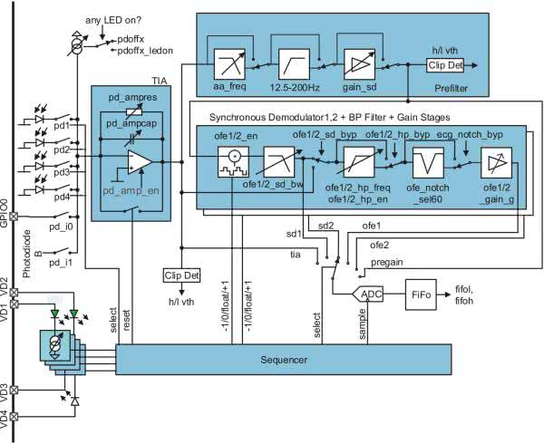
Sercem bloku jest oczywiście cyfrowo przestrajany (7 stopni) wzmacniacz transimpedancyjny (TIA), współpracujący z multiplekserem umożliwiającym pomiar prądu czterech wielkopowierzchniowych fotodiod (PD1...PD4) z zielonymi filtrami optycznymi, jednej fotodiody z filtrem podczerwieni (PD B) lub jednej fotodiody zewnętrznej podłączonej, co ciekawe – do linii GPIO0. Wyjście wzmacniacza TIA jest połączone z własnym detektorem przesterowania (TIA Clip Det) [2] oraz stopniem kondycjonowania sygnału, zbudowanym z filtra dolnoprzepustowego, górnoprzepustowego oraz układu PGA.

Po wstępnym przefiltrowaniu i wzmocnieniu, sygnały trafiają następnie na wejścia dwóch identycznych demodulatorów synchronicznych, dla których sygnał referencyjny dostarczany jest z wbudowanego sekwensera cyklu pomiarowego. Wyjście każdego z obydwu bloków mieszacza połączono z odpowiadającym mu zespołem filtrów, zawierającym także dodatkowy filtr wycinający z możliwością cyfrowego przestrojenia na pasmo 50 lub 60 Hz.

Rysunek 5. Schemat funkcjonalny sekwensera cyklu pomiarowego front-endu AS7030B

Warto dodać, że wśród kilkudziesięciu rejestrów omawianego front-endu większość służy do sterowania niezwykle elastycznym, w pełni konfigurowalnym sekwenserem, którego schemat funkcjonalny został pokazany na rysunku 5. Rejestry oznaczone seq_xxxx pozwalają na precyzyjne ustalenie przebiegów czasowych, taktowanych przez 8-bitową podstawę czasu z ustawianym cyfrowo preskalerem dla sygnału odniesienia o częstotliwości 1 MHz. Użytkownik może niemal dowolnie wybrać przedziały czasowe, w jakich włączone będą poszczególne diody LED, a także w jakich odbędzie się całkowanie sygnału. Ustawieniu podlegają ponadto czasy, w których blok demodulatora synchronicznego będzie pracował z dodatnim, a w których – z ujemnym wzmocnieniem.

Rysunek 6. Schemat bloku konwertera prąd-częstotliwość front-endu AS7030B

Pomimo pozornej prostoty układów z serii AS70xx, firma AMS zastosowała w nich szereg interesujących rozwiązań technologicznych, nierzadko wykraczających poza funkcjonalność konkurencyjnych front-endów PPG/SpO2. Jednym z nich jest użycie wbudowanego konwertera prąd-częstotliwość (rysunek 6), stosowanego w roli czujnika zbliżeniowego. Układ może wykorzystywać dowolną z pomiarowych fotodiod PD1...4 i PD B, zaś jeżeli wszystkie ww. fotoelementy są wykorzystywane przez aplikację użytkownika, do wykrywania zbliżenia czujnika do skóry może być zaangażowana szósta, wbudowana fotodioda (PD A), pozbawiona filtrów optycznych i umieszczona obok fotodiody PD B – na środku matrycy optycznej (rysunek 7).

Rysunek 7. Rozmieszczenie fotodiod w środkowej części obudowy układu AS7030B

Innym ciekawym rozwiązaniem zastosowanym przez firmę AMS okazuje się sposób realizacji wzmocnienia wzmacniacza transimpedancyjnego, bazujący na rezystancyjnym lub pojemnościowym sprzężeniu zwrotnym (rysunek 8). Podczas gdy sprzężenie rezystancyjne pozwala na uzyskanie ciągłego sygnału wyjściowego, wersja z przestrajanym kondensatorem generuje sygnał impulsowy o amplitudzie zależnej nie tylko od właściwego sygnału (prądu fotodiody), ale także (liniowo) od czasu całkowania i (odwrotnie proporcjonalnie) od pojemności kondensatora.

Rysunek 8. Porównanie sygnałów dla wzmacniacza TIA z rezystancyjnym i pojemnościowym sprzężeniem zwrotnym

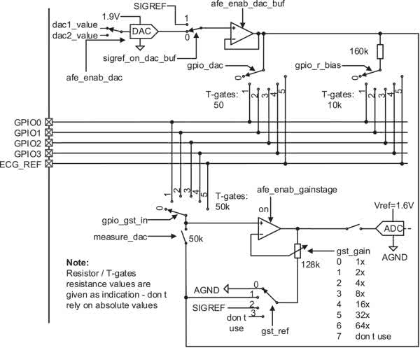
Tor pomiaru sygnałów elektrycznych

Druga część front-endu AS7030B została zbudowana jako trzy identyczne tory pomiarowe, z których każdy bazuje na regulowanym wzmacniaczu napięciowym, układzie polaryzacji wejścia z przetwornikiem DAC oraz przesuwnikiem poziomów (także na osobnym przetworniku DAC). Schemat pojedynczego toru pomiarowego został pokazany na rysunku 9.

Rysunek 9. Schemat części „elektrycznej” front-endu AS7030B

W roli wejść mogą występować zarówno wyprowadzenia GPIO0...3, jak i port ECG_REF, zaś za przełączanie poszczególnych linii odpowiada matryca multiplekserów analogowych. Zakres dostępnych do ustawienia wzmocnień wynosi 1 V/V… 64 V/V i wykorzystuje przyrosty potęgowe (tj. 1, 2, 4, 8, itd.). Bardzo elastyczna i w pełni konfigurowalna struktura tej części front-endu umożliwia współpracę z różnego rodzaju czujnikami analogowymi, wyposażonymi w wyjścia napięciowe (np. scalone czujniki temperatury), a także prostymi sensorami rezystancyjnymi. Co ważne, układ wspiera nawet pomiary różnicowe z wykorzystaniem stałej rezystancji referencyjnej (rysunek 10), zaś wysoka impedancja wejść wzmacniaczy, w powiązaniu z możliwością bezpośredniego doprowadzenia sygnału do wzmacniacza, pozwala na pracę ze źródłami słabych sygnałów.

Rysunek 10. Przykład zastosowania toru pomiarów elektrycznych do określenia rezystancji termistora przy użyciu zasilania stałoprądowego, rezystancji odniesienia i układu przesuwnika na bazie konwertera DAC

Tor biosygnałowy EKG

Doskonale przemyślany tor biosygnałowy front-endu AS7030B (jego schemat zamieszczono na rysunku 11) stanowi bezpośrednią odpowiedź na najczęściej spotykane problemy podczas pomiaru sygnałów EKG narażonych na liczne artefakty, związane zarówno z zakłóceniami sieciowymi, jak i dryfem izolinii oraz obecnością sygnałów pochodzenia fizjologicznego.

Rysunek 11. Tor pomiaru biosygnałów EKG front-endu AS7030B

Pierwszy stopień wzmocnienia, oparty na wzmacniaczu pomiarowym o niskim poziomie szumów i niewielkim prądzie polaryzacji wejść (zwykle na poziomie 1 nA), oferuje niewielki zakres regulacji równy 1...4 V/V – kolejny układ PGA znajduje się dopiero za filtrem górnoprzepustowym o częstotliwości progowej 0,33 Hz. Zabieg taki pozwala na optymalizację wykorzystania zakresu dynamiki przetwornika ADC przy jednoczesnym zwiększeniu odporności na efekty nasycenia wzmacniacza przez artefakty o dużej amplitudzie. Warto zauważyć, że do tego miejsca całość przetwarzania sygnału odbywa się w sposób różnicowy – dopiero podłączony do wyjścia drugiego PGA (G2) wzmacniacz różnicowy o wzmocnieniu jednostkowym przetwarza sygnał do postaci niezbalansowanej. Kolejne bloki to filtr wycinający o częstotliwości sieciowej oraz zespół filtrów dolnoprzepustowych: pierwszego (40...200 Hz) oraz drugiego (800 Hz), pełniącego rolę filtra antyaliasingowego.

Ostatnim elementem toru przetwarzania EKG, przed wejściem przetwornika ADC, jest wzmacniacz PGA o zakresie od 1 do 128 V/V. Omawiany tor pomiarowy zawiera rzecz jasna – będące już dziś standardem – obwody detekcji odłączenia elektrod (lead off) i wzmacniacz sygnału referencyjnego, pełniący rolę galwanicznego punktu odniesienia (określenie ECG Reference Feedback Amplifier, jak i sposób przedstawienia go na schematach funkcjonalnych, sugeruje analogię do spotykanego w większości front-endów EKG wzmacniacza RLD).

Warto dodać, że producent dołożył starań, by zapewnić zgodność parametrów toru biosygnałowego z wymaganiami normy szczegółowej dla elektrokardiografów (IEC 60601-2-47).

AS7038GB/AS7038RB

Pozostali członkowie rodziny front-endów AS703x różnią się od opisanego wcześniej AS7030B brakiem wbudowanych diod LED – zamiast nich użytkownik ma dostępne do dowolnego zastosowania cztery kanały wyjść prądowych, dzięki czemu może skorzystać ze zmniejszonych względem AS7030B rozmiarów obudowy (OLGA-22, fotografia 2).

Fotografia 2. Układ AS7038RB/GB (https://ams.com/as7038gb)

Co ważne, wszystkie trzy układy z tej rodziny są kompatybilne pod względem funkcjonalnym, dlatego mogą być używane w połączeniu ze wspólną płytką ewaluacyjną, do której wpinane są wymienne moduły z poszczególnymi front-endami i ew. zewnętrznymi diodami LED (fotografia 3). Układy AS7038 w wersji RB i GB różnią się natomiast zastosowanymi filtrami optycznymi fotodiod – wersja RB ma filtry czerwone, podczas gdy odmiana GB stanowi „okrojoną” wersję AS7030B (bez wbudowanych diod LED).

Fotografia 3. Widok zestawu ewaluacyjnego dla układów z serii AS703x z podłączonym modułem, wyposażonym we wbudowany front-end (czarna płytka po prawej stronie PCB, https://bit.ly/3pmZw8K)

ADPD4000/ADPD4001/ADPD4100/ADPD4101

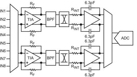
Rodzina front-endów Analog Devices, oznaczona symbolem ADPD4x0x, obejmuje cztery modele wielomodalnych układów pomiarowych, dostępnych w 33- i 35-wyprowadzeniowych obudowach WLCSP. Wszystkie zawierają po wyjść do sterowania macierzą diod LED (7-bitowe, cyfrowo przestrajane źródła prądowe o wydajności do 200 mA), 8 wejść analogowych oraz szereg bloków służących do kondycjonowania sygnałów mierzonych. Układy ADPD4000 i ADPD4100 komunikują się z procesorem nadrzędnym za pomocą interfejsu SPI, zaś ADPD4001 i ADPD4101 – I2C. Inną istotną różnicą funkcjonalną jest wsparcie dla pomiarów zbliżeniowych w układach ADPD410x. W naszym opisie przedstawimy wybrany, reprezentatywny przykład w postaci układu ADPD4100.

Rysunek 12. Uproszczony schemat blokowy front-endów ADPD4100/ADPD4101

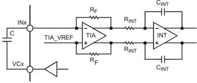
Uproszczony schemat funkcjonalny front-endu został pokazany na rysunku 12. Potężny blok kilkuset rejestrów konfiguracyjnych umożliwia elastyczne ustawienie wielu topologii pomiarowych, korzystających ze wspólnego, 14-bitowego przetwornika ADC i przełączanych za pomocą rozbudowanych multiplekserów. Możliwy jest pomiar w trybie wejść pojedynczych lub różnicowych, przy czym multiplekser obsługuje dwa niezależne tory wejściowe. Każdy z nich składa się ze wzmacniacza TIA, filtru pasmowoprzepustowego (BPF) oraz integratora, zaś cały tor pracuje w pełni różnicowo (rysunek 13). Układ jest zdolny do pracy z częstotliwościami próbkowania od 4 mHz do 9 kHz, zaś maksymalny odstęp sygnał-szum wynosi 100 dB.

Rysunek 13. Schemat toru analogowego we front-endach ADPD4100/ADPD4101

Co ciekawe, inżynierom firmy Analog Devices udało się tak dopracować parametry układu, że front-end – pozornie przeznaczony tylko do pomiarów fotometrycznych – może z równą skutecznością współpracować z czujnikami o wyjściu napięciowym, a także… prowadzić akwizycję sygnałów EKG bądź pomiary pojemności. Przykładowe aplikacje zostały pokazane na rysunkach 14 i 15.

Rysunek 14. Topologia używana do pomiaru pojemności z wykorzystaniem układu ADPD4100/ADPD4101

Pierwszy z nich to układ z modulowanym wyjściem pobudzającym mierzoną pojemność C. Prąd przepływający przez pojemność jest kierowany wprost na wejście wzmacniacza TIA i dalej na wejście integratora.

Rysunek 15. Pomiar biosygnałów (EKG) z zastosowaniem układu ADPD4100/ADPD4101

Na rysunku 15 pokazano natomiast układ akwizycji EKG z wykorzystaniem zewnętrznej sieci dyskretnych elementów RC. Rolą kondensatora jest całkowanie sygnału napięciowego z elektrod kończynowych (RA, LA); sygnał ten jest następnie próbkowany przez front-end przez krótki czas, narzucony przez wbudowany sekwenser. Co ważne, układ ten, pracujący w tzw. trybie Sleep Float Mode (kondensator jest odłączony od front-endu przez większość cyklu pomiarowego) umożliwia współpracę zarówno z mokrymi elektrodami EKG (tj. połączonymi ze skórą pacjenta przez warstwę żelu elektrolitycznego), jak i suchymi elektrodami (spotykanymi głównie w aplikacjach akwizycji sygnału EKG z palców pacjenta).

Podsumowanie

Powyższa prezentacja front-endów medycznych kończy tę część Poradnika Implementacji. Zaprezentowaliśmy tym samym spory fragment rynku układów AFE, które swoje zastosowania znajdują głównie w ubieralnych układach medycznych i sportowych. Warto zwrócić uwagę na fakt, iż zaledwie niewielka część spośród opisanych produktów jest przeznaczona do pracy w urządzeniach klinicznych. Powodów tego stanu rzeczy zapewne jest kilka – nie ulega wątpliwości, że opłacalność sprzedaży układów stosowanych powszechnie w smartwatchach, opaskach sportowych itp. jest dla producentów półprzewodników znacznie wyższa, niż w przypadku front-endów przeznaczonych do wąskiej grupy urządzeń medycznych, produkowanych – z oczywistych względów – w nieporównanie mniejszych ilościach.

Rynek urządzeń medycznych jest też znacznie mniej dynamiczny, niż obszar elektroniki konsumenckiej, a to sprawia, że wszelkie nowe komponenty znacznie później wchodzą do użycia, niż w przypadku pędzących za nowościami urządzeń „marketowych”. Innym powodem takiego układu sił na rynku AFE jest (być może) pewna obawa producentów aparatury medycznej przed wycofaniem front-endów ze sprzedaży, a przecież jest to jedna z tych branż elektroniki, w której wieloletnia dostępność podzespołów (product longevity) stanowi warunek krytyczny dla działań firmy. Konstrukcja układów pomiarowych „od zera” zapewnia ponadto szansę na uzyskanie wyśrubowanych parametrów, tym bardziej, że nie mamy tutaj do czynienia z tak silnymi naciskami od strony optymalizacji kosztów bądź miniaturyzacji, na jakie narażona jest branża konsumencka. Oczywiście, od tych reguł także istnieją wyjątki.

W kolejnych odcinkach naszego cyklu odłożymy na pewien czas układy do zastosowań medycznych, choć w przyszłości powrócimy jeszcze do tej branży. Za miesiąc zajmiemy się (dla odmiany) układami bardziej uniwersalnymi, przeznaczonymi do pomiarów różnego typu podstawowych wielkości elektrycznych i nieelektrycznych.

inż. Przemysław Musz, EP

Przypisy:
1. Należy wspomnieć, że za dystrybucję i zarządzanie produktem odpowiada obecnie firma AIROHA, będąca efektem połączenia dwóch mniejszych podmiotów należących do MediaTek Group.
2. Drugi blok detektora przesterowania znajduje się za stopniem PGA bloku kondycjonowania (Prefilter).

Artykuł ukazał się w
Elektronika Praktyczna
grudzień 2021
Elektronika Praktyczna Plus lipiec - grudzień 2012

Elektronika Praktyczna Plus

Monograficzne wydania specjalne

Elektronik listopad 2025

Elektronik

Magazyn elektroniki profesjonalnej

Raspberry Pi 2015

Raspberry Pi

Wykorzystaj wszystkie możliwości wyjątkowego minikomputera

Świat Radio listopad - grudzień 2025

Świat Radio

Magazyn krótkofalowców i amatorów CB

Automatyka, Podzespoły, Aplikacje listopad - grudzień 2025

Automatyka, Podzespoły, Aplikacje

Technika i rynek systemów automatyki

Elektronika Praktyczna listopad 2025

Elektronika Praktyczna

Międzynarodowy magazyn elektroników konstruktorów

Elektronika dla Wszystkich grudzień 2025

Elektronika dla Wszystkich

Interesująca elektronika dla pasjonatów