Monostabilne układy czasowe

Monostabilne układy czasowe

Układ, który działa raz, po czym wraca do stanu spoczynkowego, nazywamy monostabilnym. Z reguły tym działaniem jest wytworzenie impulsu o zadanej długości na wyjściu, po podaniu impulsu na wejście wyzwalające. Można to zrobić mikrokontrolerem bądź innym układem programowalnym, ale w wielu przypadkach w zupełności wystarczy dokładność prostych układów RC. Jakieś przykłady? Proszę bardzo!

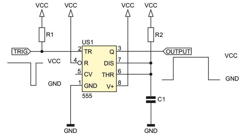
Najbardziej znanym timerem jest sławny układ 555, który powstał już ponad 50 lat temu (!) i nadal jest produkowany przez wiele firm, co w elektronice zdarza się niezwykle rzadko. Dlatego umieszczenie go na innym miejscu niż pierwsze byłoby czymś co najmniej nienaturalnym. Schemat ideowy klasycznej aplikacji 555, widniejący na rysunku 1, nie uwzględnia takich elementów jak kondensatory odsprzęgające zasilanie czy kondensator filtrujący wewnętrznego dzielnika napięcia (który włącza się między nóżkę 5 a masę, choć nie jest on konieczny do działania). Nie będę tutaj także opisywał szczegółów dotyczących jego działania, ponieważ te zostały opublikowane w wielu miejscach, choćby w nocie katalogowej [1].

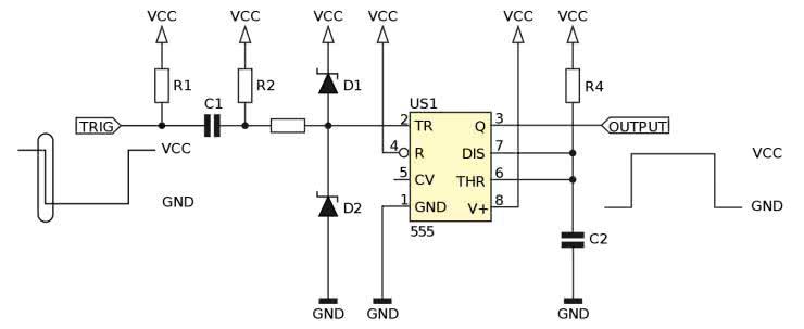
Rysunek 1. Podstawowy przerzutnik monostabilny z układem 555 [1]

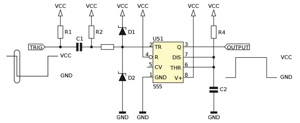
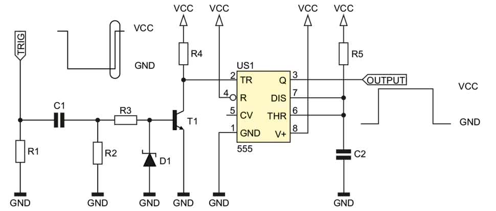
Skupię się natomiast na pewnym mankamencie tego układu: impuls wyzwalający musi być krótszy od tego, który jest wytwarzany przez układ, a którego długość ustala się poprzez dobranie stałej czasowej obwodu R2C1. Nie zawsze jest możliwe zagwarantowanie spełnienia tego wymogu w rzeczywistych warunkach – na przykład, jeżeli przełącznik chwilowy na klatce schodowej (uruchamiający oświetlenie na kilka minut) zostanie przez kogoś zablokowany w pozycji zwartej. Wtedy warto zróżniczkować impuls wejściowy i wydobyć z niego jedynie zbocze opadające, choćby takim obwodem jak na rysunku 2. Rezystory R1 i R2 utrzymują kondensator C1 w stanie rozładowania, z kolei stała czasowa R2C1 decyduje o długości impulsu wyzwalającego, którego długość może wynosić choćby zaledwie kilka milisekund. Ponieważ jednak przy przeładowywaniu C1 na wejściu TRIG układu 555 mogą pojawić się impulsy szpilkowe o wartości chwilowej wyższej niż napięcie zasilające lub niższej niż 0 V, zostały dodane diody D1 i D2 „obcinające” te impulsy. Z kolei rezystor R3 ogranicza prąd tych diod.

Rysunek 2. Modyfikacja układu z rysunku 1 dla długich impulsów wyzwalających

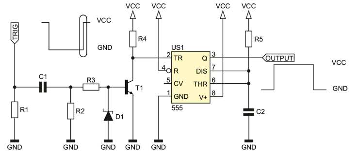
Jeżeli interesuje nas wyzwalanie zboczem narastającym, a nie opadającym, wówczas może być przydatny układ z rysunku 3. Tranzystor T1 służy do odwracania polaryzacji impulsu wyzwalającego: z dodatniego, który wchodzi na wejście układu, generuje ujemny, ponieważ obniża na chwilę potencjał wejścia TRIG. Dioda D1 zabezpiecza przed przebiciem wstecznym złącza baza-emiter tranzystora T1. Wejściowy układ różniczkujący, tak jak poprzednio, formuje impuls wyzwalający o ustalonej długości.

Rysunek 3. Modyfikacja układu z rysunku 2 w celu wyzwalania zboczem narastającym

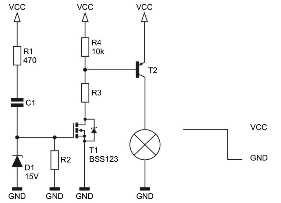
Wszystkie powyższe przykłady mają jedną wadę: zawsze generują impuls po załączeniu zasilania, ponieważ kondensator pracujący w obwodzie ustalającym czas musi się wstępnie naładować do stanu ustalonego. To jest wada wielu analogowych generatorów. Jeżeli docelowa aplikacja wymaga usunięcia tej niedogodności, proponuję układ z rysunku 4, który może wygląda na nieco skomplikowany, lecz w rzeczywistości jest bardzo prosty. Długość impulsu wyjściowego ustala stała czasowa C2R7. Kondensator nie musi się wstępnie ładować po załączeniu zasilania – w stanie ustalonym rozładowuje go bowiem właśnie R7, więc po włączeniu zasilania nie dzieje się nic. Rozpoczęcie wytwarzania impulsu odbywa się po naładowaniu C2 prądem pochodzącym z drenu tranzystora T1. Impuls ładujący C2 może mieć wysokie natężenie prądu, zwłaszcza w początkowej fazie, więc użyłem tranzystora o znacznym dopuszczalnym prądzie drenu. Rezystor R6 ogranicza ten prąd, przez co nie dochodzi do znacznego obniżenia napięcia zasilającego.

Rysunek 4. Układ monostabilny pozostający w spoczynku po załączeniu zasilania

W takim układzie warto zapewnić stały czas trwania impulsów ładujących kondensator C2. W tym celu został dodany obwód różniczkujący R3C1, który pełni taką samą rolę, jak w poprzednich przykładach. Aby jednak uniezależnić się od czasu narastania impulsu wejściowego, obwód R3C1 jest sterowany przez bramkę z wejściem Schmitta, co zapewnia powtarzalność impulsów przeładowujących C1, więc również czas ładowania C2 będzie niezmienny. Na schemacie zaproponowałem wartości niektórych elementów (tranzystor T1, bramki US1, rezystor R6), lecz nie są one krytyczne i można je w szerokim zakresie modyfikować.

Za odrębną grupę uważam układy monostabilne, które mają uformować impuls bezpośrednio po załączeniu napięcia zasilającego. Może to być wyciszenie wyjść układu audio przez czas potrzebny do rozgrzania lamp lub wygaszenie podświetlenia ekranu na czas jego inicjalizacji. Schemat przykładowego rozwiązania widać na rysunku 5.

Rysunek 5. Obwód z elementów dyskretnych generujący impuls po załączeniu zasilania

Po załączeniu zasilania rozładowany kondensator C1 utrzymuje bramkę tranzystora T1 w stanie wysokim, co z kolei powoduje nasycenie tranzystora T2. Proces ten rozpoczyna się wraz z narastaniem napięcia zasilającego, więc układ ten jest pozbawiony jakichkolwiek „szpilek” na wyjściu w momencie przejściowym, czyli zanim trwale załączy swoje wyjście. Rezystor R2 powoduje powolne ładowanie kondensatora C1. Dioda Zenera D1 pełni dwojaką funkcję: ogranicza napięcie bramka-źródło tranzystora T1, chroniąc go przed uszkodzeniem spowodowanym przebiciem izolatora podbramkowego oraz przyspiesza rozładowanie C1 po wyłączeniu zasilania. Żeby jednak nie doszło do uszkodzenia diody D1 prądem o zbyt wysokim natężeniu, którego źródłem może być zasilacz (poprzez rozładowany C1), został dodany rezystor R1 o rezystancji kilkuset omów. Ten układ to przykładowe rozwiązanie wyposażone zabezpieczenia na różne ewentualności.

Teoretycznie obciążenie można byłoby wpiąć w dren tranzystora T1, pomijając w ogóle T2, lecz w takim wypadku prąd tego obciążenia będzie zanikał stopniowo, powoli, w miarę ładowania się C1. Dodanie T2 zwiększa wzmocnienie układu, a co za tym idzie – również szybkość zanikania prądu wyjściowego. Polecam stosowanie w roli T1 tranzystora unipolarnego, ponieważ pozwala to na odmierzanie długich odcinków czasu – co nie byłoby możliwe przy bipolarnym T1, wymagającym dostarczenia odpowiedniego prądu bazy.

Rysunek 6. Prostsza odmiana układu z rysunku 5 wykorzystująca bramkę z wejściem Schmitta

Jeżeli komuś zależy na maksymalnej prostocie, to polecam spojrzeć na schemat z rysunku 6. Rozładowany C1 wymusza stan wysoki, a R1 powoli go ładuje, w pewnym momencie bramka NOT z wejściem Schmitta przełącza swoje wyjście... i już, gotowe! Gdyby nie dioda D1, przyspieszająca rozładowanie C1 po wyłączeniu zasilania, na tym schemacie naprawdę niewiele by się działo. Wymaga on jednak użycia bramki lub innego przerzutnika z wejściem Schmitta, na co niekiedy nie ma miejsca na płytce. Dodatkowo, jeżeli całe urządzenie pracuje w bardzo trudnych warunkach (pod względem zakłóceń elektromagnetycznych), warto zwykle ograniczyć stosowanie układów scalonych do absolutnego minimum.

Michał Kurzela, EP

Źródła:
[1] https://www.ti.com/lit/ds/symlink/ne555.pdf

Elektronika Praktyczna Plus lipiec - grudzień 2012

Elektronika Praktyczna Plus

Monograficzne wydania specjalne

Elektronik kwiecień 2026

Elektronik

Magazyn elektroniki profesjonalnej

Raspberry Pi 2015

Raspberry Pi

Wykorzystaj wszystkie możliwości wyjątkowego minikomputera

Świat Radio marzec - kwiecień 2026

Świat Radio

Magazyn krótkofalowców i amatorów CB

Automatyka, Podzespoły, Aplikacje marzec 2026

Automatyka, Podzespoły, Aplikacje

Technika i rynek systemów automatyki

Elektronika Praktyczna kwiecień 2026

Elektronika Praktyczna

Międzynarodowy magazyn elektroników konstruktorów

Elektronika dla Wszystkich kwiecień 2026

Elektronika dla Wszystkich

Interesująca elektronika dla pasjonatów