Masa nieco inaczej

Masa nieco inaczej

Masa kojarzy nam się z czymś dużym, ciężkim i... niemożliwym do pominięcia. Przez wiele lat w elektronice tym pojęciem określano zarówno potencjał odniesienia, względem którego mierzone są wszystkie napięcia, jak i linię o niskiej impedancji, do której spływają wszystkie prądy. Tylko czy aby na pewno trzeba te dwa ujęcia łączyć nierozerwalnie?

Wszyscy przyzwyczailiśmy się do oznaczania masy na schemacie typowymi „stopkami”, często opatrzonymi oznaczeniem GND, jak chociażby na fragmencie schematu z rysunku 1. Jest to informacja dla wszystkich, którzy ów schemat czytają, że węzły w ten sposób oznaczone należy połączyć ze sobą – tak w głowie, obrazowo. Są one połączone również fizycznie w układzie. W teorii masa jest ekwipotencjalna, czyli każdy jej punkt ma taki sam potencjał. W praktyce różnie z tym bywa, a mogą się o tym przekonać ci, którzy projektowali obwody kluczujące wysokie prądy…

Rysunek 1. Przykładowy schemat narysowany z wykorzystaniem symboli masy

Jednak nie o tym jest dzisiejszy odcinek „Notatnika Konstruktora”. Utarło się bowiem również przekonanie, niebezpodstawne zresztą, że masa jest węzłem mającym potencjał odniesienia (0 V) dla wszystkich napięć w układzie. Na dawniejszych schematach bywały zresztą umieszczne adnotacje w stylu „wszystkie napięcia mierzone względem masy woltomierzem o oporności…”, co jasno dawało do zrozumienia, gdzie należy przyłożyć czarną sondę multimetru. Ponadto w urządzeniach konstruowanych na metalowym chassis, bądź z płytkami obudowanymi w metalowe ramki (jak w dawnych telewizorach), właśnie owe metalowe fragmenty pełniły funkcję połączenia o niskiej impedancji.

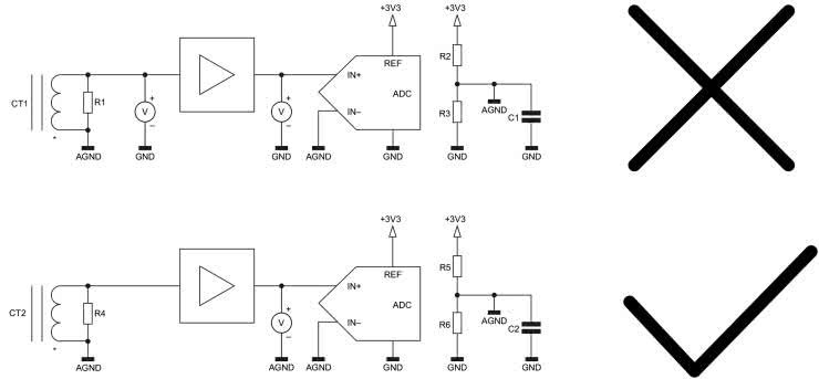
Jednak nie we wszystkich sytuacjach takie rozumienie masy ma sens. Jako przykład wezmę sygnał z czujnika analogowego, konkretniej z przekładnika prądowego. Typowy przekładnik prądowy pracuje pod obciążeniem rezystancyjnym, wynoszącym np. 50 Ω, jak na rysunku 2. Dzięki temu prąd indukowany w jego uzwojeniu powoduje powstawanie napięcia na tymże rezystorze, o takim samym kształcie co ów prąd i z minimalnym przesunięciem fazowym, wynikającym z indukcyjności tegoż uzwojenia. W porządku, ale do czego ta masa?

Rysunek 2. Typowe podłączenie przekładnika prądowego [1]

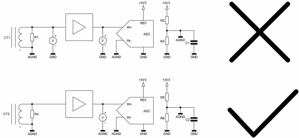
Wyobraźmy sobie, że mikrokontroler miałby ten sygnał na bieżąco, cyklicznie, mierzyć. Wartość chwilowa tego przebiegu służyłaby do późniejszego wyznaczenia chociażby wartości skutecznej prądu. Trzeba ten sygnał, o amplitudzie rzędu kilkudziesięciu miliwoltów, odpowiednio wzmocnić oraz dopasować do wejścia przetwornika analogowo-cyfrowego mikrokontrolera. Najprostszym rozwiązaniem w tej sytuacji byłoby podniesienie potencjału jednego z wyprowadzeń przekładnika do wartości równej połowie napięcia odniesienia przetwornika, czyli chociażby napięcia zasilającego ów mikrokontroler, jak na rysunku 3. Potem ową składową stałą można wprowadzić na wejście odwracające tegoż przetwornika, by odjął on tę składową stałą przy każdorazowym obliczaniu wyniku przetwarzania. Takie rozwiązanie ma również zaletę w postaci przenoszenia składowej stałej przez tor przetwarzania analogowego, przez co amplituda sygnału nie zostaje w żaden sposób stłumiona.

Rysunek 3. Nadanie składowej stałej sygnałowi i wprowadzenie jej do przetwornika A/C

Jaki ma to związek z moim wstępem na temat mas? Otóż w tym układzie istnieją dwa węzły odniesienia, których potencjały można nazwać masami. Pierwszym, takim dosyć oczywistym, jest ujemny zacisk źródła zasilania, na przykład „–” akumulatora. Względem tego potencjału jest ustalane napięcie zasilające mikrokontroler czy mnóstwo innych wielkości w urządzeniu. Drugą masę, którą można byłoby nazwać analogową, stanowi wyjście wtórnika napięciowego dzielącego napięcie zasilające przetwornik A/C na pół. Różnica potencjałów między wymienionymi masami jest stała i wynosi około 1,65 V (w przypadku mikrokontrolera zasilanego napięciem 3,3 V).

Czemu o tym piszę? Spotkałem się w swojej praktyce z przypadkami pomiaru napięć zawsze względem masy zasilacza. Ma to sens w większości przypadków, lecz próba oszacowania np. offsetu napięciowego wzmacniacza z rysunku 3 nie uda się ani trochę, bowiem zarówno na wejściu, jak i na wyjściu wzmacniacza woltomierz pokaże zawsze tę samą wartość, wynoszącą około 1,65 V. Czynione są później straszne zabiegi, mające na celu obliczenie tego offsetu na podstawie ostatniej, fluktuującej cyfry na wyświetlaczu multimetru, przez co o jakiejkolwiek sensownej dokładności tego pomiaru można zapomnieć. Ustalenie offsetu może się udać dopiero po zmianie punktu odniesienia, czyli po przyłożeniu ujemnej sondy woltomierza do opisanej wyżej masy analogowej, a dodatniej do wyjścia tego wzmacniacza, jak na rysunku 4.

Rysunek 4. Zmiana węzła odniesienia upraszcza pomiar offsetu napięciowego

Wtedy już jak najbardziej wprost zmierzymy offset napięciowy wzmacniacza, który wyniesie np. +2,3 mV, bez konieczności uwzględniania dodatkowej składowej stałej, z którą nie wiadomo co począć. Zagadnienie niby proste i oczywiste, ale niekiedy całkowicie pomijane w codziennej, zabieganej praktyce.

Michał Kurzela, EP

Źródła:
[1] https://t.ly/OrGf9

Artykuł ukazał się w
Elektronika Praktyczna
sierpień 2025
Elektronika Praktyczna Plus lipiec - grudzień 2012

Elektronika Praktyczna Plus

Monograficzne wydania specjalne

Elektronik listopad 2025

Elektronik

Magazyn elektroniki profesjonalnej

Raspberry Pi 2015

Raspberry Pi

Wykorzystaj wszystkie możliwości wyjątkowego minikomputera

Świat Radio listopad - grudzień 2025

Świat Radio

Magazyn krótkofalowców i amatorów CB

Automatyka, Podzespoły, Aplikacje listopad - grudzień 2025

Automatyka, Podzespoły, Aplikacje

Technika i rynek systemów automatyki

Elektronika Praktyczna listopad 2025

Elektronika Praktyczna

Międzynarodowy magazyn elektroników konstruktorów

Elektronika dla Wszystkich grudzień 2025

Elektronika dla Wszystkich

Interesująca elektronika dla pasjonatów