Idealna dioda zabezpieczająca

Idealna dioda zabezpieczająca

Podobno ideały się sprzedały, lecz mam nadzieję, że jednak nie w każdej dziedzinie. Wyjątkiem jest na przykład elektronika, a dokładniej te miejsca układowe, w których trzeba ograniczyć napięcie do ściśle ustalonej wartości. Opisane dalej rozwiązanie może nie jest aż tak idealne, jak byśmy wszyscy tego chcieli, ale jest mu bliższe niż powszechnie stosowane elementy.

Znane przysłowie głosi, że jak nie wiadomo, o co chodzi, to chodzi o pieniądze. Tutaj jednak wiadomo, o co chodzi, bowiem zagadnienie jest (na pierwszy rzut oka) bardzo proste: trzeba ograniczyć napięcie zasilające układ do z góry określonej wartości. Po co to robić?

Ponieważ w układzie znajduje się – zasilany napięciem 5 V – czujnik Halla, który bardzo nie lubi, gdy jego zasilanie wzrasta powyżej tej wartości – zaczyna pracować wtedy silnie nieliniowo. A czemu nie wystarczy zasilać go niższym napięciem? To też nie jest takie proste, gdyż tego typu rozwiązanie obniża wiarygodność odczytów. Doświadczalnie ustaliłem, że zakres od 4,8 V do 5,2 V jest optymalny. Stabilizator 5 V i gotowe? Niestety nie do końca.

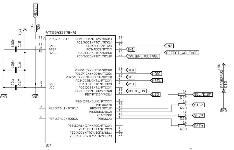
Rysunek 1. Fragment schematu analizowanego układu

Przeanalizujmy schemat z rysunku 1 – jest to fragment większego urządzenia. Do mikrokontrolera typu ATmega328PB prowadzą linie połączone z innymi podzespołami znajdującymi się na płytce, jak i poza nią. Te spoza płytki są zabezpieczone diodami transil, dodatkowo przed samym mikrokontrolerem znajdują się rezystory szeregowe, które ograniczają prąd diod zabezpieczających wejścia MCU, standardowo znajdujących się w jego strukturze – rysunek 2. Ich rola jest dobrze znana: jedna z nich otwiera się, kiedy potencjał danego wyprowadzenia wykracza poza wartość napięcia zasilającego (tutaj 5 V) lub spada poniżej poziomu masy (0 V). W tym wypadku bardziej doskwierają nam impulsy o polaryzacji dodatniej, więc tylko one będą dalej analizowane.

Rysunek 2. Diody zabezpieczające wejścia mikrokontrolera

Dlaczego akurat one? Ponieważ prąd przewodzony przez „górną” diodę (wg rysunku 2) jest odprowadzany do linii zasilającej. Jej potencjał się wtedy podnosi, co stanowi naturalny skutek „dolewania” prądu do kondensatorów filtrujących zasilanie. Owszem, stabilizator może zmniejszyć prąd wyjściowy, aby utrzymać stałe napięcie na linii zasilającej, ale jego pole manewru jest ograniczone – przecież nie zmniejszy swojego prądu wyjściowego do wartości poniżej zera. A to byłoby wymagane w sytuacji, kiedy napięcie na jego wyjściu wzrasta powyżej nominalnego. W typowej sytuacji taki nadmiarowy prąd, który przedostał się do układu poprzez diodę zabezpieczającą w układzie scalonym, zostałby natychmiast spożytkowany przez inne obwody, które są zasilane z tej linii. W tej akurat sytuacji sprawa jest ciut bardziej skomplikowana, gdyż cały układ pobiera przez większość czasu prąd o bardzo małym natężeniu, rzędu 100 μA.

Jak więc temu zapobiec, jak sobie z tym poradzić? Najbardziej logicznym posunięciem wydaje się zastosowanie jeszcze jednego podzespołu, który załączy się, kiedy napięcie wzrośnie powyżej oczekiwanej granicy. Zastosowałem diodę typu ESD5Z5V0, którą stosuję w wielu miejscach z powodzeniem, lecz tutaj nie zdała jednak egzaminu. Na rysunku 3 znajduje się tabela zawierająca informacje, między innymi, o jej napięciu przebicia.

Rysunek 3. Charakterystyka diody ESD5Z5V0

Co można wywnioskować z tej tabeli? Otóż nic odkrywczego: napięcie przebicia tejże diody silnie zależy od natężenia prądu, jaki przez nią płynie. Wpływ na to ma zarówno sama charakterystyka złącza półprzewodnikowego, jak również rezystancja szeregowa tej diody.

Przy prądzie 50 μA (typowo) napięcie na jej zaciskach powinno wynosić 5 V. Ale przy 1 mA będzie to już 6,2 V. Impulsu prądu o natężeniu 5 A już nawet nie analizuję… Nie ma się jednak co dziwić: tego typu diody nie mają wbudowanego wzmacniacza błędu, który byłby w stanie lepiej „pilnować” tego napięcia. Albo, mówiąc bardziej naukowo: uczynić charakterystykę prądowo-napięciową bardziej stromą. Niezależnie od określenia, efekt jest taki sam: napięcie na diodzie może się zmieniać w dość szerokich (jak na wymagania tego układu) granicach. Po uwzględnieniu wpływu temperatury na napięcie przebicia sytuacja wcale nie robi się bardziej optymistyczna.

Jak więc żyć, co robić? Czy pozostaje tylko załamać ręce? Polecałbym jednak zachować sprawność kończyn górnych, mogą się one przydać do zbudowania czegoś bardziej adekwatnego, czyli idealnej diody transil. Z pomocą może przyjść bardzo znany i bardzo lubiany (przynajmniej przeze mnie) układ TL431, wraz ze wszystkimi swoimi odmianami pracującymi w szerszym zakresie temperatur lub przy niższym prądzie. Ten prosty układ scalony może zostać zastosowany do budowy ogranicznika napięcia, który jest szerzej znany jako stabilizator równoległy, zgodnie z rysunkiem 4. W dzisiejszym świecie ten rodzaj stabilizatorów został już niemal zapomniany, bowiem są one generalnie energochłonne i trudne do implementacji w układach wymagających pracy w szerokim zakresie prądu wyjściowego.

Rysunek 4. Schemat stabilizatora równoległego

Prąd pochodzący ze źródła zasilania, który nie popłynął do odbiornika, jest tracony w postaci ciepła. Tutaj ta wada może stać się zaletą. Przecież TL431 wraz z jego najbliższą „świtą”, czyli dwoma rezystorami w pętli ujemnego sprzężenia zwrotnego, zachowuje się dokładnie jak zwykła dioda Zenera. Tyle że jej napięcie przebicia jest bardzo dokładnie określone i niemal niezależne od natężenia płynącego prądu, o ile mieści się on w dopuszczalnych granicach.

Typowy układ TL431 (lub jego odpowiednik innego producenta) wymaga do prawidłowej pracy prądu katody o natężeniu nie mniejszym niż 1 mA. To dosyć sporo jak na warunki zaprezentowanego układu. Istnieją inne wersje tegoż stabilizatora, które zadowala prąd już dziesięciokrotnie mniejszy, tylko 100 μA. Ponadto, mogą one pracować w szerokim zakresie temperatur (od –40ºC do +125ºC) i mają zadowalającą tolerancję wartości napięcia odniesienia, typowo 1% lub nawet 0,5%. Przykładem może być układ typu AZ431LBNTR-G1, który kosztuje mniej niż 1 zł za sztukę, a po obudowaniu go dwoma rezystorami bardzo dobrze sprawdza się w roli cerbera pilnującego napięcia zasilającego wrażliwe urządzenie.

Michał Kurzela, EP

Bibliografia:

Artykuł ukazał się w
Elektronika Praktyczna
maj 2025
Elektronika Praktyczna Plus lipiec - grudzień 2012

Elektronika Praktyczna Plus

Monograficzne wydania specjalne

Elektronik listopad 2025

Elektronik

Magazyn elektroniki profesjonalnej

Raspberry Pi 2015

Raspberry Pi

Wykorzystaj wszystkie możliwości wyjątkowego minikomputera

Świat Radio listopad - grudzień 2025

Świat Radio

Magazyn krótkofalowców i amatorów CB

Automatyka, Podzespoły, Aplikacje listopad - grudzień 2025

Automatyka, Podzespoły, Aplikacje

Technika i rynek systemów automatyki

Elektronika Praktyczna listopad 2025

Elektronika Praktyczna

Międzynarodowy magazyn elektroników konstruktorów

Elektronika dla Wszystkich grudzień 2025

Elektronika dla Wszystkich

Interesująca elektronika dla pasjonatów