Sterownik rolet na LOGO! 8

Sterownik rolet na LOGO! 8
Pobierz PDF Download icon
Siemens LOGO! - sterownik, który przez lata stał poza światłami reflektorów. Świadomie lub nie, często niedoceniany, odsuwany w cień. Czy słusznie? Przez te wszystkie lata stale rósł w siłę, rozwijał się, nabywał nowych umiejętności. Dla wielu mocnych zawodników wersja LOGO! 8 stała się sygnałem do przebudzenia. Tak, z cienia wyszedł zawodnik i stanął do walki jak godny przeciwnik.

Siemens dobrze odrobił lekcje. LOGO! 8 to już nie jest „szóstka” czy „siódemka” po liftingu. Sterownik otrzymał nie tylko nowy elegancki wygląd, daleko dystansując się od swoich poprzedników. Przede wszystkim „ósemka” to zupełnie nowy sprzęt i nowe oprogramowanie wewnętrzne. Nie jest to kolejna łatka czy rozszerzenie istniejącego oprogramowania. Tym razem Siemens zbudował LOGO! od nowa. Serce sterownika otrzymało nowy procesor Texas Instruments TM4C129 pochodzący z rodziny Tiva C, który bazuje na rdzeniu Cortex-M4F zdolnym rozpędzić się do 120 MHz, co dla potrzeb tego urządzenia jest wystarczające z okładem. Siemens zawsze dbał i nadal dba o to, aby jego produkt pracował prawidłowo niezależnie od obciążenia i temperatury. Tym razem powstała wersja, której nasza pogoda nie jest straszna, gdyż będzie pracował zarówno w mrozach do –22°C, jak i w upale do +55°C.

Nowe wnętrze LOGO! 8 w takim wydaniu nasuwa pytanie – do czego Siemens użył takiego zapasu mocy? Jednak LOGO! 8 to nie tylko nowy sprzęt w pięknej obudowie, idealnie pasującej do naszych skrzynek elektrycznych, to również, a może przede wszystkim, wolność w komunikacji! Tak! LOGO! 8 ma zaimplementowaną obsługę protokołu MODBUS TCP. Czekaliśmy na to długo, ale było warto. Ile to razy zastanawialiśmy się, jaki dać procesor sterujący do naszych pomysłów. Wiele urządzeń, których chcieliśmy użyć w projekcie, obsługiwało protokół MODBUS TCP, zatem szukaliśmy rozwiązań do przetwarzania informacji, które również obsługiwały ten protokół. Teraz możemy bez obaw wybierać sprawdzone LOGO! 8 i komunikować się z wieloma dostępnymi komponentami, nawet naszymi własnymi, które sami zbudujemy i zaimplementujemy w nich protokół MODBUS TCP.

Na tym oczywiście nie koniec. LOGO! 8 to również webserwer, który pozwala nam szybko i sprawnie zdalnie monitorować i zarządzać pracą naszej aplikacji. Teraz nasze plany o oświetleniu i bramie wjazdowej sterowanej z domu zaczynamy tworzyć na nowo. Siemens wzmocnił naszego nowego zawodnika jeszcze bardziej. To już nie tylko nowy procesor, nowe funkcje sieciowe czy ogólnoświatowy standard MODBUS TCP. LOGO! 8 otrzymało również wsparcie w postaci przyjaznej i łatwej w użyciu aplikacji na smartfony i tablety! Tak! Teraz LOGO! 8 otworzy naszą bramę na rozkaz naszego palca dotykającego pięknego interfejsu. Nasza fontanna w ogrodzie, oświetlenie roślin, rolety w oknach i inne urządzenia w naszym domu są zawsze pod ręką w naszym smartfonie i możemy sterować nimi za pomocy LOGO! 8. Ale nie tylko sterowanie jest ważne. Teraz możemy szybko i w prosty sposób odczytać informacje z LOGO! 8. Zarówno aplikacja na smartfon, jak i webserwer umożliwiają monitorowanie wielu różnych parametrów naszej aplikacji. I to my decydujemy, co chcemy i w jaki sposób zobaczyć. Najważniejsze w tym wszystkim jest to, że jak zawsze, Siemens nie pozwala sobie na wypuszczenie niedopracowanego produktu. Zatem możemy spokojnie używać tych wszystkich nowych i potrzebnych nam funkcjonalności, które oferuje LOGO! 8, mając całkowitą pewność, że sterownik zawsze będzie pracował stabilnie i bezbłędnie.

Wspomniałem o nowych funkcjonalnościach sprzętu, ale to nie wszystkie zmiany! Przy pracy nad nowym godnym przeciwnikiem producent przyjrzał się również aplikacji Logo Soft Comfort. Nowa wersja 8.1 działa szybciej i zajmuje kilkadziesiąt megabajtów mniej niż wersja 7. Nowe Logo Soft Comfort 8.1 pomoże nam utrzymać porządek w schemacie sieciowym naszego systemu, w którym może pracować wiele jednostek centralnych wymieniających się informacjami. Interfejs Logo Soft Comfort 8.1 pomaga w utrzymaniu ładu przy wielu schematach w jednej sieciowej aplikacji, wspiera konfigurowanie sterowników w naszej sieci, pilnuje adresacji, zależności i zabezpiecza dostęp do danych tylko dla autoryzowanych urządzeń. Bezpieczeństwo to bardzo ważny aspekt w dzisiejszych czasach. LOGO! 8 daje nam pewność, że nikt niepowołany nie podłączy się do naszej sieci. Każde nieautoryzowane urządzenie nie będzie obsługiwane. To bardzo ważne, gdy w jednej sieci fizycznej będą pracować niezależne podsystemy sterujące. Uzupełnieniem bezpieczeństwa zawsze jest mechanizm raportowania awarii oraz zapisywania na bieżąco stanu urządzenia i wyników pomiarów. Mamy do dyspozycji mechanizm takich logów. Możemy dowolnie wybierać dane spośród długiej listy dostępnych informacji i ułożyć z nich log, który na polecenie programu zostanie zapisany. W ten sposób możemy rejestrować nie tylko np. temperaturę pomieszczenia i wykrywać różnego rodzaju zagrożenia, ale także rejestrować naruszenia strefy chronionej, uszkodzenia wodociągu czy spadek ciśnienia w instalacji hydraulicznej, który grozi np. uszkodzeniem hydroforu.

Firma Siemens w przypadku LOGO! 8 zrobiła niesamowitą, wręcz tytaniczną pracę. Logo Soft Comfort 8.1 doznało również zmian w samym interfejsie edytora języka FBD. Dotychczas wszelkie referencje pomiędzy elementami były niewidoczne. Obecnie otrzymaliśmy edytor, który te referencje wizualizuje w postaci połączeń podobnych do tych binarnych i analogowych. Niezwykle ułatwia to analizę zależności w aplikacji. Wszystkie funkcje logiczne, analogowe, matematyczne, sieciowe, liczniki, elementy sterowania czasowego, wszystko zostało przepatrzone i zoptymalizowane, aby działało jeszcze szybciej i jeszcze sprawniej. Nowy procesor sterujący pracą LOGO! 8 to maszyna potężna z wbudowaną specjalizowaną jednostką matematyczną, której nie pozostawiono bezużytecznej i zlecono jej obsługę nowych bloków funkcyjnych służących do obliczeń zmiennoprzecinkowych i konwersji danych.

LOGO! 8 w nowej odsłonie powinno także wspierać przy projektowaniu kolejnych rozwiązań, podobnych funkcjonalnie lub składających się z podobnych zadań. Tak też jest. W Logo Soft Comfort 8.1 dodano gałąź o nazwie UDF, która będzie przechowywała bloki funkcyjne użytkownika. Tak, teraz nie musimy każdorazowo rysować bloczków do sterowania bramą czy fontanną albo sterowania roletami, gdyż wystarczy raz narysować i zdefiniować swój UDF z wejściami i wyjściami, konfiguracją i czym tylko potrzebujemy. Następnie wystarczy go tylko użyć, wstawiając do schematu. Otrzymaliśmy zatem narzędzie, które ma nieograniczoną możliwość kreowania własnych bloków funkcyjnych! Jakże proste będzie teraz budowanie kolejnych aplikacji za pomocą UDF!

LOGO! 8 zachwyca na każdym kroku. Pasuje do typowych skrzynek elektrycznych, można się z nim komunikować z telefonu, z komputera, ma własny duży ekran LCD, jest szybki i elastyczny w programowaniu. Czy to koniec? Zdecydowanie nie jest to koniec, to początek naszych częstych spotkań z LOGO! 8, do którego jest wiele modułów rozszerzających możliwości samego CPU, czyli jednostki centralnej, która sama w sobie jest całkiem bogato wyposażona.

Na początek warto wyposażyć się w edukacyjny zestaw startowy, dzięki czemu nabędziemy nie tylko sterownik, ale również otrzymamy oprogramowanie Logo Soft Comfort 8.1. Warto również wyposażyć się w zestaw do symulacji środowiska testowego. Dobrym rozwiązaniem będzie produkt firmy Kamami o nazwie KA-LOGO!-IO-Simulator (fotografia 1) zawierający zestaw do symulacji sygnałów binarnych oraz analogowych, w tym ręczny zadajnik wartości analogowej w postaci potencjometru, czujnika jasności i temperatury oraz zewnętrzne wejście dla sygnału analogowego. Do tego otrzymamy także moduł NCR401U do sygnalizacji stanu wyjść. Tak wyposażeni możemy ruszać do projektowania i budowania naszych układów inteligentnego budynku, szklarni czy ogrodu a nawet niewielkich maszyn produkcyjnych.

Teraz zbudowanie systemu podlewania ogrodu i zdalne nadzorowanie jego pracy oraz zapisywanie informacji o awariach nie jest żadną trudnością.

Programowanie LOGO! 8, czy jest trudne? Jest łatwe i przyjemne. Firma Siemens zadbała o to, abyśmy nie musieli znać się na programowaniu, wystarczy, że wiemy, co chcemy osiągnąć. W języku FBD (Function Block Diagram) jedyne, co wykonujemy, to łączymy ze sobą gotowe funkcje podstawowe zaimplementowanie w Logo Soft Comfort 8.1 albo używamy naszych zdefiniowanych bloków z gałęzi UDF. Połączenia wykonujemy intuicyjnie, wyjście z wejściem, wskazujemy wejścia dla naszych czujników, ustalamy parametry, np. czas opóźnienia zamknięcia bramy wjazdowej i już, gotowe. Tak, nie trzeba nic więcej. A jeśli w naszym domu jest sieć komputerowa, to sterownik może być nawet w innej części budynku, a my, siedząc w fotelu, możemy go programować.

Jako przykład użyjemy projektu sterowania roletą. Układ składa się z falownika zasilającego silnik asynchroniczny, którego zadaniem będzie opuszczanie i podnoszenie rolety, czujnika pełnego otwarcia i pełnego zamknięcia rolety. Falownik wymaga jedynie sygnału „start” oraz „kierunek”. Sygnał do otwarcia lub zamknięcia rolety będzie pochodził z przycisku w aplikacji Siemens LOGO! w smartfonie. Dodamy także możliwość sterowania z rzeczywistego przycisku. Zatem pilotem będzie nasz telefon komórkowy z dostępem do sieci Wi-Fi na naszej posesji.

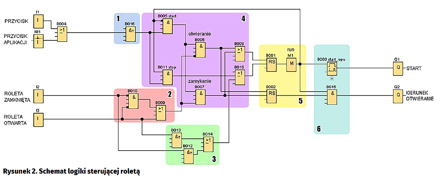
Na rysunku 2 przedstawiono projekt logiki sterującej z zaznaczonymi na kolorowo i ponumerowanymi obszarami odpowiedzialnymi za różne funkcje naszego programu. Po lewej stronie ustawione są symbole zacisków wejściowych I1, I2, I3 oraz dodatkowo zacisk wirtualny NI1, którym będzie się posługiwała aplikacja ze smartfona. Po prawej stronie schematu znajdują się symbole zacisków wyjściowych Q1 i Q2 do sterowania pracą falownika. W środkowej sekcji została umieszczona logika sterująca. Blok nr 1 to obwód wejściowy, który przekształca sygnał z przycisku lub z aplikacji w pojedynczy impuls sterujący. Blok nr 2 zajmuje się interpretacją sygnałów z czujników położenia rolety. Blok nr 3 pełni funkcję autostopu. Jego praca polega na interpretowaniu sygnałów z czujników położenia rolety i wysyłaniu informacji do układu decyzyjnego w sytuacji, gdy roleta powinna zostać zatrzymana.

Sygnały z bloków 1, 2 oraz 3 są przekazywany do układu decyzyjnego zawartego w bloku nr 4, który podejmuje decyzję o tym, w którą stronę poruszyć roletą lub ją zatrzymać. Decyzja ta składa się z dwóch rozkazów: „start” i „kierunek”. Są one przekazywane czterema sygnałami do układu pamięci maszyny znajdującego się w bloku nr 5. W bloku nr 6 znajdują się dodatkowe obwody, których zadaniem jest optymalizacja pracy ewentualnych układów zewnętrznych. Dla przykładu, może zaistnieć sytuacja, w której falownik powinien najpierw otrzymać sygnał „kierunek” a następnie po krótkim opóźnieniu otrzymać sygnał „start”. Przy takim układzie możemy także zastosować silnik DC oraz przekaźniki lub styczniki, a wówczas potrzebny jest czas na przełączenie i sygnał „start” musi zostać wysłany później.

Co jeszcze możemy zrobić z naszym zaprojektowanym układem? Przejdźmy do bloków UDF. Zaznaczmy bramki autostopu i w menu kontekstowym (prawy przycisk myszki) znajdziemy opcję utworzenia bloku UDF. Gdy utworzymy blok, nazwiemy go, opiszemy dwa sygnały wejściowe i jeden wyjściowy oraz zapiszemy na dysku, wtedy potrzebujemy już tylko dodać nasz blok UDF do menu. A najlepiej katalog z naszymi blokami, co zautomatyzuje proces aktualizacji drzewka, gdyż każdy nowo zapisany blok w katalogu pojawi się automatycznie w drzewku UDF.

Na rysunku 3 widać nasz projekt po pierwszym porządkowaniu i wstawieniu bloków UDF zamiast wcześniejszych fragmentów. Widać wyraźnie bloki, które zostały opisane wcześniej. Drugą iteracją będzie zamknięcie całej funkcjonalności w jednym bloku UDF odpowiadającym za obsługę rolety.

Na rysunku 4 pokazano gotowy, w pełni funkcjonalny program zbudowany z użyciem zaprojektowanego przez nas bloku UDF. Można teraz zadać pytanie: po co zamykać gotowe funkcje w bloku? Pytanie całkiem słuszne. Rysunek 5 wyjaśni to bezbłędnie. Dzięki wykonaniu tej pracy możemy w prosty sposób zbudować bardziej skomplikowane układy niż jedna roleta.

Dzięki blokowi UDF do sterowania jedną roletą, możemy teraz łatwo i co ważne szybko stworzyć rozwiązanie dla wielu rolet a nasz wysiłek skoncentrować na innych ważnych dla nasz aspektach sterowania.

Jakże łatwym i przyjemnym będzie od teraz budowanie sterowania, posiadając gotowy bloczek dla rolet, bramy wjazdowej, ogrzewania, fontanny, systemu podlewania czy nawet alarmu w naszym domu. LOGO! 8 stał się teraz naszym partnerem w budowaniu rozwiązań, o których marzyliśmy od zawsze. W następnych artykułach zapoznamy się z kolejnymi przykładami zadań, które warto powierzyć temu sterownikowi. Poznając rozwiązania różnych codziennych zadań, poznamy również LOGO! 8 i jego duże możliwości wspierania każdego naszego dnia codziennego.

Arkadiusz Wernicki

Artykuł ukazał się w
Elektronika Praktyczna
wrzesień 2017
DO POBRANIA
Pobierz PDF Download icon
Elektronika Praktyczna Plus lipiec - grudzień 2012

Elektronika Praktyczna Plus

Monograficzne wydania specjalne

Elektronik listopad 2025

Elektronik

Magazyn elektroniki profesjonalnej

Raspberry Pi 2015

Raspberry Pi

Wykorzystaj wszystkie możliwości wyjątkowego minikomputera

Świat Radio listopad - grudzień 2025

Świat Radio

Magazyn krótkofalowców i amatorów CB

Automatyka, Podzespoły, Aplikacje listopad - grudzień 2025

Automatyka, Podzespoły, Aplikacje

Technika i rynek systemów automatyki

Elektronika Praktyczna listopad 2025

Elektronika Praktyczna

Międzynarodowy magazyn elektroników konstruktorów

Elektronika dla Wszystkich grudzień 2025

Elektronika dla Wszystkich

Interesująca elektronika dla pasjonatów