Inteligentny miernik panelowy DPM72-MPN

Inteligentny miernik panelowy DPM72-MPN
Pobierz PDF Download icon

Niemiecka firma TDE Instruments GmbH jest producentem mierników panelowych kojarzących się zwykle z dyspozytorniami i sterowniami wielkich zakładów produkcyjnych, kopalń, elektrowni itp. Czasy analogowych mierników wskazówkowych z ustrojem magnetoelektrycznym chyba już bezpowrotnie minęły, jednak przyzwyczajenia do ich wyglądu pozostały. Nie dziwi więc, że są zastępowane nowocześniejszymi wersjami cyfrowymi.

Typowe mierniki panelowe zwykle wskazywały tylko jeden parametr: napięcie, prąd, moc, przepływ, ciśnienie, temperaturę itp. W miejscach, w których są instalowane przyrządy tego typu ważna jest dobra widoczność z dużej odległości, ponieważ dyspozytor siedzi za pulpitem oddalonym od tablicy przyrządowej i nie zawsze ma możliwość szybkiego podejścia do mierników i dokonania odczytów. Z tego względu te przyrządy miały dość pokaźne wymiary.

W czasach świetności typowych mierników panelowych nie było jeszcze techniki cyfrowej, albo była dopiero w powijakach. Urządzenia wskazówkowe były więc praktycznie jedynymi przyrządami, które mogły zobrazować wielkości liczbowe. Miały swoje zalety i wady. Wadą była stosunkowo niewielka rozdzielczość pomiarowa i niejednoznaczność odczytu wynikająca z błędu paralaksy, natomiast zaletą szybka reakcja na mierzony parametr doskonale oddająca jego dynamikę. Nie bez znaczenia dla tego typu wskaźników jest również intuicyjne postrzeganie analogowego wyniku przez człowieka. Operator nie musi analizować (obliczać w pamięci) czy na przykład, wynik pomiaru mieści się w zadanym zakresie, lecz określa to niemal natychmiast na podstawie wzrokowej oceny położenia wskazówki.

Dzisiaj dość powszechne są mierniki z cyfrowymi polami odczytowymi. Poszczególne parametry można wyróżniać wielkością wskaźników, kolorem ich świecenia, migotaniem i w inny sposób, jednak gdy na pulpicie zainstalowano wiele takich mierników, to odczyt, nie mówiąc o interpretacji wyników, staje się bardzo utrudniony. Operator widzi tylko zbiorowisko cyferek, które zlewają się w jedną wielką plamę. Zapotrzebowanie na mierniki wskazówkowe nadal więc istnieje, a w takich przypadkach zwykle prędzej czy później pojawia się producent, który spełnia wymagania użytkowników. I tak doszliśmy do oferty firmy TDE Instruments dostarczającej kilku typów mierników panelowych. Oczywiście są one obecnie realizowane w technice cyfrowej.

Krótki przegląd oferty TDI Instruments

W ofercie TDI Instruments znajduje się kilka modeli mierników należących do rodziny Digalox DPM72. Są to przyrządy przystosowane do montażu panelowego. Służy do tego specjalna ramka z zatrzaskami i zaczepami umieszczona na obudowie. Wszystkie mierniki mają standardowe wymiary zewnętrzne 72 mm ×7 mm, a otwór w panelu powinien mieć wymiary 68 mm × 68 mm. Pole odczytowe wykonano w oparciu o kolorowy wyświetlacz graficzny z matrycą 192×160 punktów. Dzięki takiemu rozwiązaniu możliwe jest połączenie cech mierników analogowych i cyfrowych, a także wprowadzenie szeregu nowych funkcji. Liczba i rodzaj tych funkcji różni się w zależności od modelu miernika.

Wskaźniki są zasilane napięciem 10...24 V AC/DC. Również zakresy pomiarowe są takie same: 0...500 V AC lub ±500 V DC na wejściu napięciowym. Typowe zakresy prądowe to 0...10 A, ale w kilku modelach prąd jest mierzony pośrednio przez pomiar napięcia na zewnętrznym boczniku. Pełny zakres jest osiągany dla napięcia 60 mV. Dobierając ten element można więc dostosować zakres pomiaru prądu do własnych potrzeb. Model DPM72-PP jest przystosowany do pętli prądowej 0/4...20 mA DC. Mierniki mierzą napięcia i prądy zmienne w zakresie od 10 Hz do 500 Hz, częstotliwość zaś jest odczytywana z dokładnością 0,1 Hz.

Opisywane mierniki panelowe są montowane najczęściej w środowisku przemysłowym. Temperaturowy zakres pracy rozciąga się od 0oC do 50oC, zaś stopień ochrony IP65 zapewnia odporność na zapylenie i zachlapywanie wodą.

Cechy miernika DPM72-MPN

Parametry miernika DPM72-MPN odpowiadają wymienionym wcześniej, ma on jednak kilka funkcji dodatkowych. Zachowano zakres pomiaru napięć 0...500 V dc, a prąd jest mierzony z użyciem bocznika zewnętrznego. Jak już wspomniano, realizacja instrumentu w technice cyfrowej znacznie rozszerzyła funkcjonalność urządzenia. Najważniejszą zaletą jest wbudowana logika umożliwiająca konfigurowanie miernika w szerokim zakresie, a nawet implementację prostych systemów sterowania. O takich korzyściach użytkownicy wskazówkowych mierników panelowych nawet nie myśleli.

Na tylnej ścianie wskaźnika umieszczono przełączniki typu dip-switch oraz wyprowadzenia szpilkowe dla zworek, za pomocą których przełączane są tryby pracy i zakresy pomiarowe. Są tu też gniazda śrubowe służące do dołączenia zasilania oraz mierzonych sygnałów (fotografia 1). Uwagę zwracają jeszcze dwa gniazda. Za pośrednictwem pierwszego z nich (śrubowego) wyprowadzane są dwa sygnały sterujące generowane przez wbudowaną logikę. Są to izolowane galwanicznie wyjścia transoptorowe wykorzystywane do sterowania zewnętrznymi układami wykonawczymi systemu automatyki, w którym zastosowano miernik DPM72-MPN. Transoptor nie nadaje się do załączania urządzeń wysokonapięciowych lub wysokoprądowych, służy więc jedynie jako ogniwo pośrednie sterujące odpowiednim przekaźnikiem lub stycznikiem.

Fotografia 1. Tylna ścianka miernika DPM72-MPN z gniazdami, przełącznikami dip-switch i zworkami konfiguracyjnymi

Cztery w jednym

Miernik DPM72-MPN ma wprawdzie tylko jeden wyświetlacz, lecz mogą być na nim umieszczane aż 4 wirtualne wskaźniki i to różnego rodzaju (fotografia 2). Bardzo przydatna jest możliwość ustawiania własnych wartości maksymalnych na skalach mierników. Dwa kanały pomiarowe - napięciowy i prądowy - umożliwiają natomiast realizację miernika mocy. Wykorzystując powyższe cechy łatwo można zbudować np. zintegrowany miernik wskazujący napięcie, prąd, moc i częstotliwość. Ale funkcje miernika nie muszą być przypisane na stałe. Łącząc zworki np. z przełącznikiem o odpowiedniej konstrukcji umieszczonym również na panelu możliwe staje się przełączanie nim trybów pracy przyrządu. Niestety, nie można tą metodą zmieniać zakresów pomiarowych. Pewnym rozwiązaniem jest założenie zworki J3, włączającej autoskalowanie.

Fotografia 2. Miernik DPM-72-MPN zastępujący 4 inne mierniki panelowe

Dodatkowe funkcje pomiarowe

Podstawowym przeznaczeniem miernika DPM72-MPN jest pomiar parametrów elektrycznych, takich jak napięcie, prąd, moc i częstotliwość oraz wizualizacja wyników na wyświetlaczu. Jak już wspomniano, przyrząd ten, zgodnie z założeniami, zastępuje dawne wskazówkowe mierniki panelowe. Wynika z tego podstawowa forma prezentacji wyników, jaką jest wirtualna wskazówka wyświetlana na wyświetlaczu graficznym. Trudno jednak było nie skorzystać z liczbowej postaci wyników. Oprócz wskazówki umieszczono więc pole numeryczne podające dokładną wartość mierzonego parametru. Takie rozwiązanie jest uzasadnione o tyle, że wirtualna wskazówka nie oddaje w pełni własności jej mechanicznego odpowiednika. Z tego powodu rozdzielczość odczytu wskazówkowego miernika DPM72-MPN jest dość ograniczona. Można wręcz uznać, że wskazówka tylko orientacyjnie informuje o wielkości mierzonej, co pozwala intuicyjnie reagować na ewentualne anomalie parametrów, jednak dokładny odczyt będzie dokonywany z pola cyfrowego. Wskazówka wirtualna nie ma też takiej dynamiki jak jej klasyczny odpowiednik.

Cyfrowa technika pomiaru umożliwia implementację dodatkowych funkcji miernika. Jedną z nich jest wyznaczanie wartości minimalnych i maksymalnych. Po wybraniu odpowiedniej opcji są one wyświetlane na bieżąco obok głównego pola odczytowego (rysunek 3).

Rysunek 3. Odczyt wartości aktualnej, minimalnej i maksymalnej

Dysponowanie cyfrową postacią wyniku umożliwiło ponadto realizację funkcji rejestratora. I w tym wypadku należy wybrać odpowiednią opcję wyświetlania. Zapis rejestratora jest wyświetlany w postaci wykresu (rysunek 4). Bufor pamięci pozwala na rejestrację w czasie od 3 minut do 14 dni. Jest to bufor cykliczny, więc po jego zapełnieniu dane zapętlają się. Niestety, nie ma możliwości zatrzymania rejestracji.

Rysunek 4. Zapis rejestratora wyświetlany na ekranie miernika DPM72-MPN

Połączenia elektryczne

Typowy, wskazówkowy miernik analogowy był wyposażony jedynie w zaciski napięcia mierzonego (lub prądu). Miernik DPM72-MPN ma jednak wbudowany układ elektroniczny oraz wyświetlacz graficzny, które wymagają zasilania. Przyrząd jest zasilany napięciem stałym 10...24 V. Powinno być ono doprowadzone do gniazda zasilającego przez bezpiecznik 250 mA (rysunek 5).

Rysunek 5. Połączenia zasilania miernika DPM72-MPN

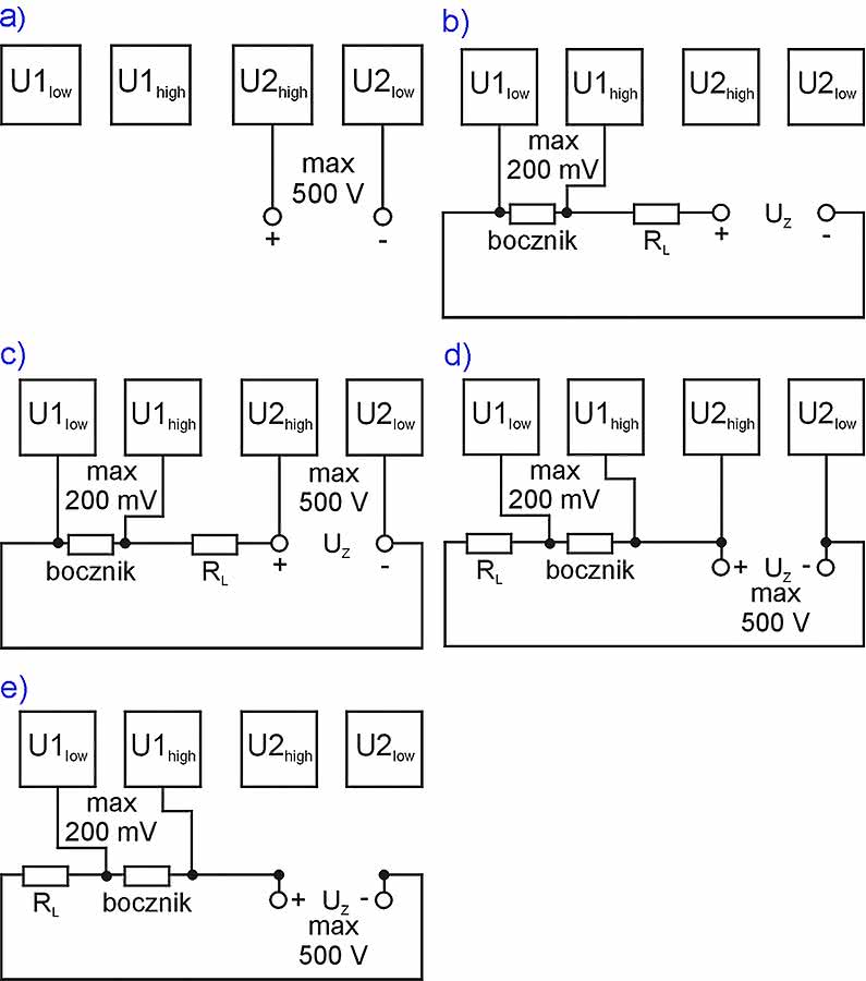
Sygnały mierzone są doprowadzane do dwóch par złączy śrubowych oznaczonych U1high i U1low oraz U2high i U2low. Jak widać, oba mają oznaczenie „U”, co mogłoby sugerować, że są to złącza napięciowe, a wiemy przecież, że jedna z tych par jest wykorzystywana do pomiaru prądu. Nie ma w tym nic dziwnego, gdyż natężenie prądu jest określane na podstawie pomiaru napięcia na boczniku. Możliwe stają się zatem konfiguracje połączeń przedstawione na rysunku 6a...e. UZ to napięcie zasilające odbiornik RL, które może być mierzone bezpośrednio, np. w celu obliczenia mocy. Istnieją dwie konfiguracje połączeń: od strony niskiej (rysunek 6b i c) oraz od strony wysokiej (rysunek 6d i e). Połączenie od strony wysokiej jest dopuszczalne tylko wtedy, gdy napięcie mierzone jest nie większe niż 50 V. 

Rysunek 6. Konfiguracje pomiarowe: a) bezpośredni pomiar napięcia, b) pomiar prądu z użyciem zewnętrznego bocznika, c) bezpośredni pomiar napięcia i pomiar prądu z użyciem zewnętrznego bocznika, d) bezpośredni pomiar napięcia (max 50 V) i pomiar prądu z użyciem zewnętrznego bocznika od strony wysokiej, e) pomiar prądu z użyciem zewnętrznego bocznika od strony wysokiej (Uz max = 50 V)

Alarmy

O wyższości przyrządu cyfrowego nad analogowym była już mowa, ale jest jeszcze jeden pretekst, by do tego wrócić. Otóż użytkownik miernika DPM72-MPN może definiować dwa progi decyzyjne, których przekroczenie od dołu lub od góry generuje alarm. Wejście w zakres alarmowy jest sygnalizowane dwojako: uaktywniane jest odpowiednie dla danego alarmu wyjście transoptorowe i/lub zmieniany jest kolor skali wskaźnika (fotografia 7) z dodatkową możliwością jego migotania. Cecha ta umożliwia nawet budowanie autonomicznego systemu sterowania opartego na mierniku panelowym, o czym będzie jeszcze mowa. Kolor tła jest wybierany dość dowolnie przez użytkownika z palety RGB.

Fotografia 7. Sygnalizowanie alarmu przez zmianę koloru skali

Zdalne konfigurowanie

Atrakcyjną z użytkowego punktu widzenia cechą miernika panelowego DPM72-MPN jest możliwość jego zdalnego konfigurowania. Do tego celu jest wykorzystywane gniazdo USB, przez które jest on podłączany do komputera. Producent udostępnia oprogramowanie „Digalox-Manager” pozwalające na wygodne ustawianie parametrów przyrządu. Komunikacja odbywa się przez emulowany port COM za pośrednictwem interfejsu USB. Połączenie miernika z komputerem zapewnia jednocześnie zasilanie przyrządu, nie jest więc w tym przypadku konieczne zasilanie przez gniazdo „Supply”.

Poszczególne operacje konfiguracyjne rozdzielono na zakładki (rysunek 8). W jednej z nich - „Style” wybierany jest wygląd wskaźnika. Miernik jest konfigurowany dla jednego, dwóch, trzech lub czterech wskaźników. Ich wygląd jest również zmieniany. Do wyboru są typowe wskaźniki wskazówkowe, ich wersje poziome, pionowe wskaźniki paskowe, wskaźniki paskowe łączone z zapisem rejestratora, skala typu tachometr itp.

Rysunek 8. Zakładki programu Digalox-Manager

W zakładce „Measurement” ustawiane są rodzaje pomiarów: napięcie, prąd, moc, częstotliwość, a także związane z tymi parametrami opisy skali. Zakładka „Thresholds” umożliwia z kolei zadawanie wartości progowych z ewentualnym uwzględnianiem histerezy, i wybieranie typu reakcji na sytuacje alarmowe.

W chwili włączenia urządzenia na wyświetlaczu pojawia się na chwilę grafika. W oryginale jest to logo producenta, ale użytkownik może wprowadzić własną. Może to być np. własne logo, nazwa systemu, bloku pomiarowego itp.

Polecenie dostępne na zakładce „Historic data”, jak można wnioskować z nazwy, służy do pobierania danych z rejestratora do komputera, a także wyświetlenie ich np. w Excelu. Są one automatycznie eksportowane do niego w formacie CSV.

Korzystając z opcji umieszczonych na pozostałych zakładkach można ponadto linearyzować wskazania, definiować czas rejestracji, sposób reagowania na alarmy, kolor skali w normalnym trybie pracy, kontrast wyświetlacza, ustawiać opcje dla punktu dziesiętnego.

Zastosowanie miernika jako sterownik

Wykorzystując cechy mierników panelowych rodziny Digalox użytkownicy mogą konstruować proste systemy sterowania bez konieczności stosowania znacznie droższych rozwiązań ze specjalizowanymi sterownikami PLC. Producent na swojej stronie internetowej przedstawia dwie przykładowe aplikacje. Jedna z nich jest wykorzystywana do sterowania pompą napełniającą zbiornik.

Miernik za pośrednictwem odpowiedniego czujnika pokazuje bieżący poziom cieczy w zbiorniku, natomiast ustawione w nim alarmy strują za pośrednictwem przekaźnika pompą (rysunek 9). Jak widać wskaźnik jest wyskalowany w litrach, zdefiniowana jest dla niego odpowiednia wartość maksymalna wynikająca z pojemności zbiornika. Dodatkowo można ustawić rejestrator danych monitorujący historię napełniania. Pompa jest sterowana z optoizolowanego wyjścia za pośrednictwem przekaźnika.

Rysunek 9. Przykładowa aplikacja sterowania pompą przez miernik DPM72-MPN

Przykład pokazuje, że zaprojektowanie aplikacji nie wymaga nawet fachowej znajomości tematyki, a tym bardziej umiejętności programowania sterowników stosowanych w układach automatyki. Przygotowanie gotowego, działającego systemu można wykonać dosłownie w kilka minut.

Jarosław Doliński, EP

Produkt dostępny na www.conrad.pl

Artykuł ukazał się w
Elektronika Praktyczna
kwiecień 2019
DO POBRANIA
Pobierz PDF Download icon
Elektronika Praktyczna Plus lipiec - grudzień 2012

Elektronika Praktyczna Plus

Monograficzne wydania specjalne

Elektronik listopad 2025

Elektronik

Magazyn elektroniki profesjonalnej

Raspberry Pi 2015

Raspberry Pi

Wykorzystaj wszystkie możliwości wyjątkowego minikomputera

Świat Radio listopad - grudzień 2025

Świat Radio

Magazyn krótkofalowców i amatorów CB

Automatyka, Podzespoły, Aplikacje listopad - grudzień 2025

Automatyka, Podzespoły, Aplikacje

Technika i rynek systemów automatyki

Elektronika Praktyczna listopad 2025

Elektronika Praktyczna

Międzynarodowy magazyn elektroników konstruktorów

Elektronika dla Wszystkich grudzień 2025

Elektronika dla Wszystkich

Interesująca elektronika dla pasjonatów